GM Service Manual Online
For 1990-2009 cars only
Makes
🢒
Buick
🢒
2005
🢒
Century
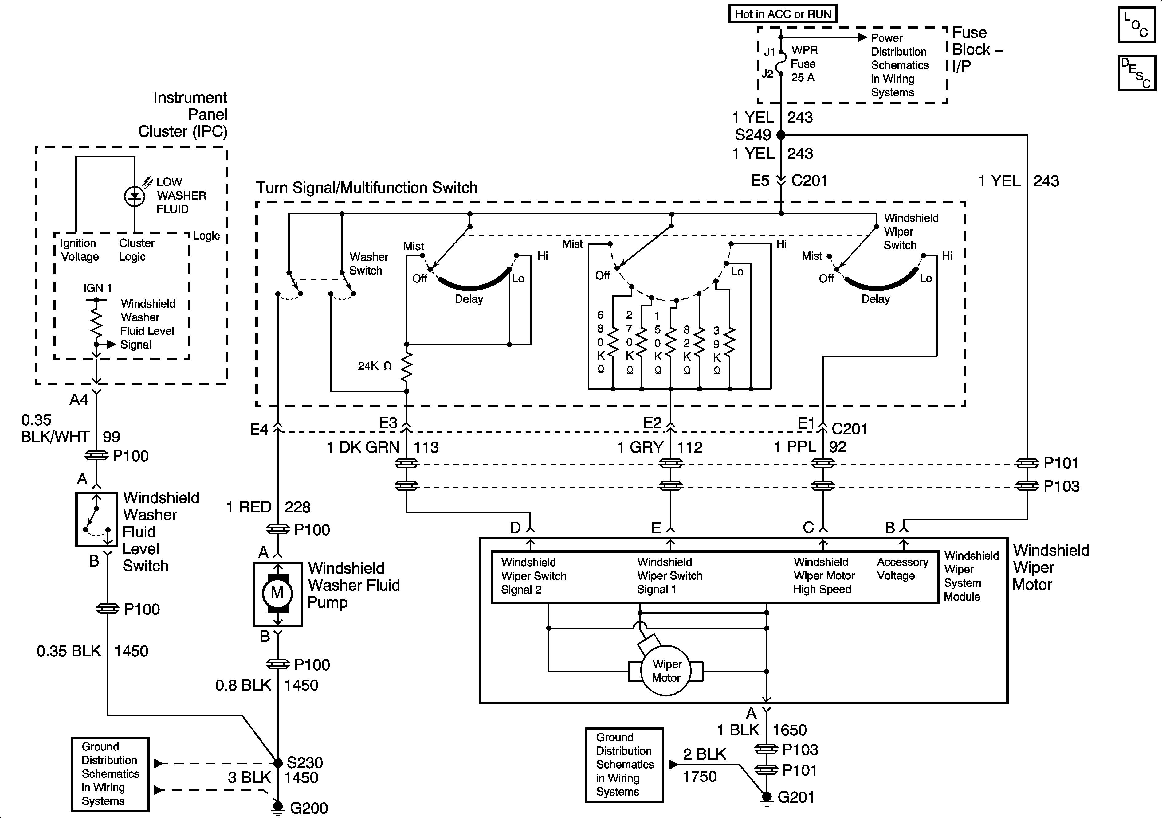
🢒 Wiper/Washer System Schematics
Wiper/Washer System Schematics
Master Electrical Component List
Wiper/Washer System Description and Operation
Fuse Block - Underhood IGN 2 Fuse
G200
G201