GM Service Manual Online
For 1990-2009 cars only
Makes
🢒
Buick
🢒
2000
🢒
Century (China)
🢒
HVAC
🢒
HVAC Systems - Manual
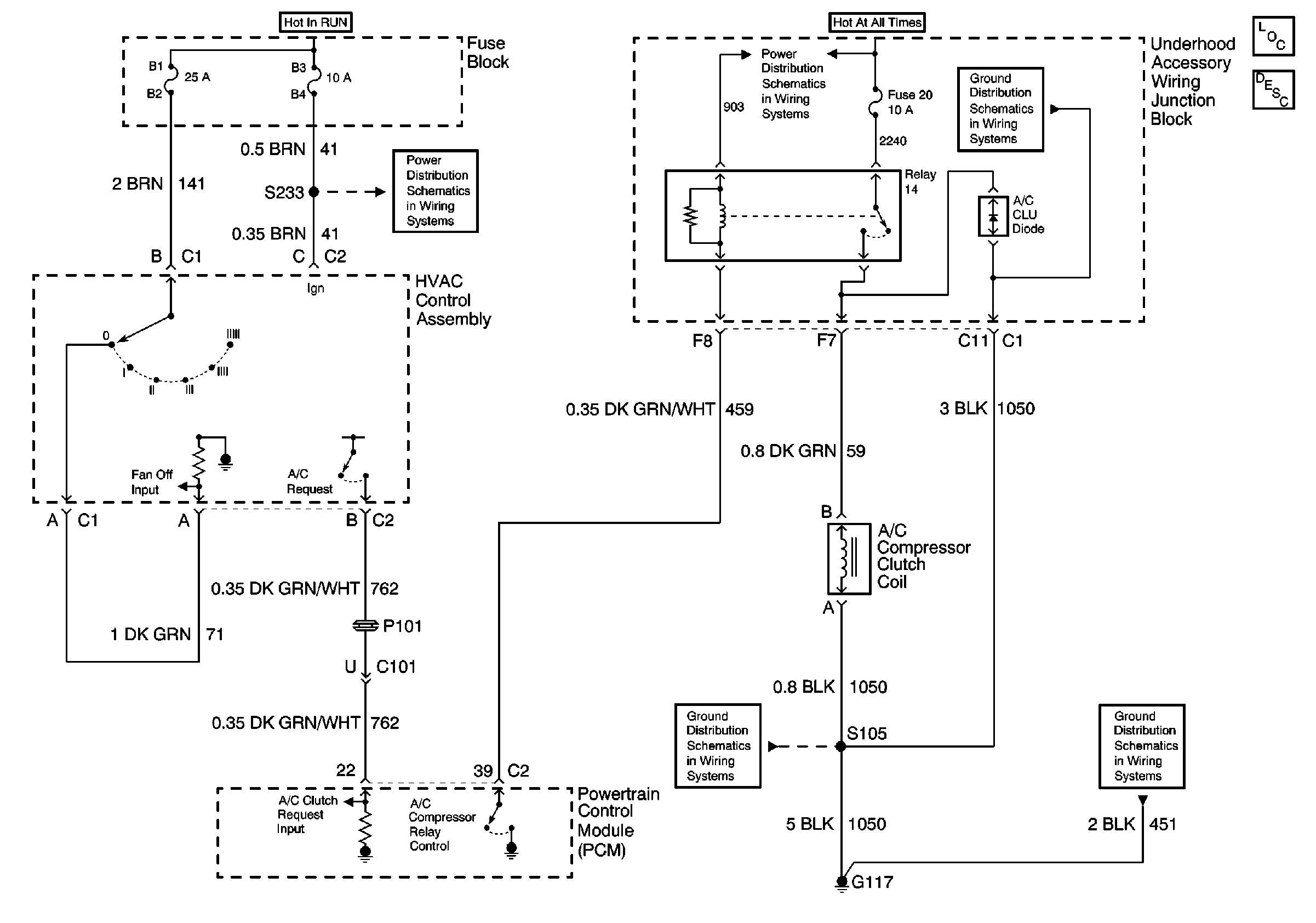
🢒 HVAC Compressor Control Schematics
HVAC Compressor Control Schematics C60
Fuse Block and HVAC Components
UAWJB and G117
G113
HVAC Components
HVAC Compressor Controls Circuit Description
G113
G100, G117 and G119
HVAC Compressor Control Schematics CJ4
Fuse Block Details
Fuse Block and HVAC Components
UAWJB and G117
G113
HVAC Components
HVAC Compressor Controls Circuit Description
DLC Schematic
G200 ( 1 of 2)
G113
G100, G117 and G119