GM Service Manual Online
For 1990-2009 cars only

SERVICE MANUAL UPDATE ELECTRICAL DIAGNOSIS

VEHICLES AFFECTED: 1988 B CARS

The following pages reflect corrections and/or product changes. These pages are contained herin:

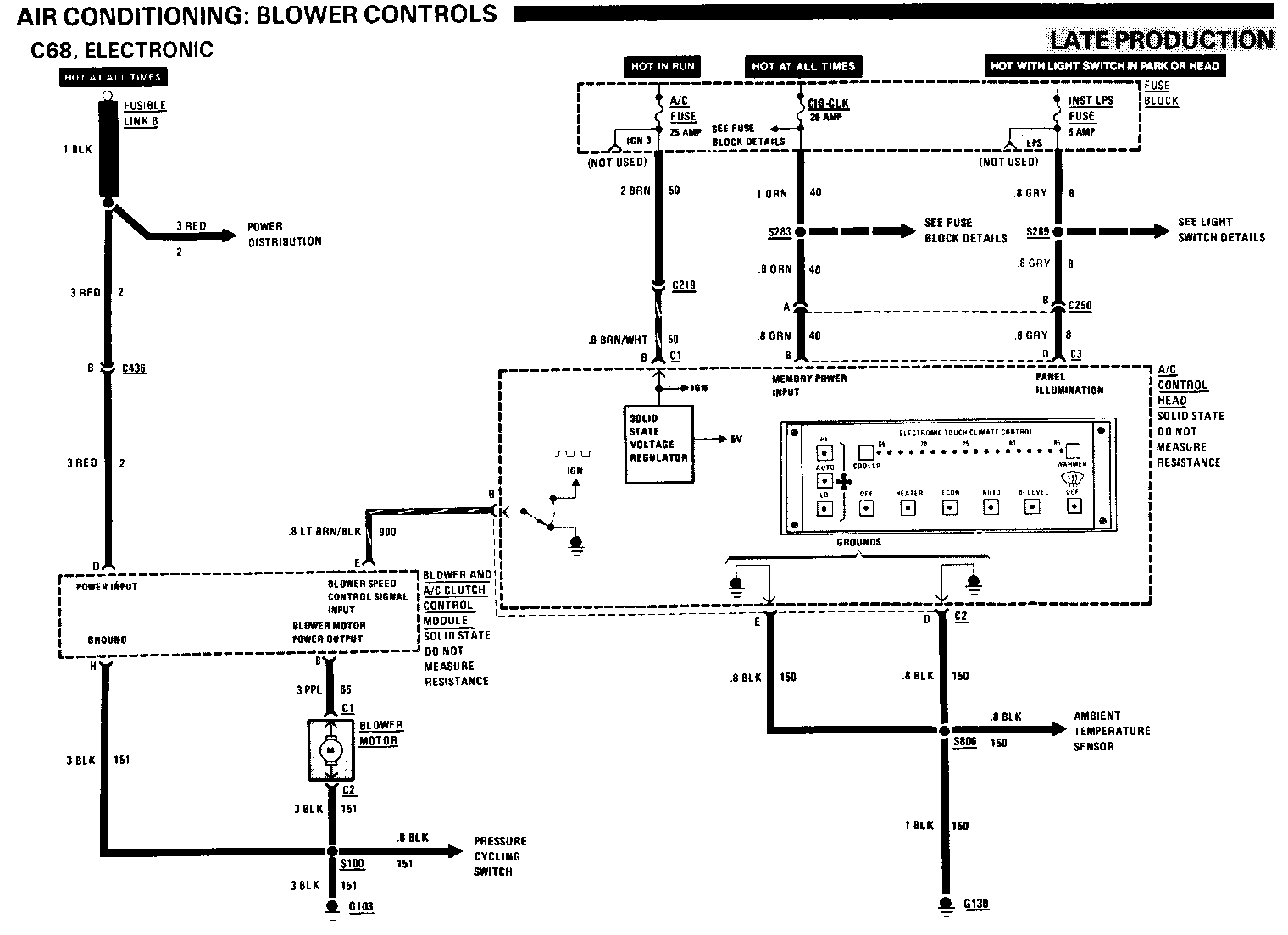
8A-12-1 Light Switch Details 8A-12-3 8A-66-0-A Air Conditioning 8A-67-1-A Air Conditioning 8A-110-1 Exterior Lights 8A-110-2 8A-112-0 Backup Lights 8A-118-0 Trailer Adapter 8A-118-1 8A-130-1-A Tailgate Power Lock

TRAILER ADAPTER: U94

COMPONENT LOCATION

Auxiliary Connector ..... LH rear corner of cargo compartment....... 201- 9-A Brake Switch ............ On brake pedal support.................... 201- 3-D Fuse Block............... Behind LH side of I/P, near shroud........ 201- 4-A Tailer Adapter ........ Behind license plate...................... 201- 9-A Turn Flasher .............At base of steering column, behind I/P.... 201- 8-A C104 (11 cavities) .......Attached to RH side of steering column.... 201- 8-A C209 (11 cavities) .......Body connector, on RH side of Fuse Block.. 201- 4-D C214 (8 cavities) ........LH rear corner of cargo compartment....... 201- 9-A C550 (3 cavities) ........In LH rear corner of cargo compartment.... 201-14-A C551 (3 cavities) ....... In RH rear corner of cargo compartment.... 201-14-A G245 .....................Behind LH tail light assembly............. 201-13-D S427 .................... I/P harness, above Fuse Block ............ 201- 4-A S499 .................... Rear lights harness, LH rear corner of.... 201-14-A cargo compartment

HARNESS CONNECTOR FACES

(For all connector faces not shown, see page 202-0 or 110-0)

TROUBLESHOOTING HINTS

1. If car's Stop, Turn, or Tail Lights do not operate independently with the Trailer Adapter connected, check that ground G245 and trailer ground are clean and tight. Also check/repair WHT (22) wire.

2. Check that Trailer Adapter is properly mated.

3. If trailer Stop/Turn/Hazard Lights do not operate, check vehicle's Stop/Turn/Hazard Lights operation. If OK, check/repair DK GRN (19) and YEL (18) wires to Trailer Adapter. Refer to Section 8A-110 if vehicle's Stop/Turn/Hazard Lights are inoperative.

4. If Tailer Tail Lights do not operate, check vehicle's Tail Light operation. If OK, OK, check/repair BRN (9) wire to Trailer Adapter. Refer to Sectio 8A-110 if vehicle's Tail Lights are inoperative.


Object Number: 74548  Size: FS


Object Number: 74983  Size: FS


Object Number: 74815  Size: FS


Object Number: 74656  Size: FS


Object Number: 74814  Size: FS


Object Number: 74982  Size: FS


Object Number: 74813  Size: FS


Object Number: 74655  Size: FS


Object Number: 94635  Size: MF


Object Number: 74812  Size: FS

General Motors bulletins are intended for use by professional technicians, not a "do-it-yourselfer". They are written to inform those technicians of conditions that may occur on some vehicles, or to provide information that could assist in the proper service of a vehicle. Properly trained technicians have the equipment, tools, safety instructions and know-how to do a job properly and safely. If a condition is described, do not assume that the bulletin applies to your vehicle, or that your vehicle will have that condition. See a General Motors dealer servicing your brand of General Motors vehicle for information on whether your vehicle may benefit from the information.