GM Service Manual Online
For 1990-2009 cars only
Figure 1:

Power, Ground, MIL, DLC


Object Number: 646050  Size: FS
Figure 2:

Ignition System, Knock Sensor


Object Number: 646103  Size: FS
Figure 3:

Fuel Control


Object Number: 646106  Size: FS
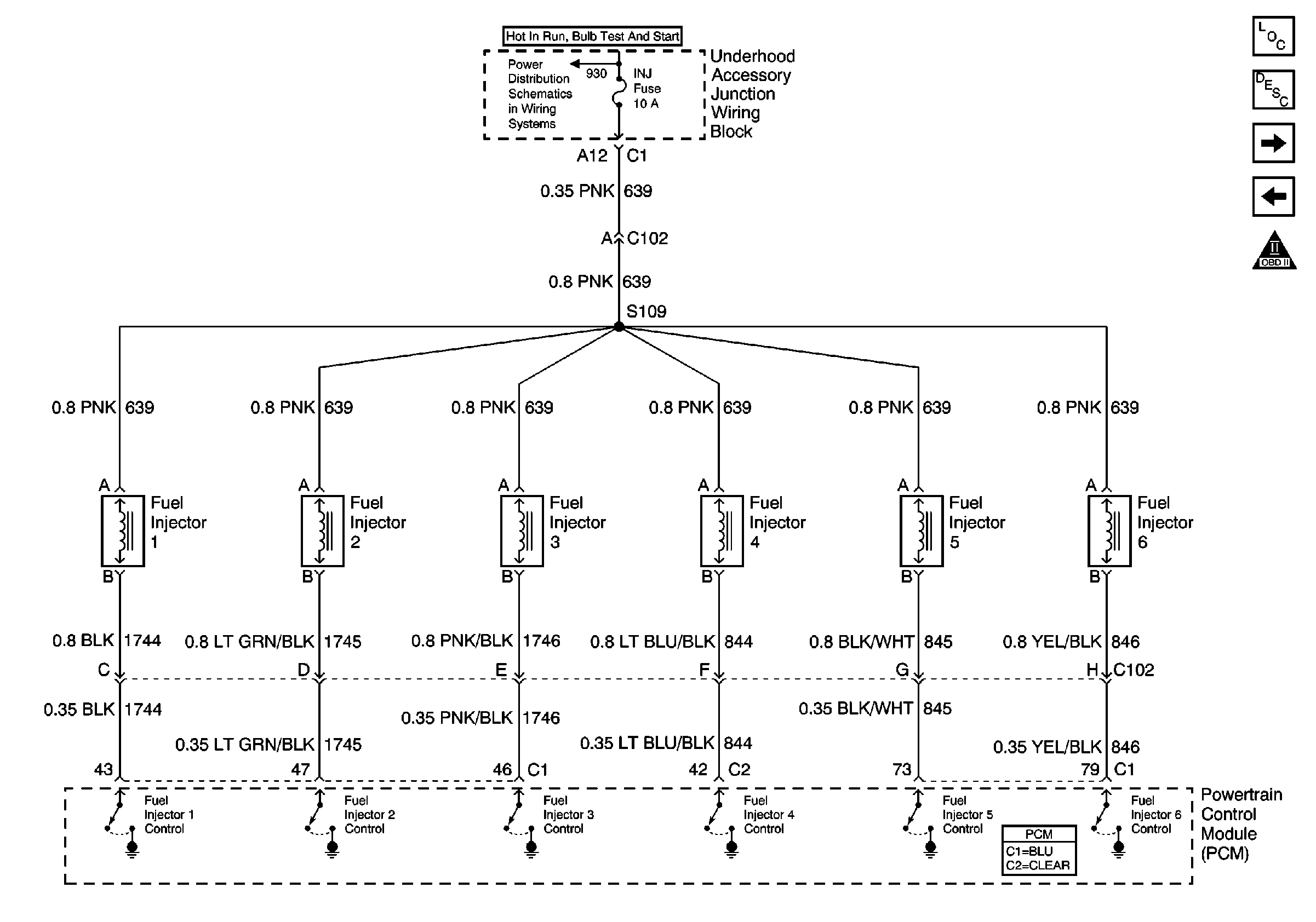
Figure 4:

Fuel Injectors


Object Number: 646110  Size: FS
Figure 5:

Engine Data Sensors, A/C Refrig Press, TP, MAP, ECT, IAT


Object Number: 646112  Size: FS
Figure 6:

Engine Data Sensors, MAF and EGR


Object Number: 646113  Size: FS
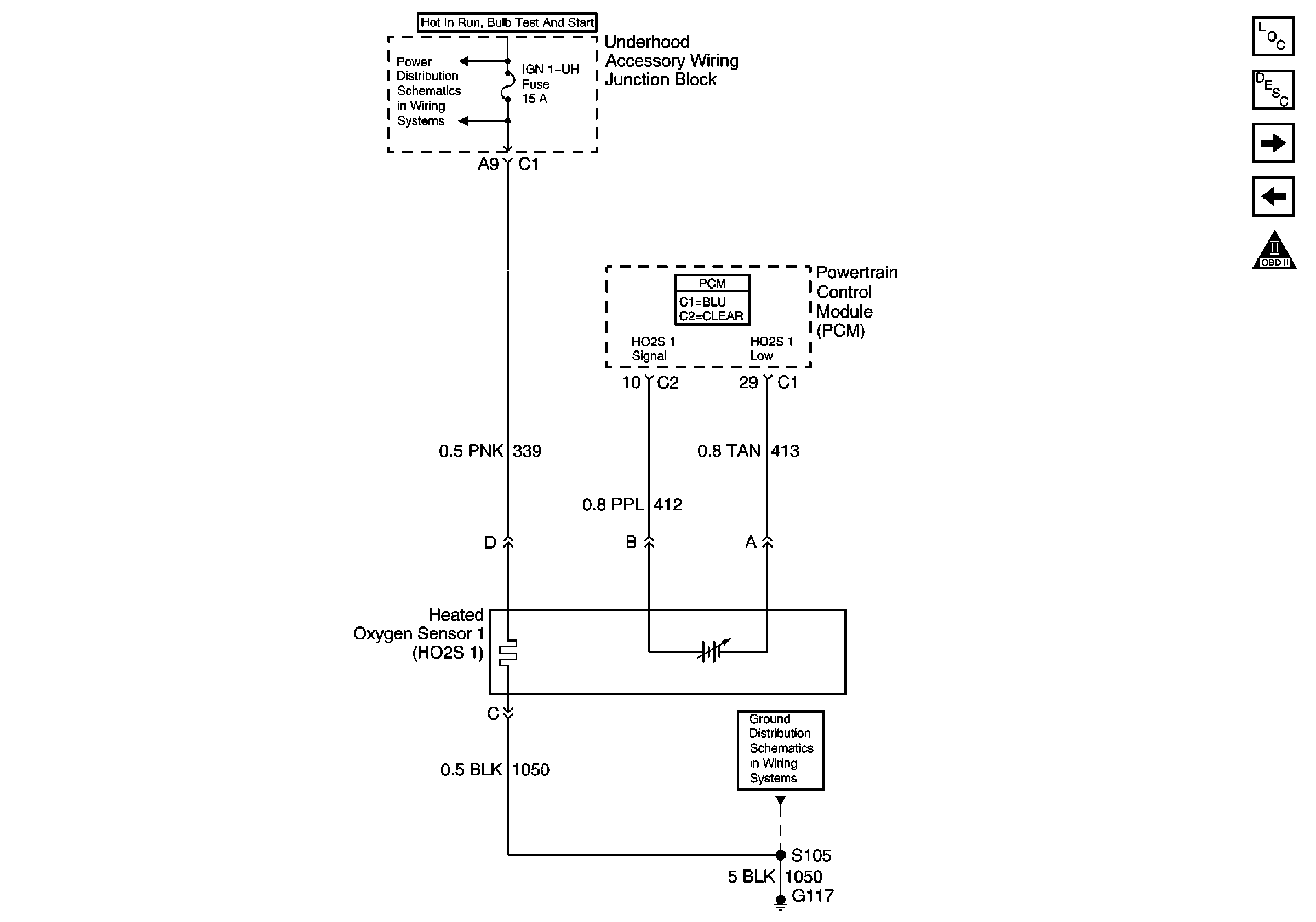
Figure 7:

Engine Data Sensors, HO2S1


Object Number: 646114  Size: FS
Figure 8:

IAC Valve, Engine Oil Level Sensor


Object Number: 646116  Size: FS
Figure 9:

A/C Compressor Controls


Object Number: 646119  Size: FS
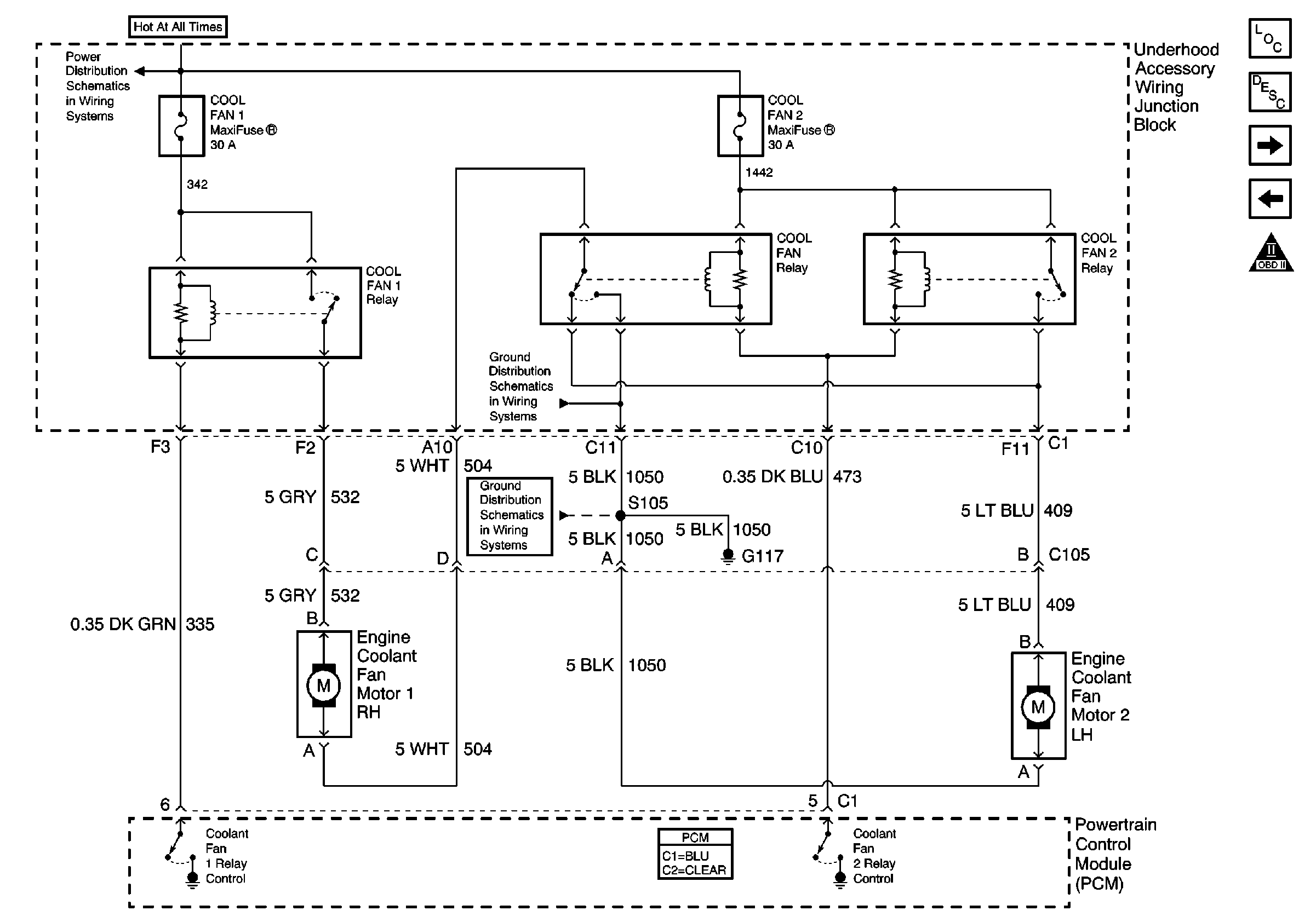
Figure 10:

Coolant Fans


Object Number: 646122  Size: FS
Figure 11:

VSS


Object Number: 646125  Size: FS
Figure 12:

Automatic Transaxle


Object Number: 646132  Size: FS
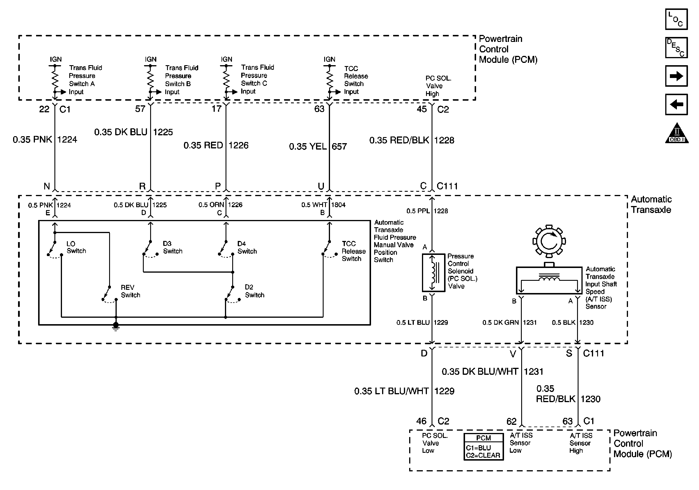
Figure 13:

Automatic Transaxle


Object Number: 646134  Size: FS
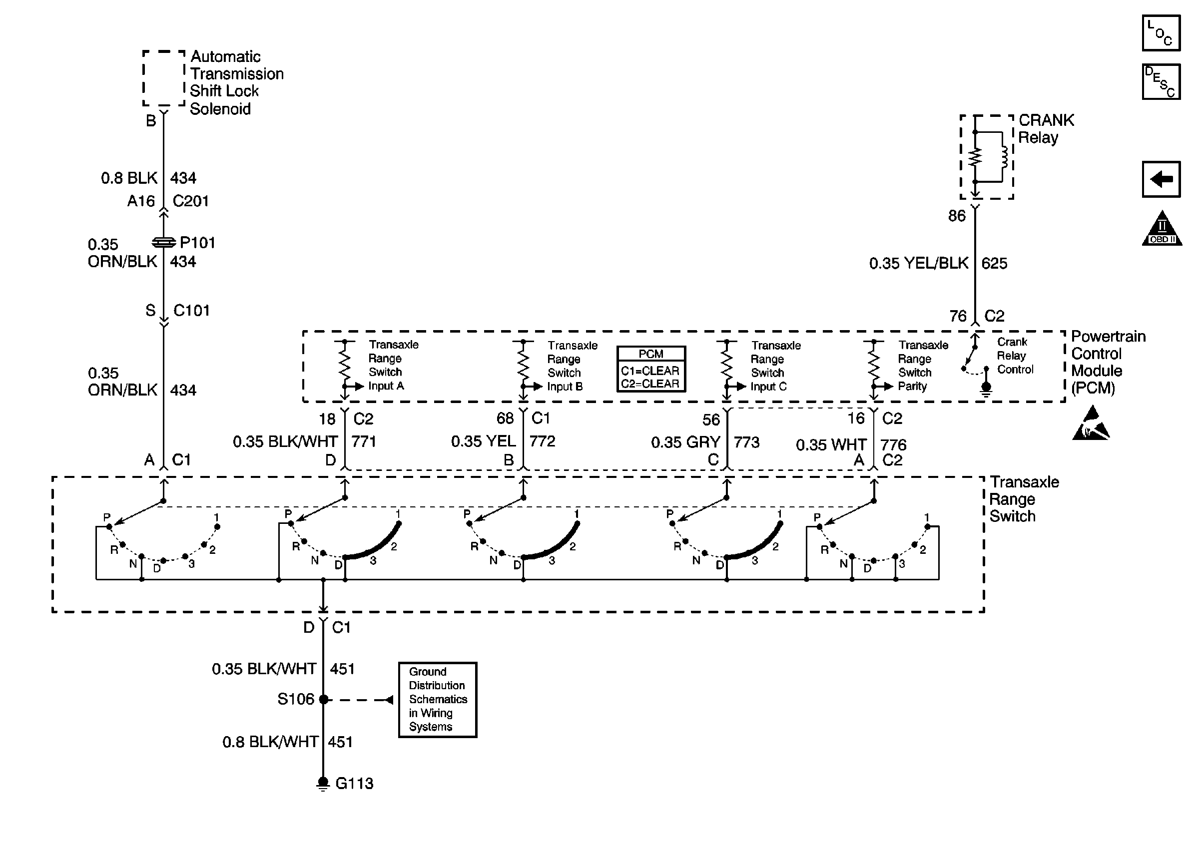
Figure 14:

Transaxle Range Switch


Object Number: 646135  Size: FS