GM Service Manual Online
For 1990-2009 cars only
Makes
🢒
Buick
🢒
2000
🢒
GL7 (Export)
🢒
Engine
🢒
Engine Electrical
🢒 Starting and Charging Schematics
Starting
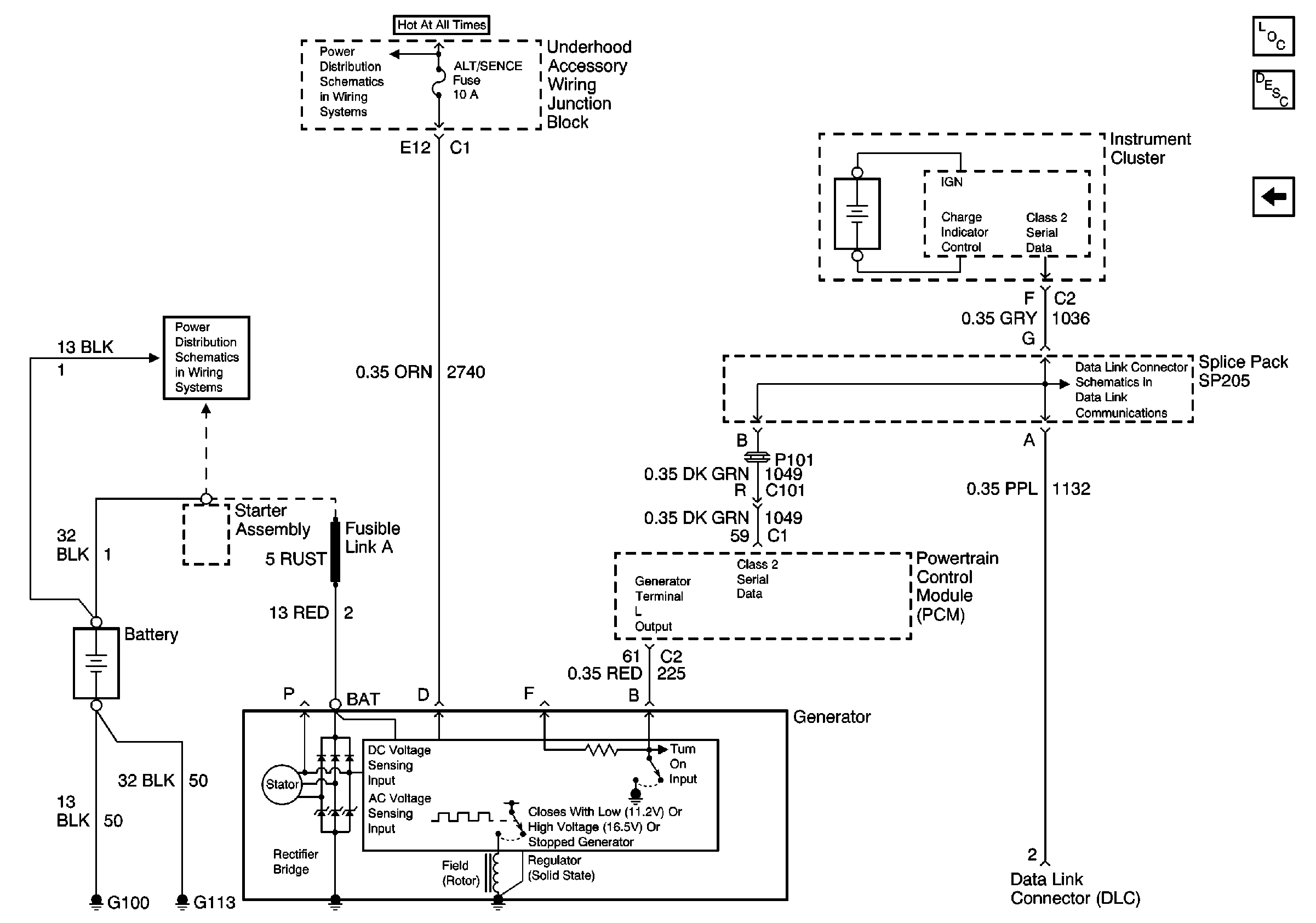
Charging