GM Service Manual Online
For 1990-2009 cars only
Makes
🢒
Buick
🢒
2000
🢒
GL7 (Export)
🢒
Brakes
🢒
Antilock Brake System
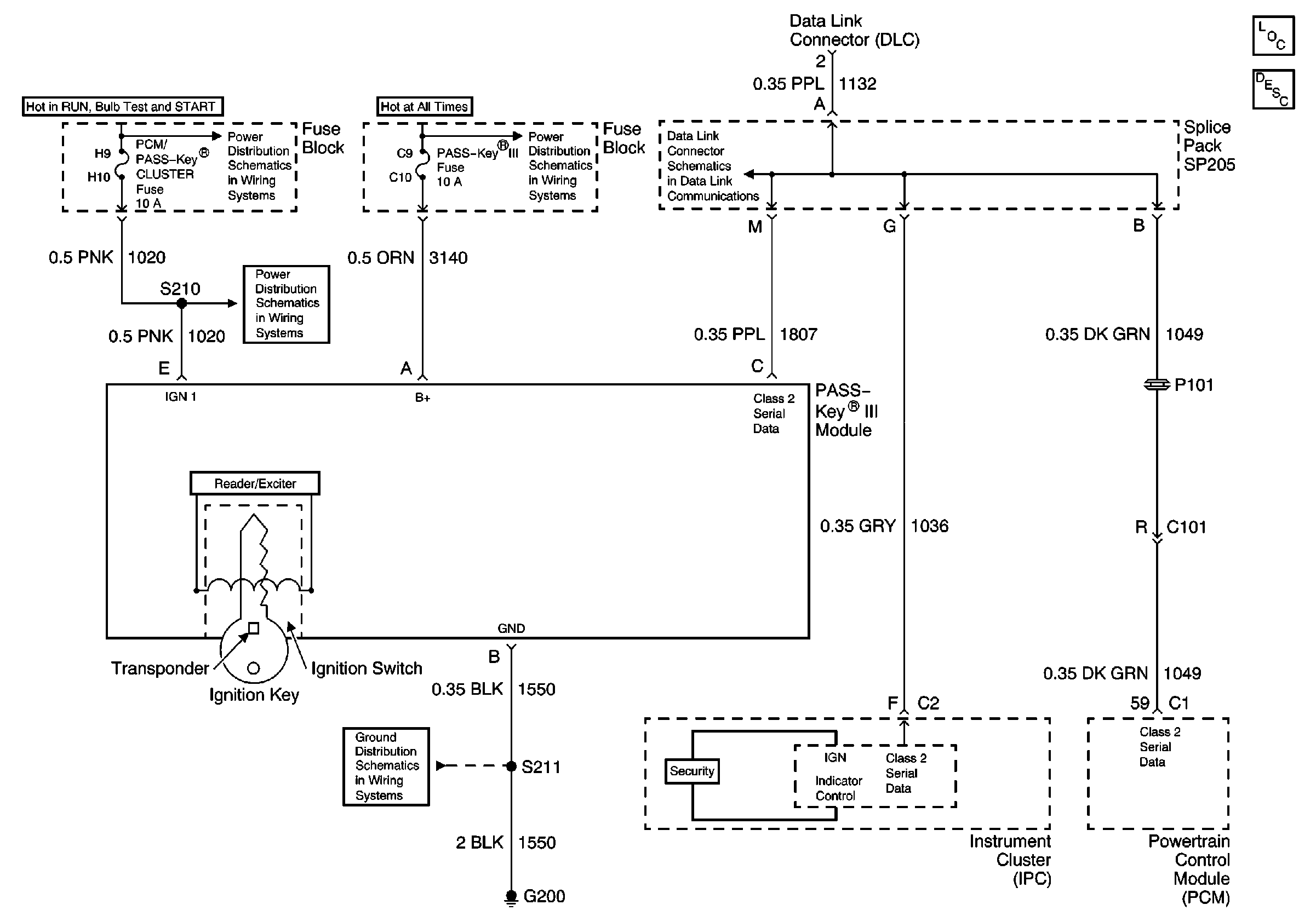
🢒 Theft Deterrent System Schematics