GM Service Manual Online
For 1990-2009 cars only
Makes
🢒
Buick
🢒
2000
🢒
GL7 (Export)
🢒
Transmission/Transaxle
🢒
Automatic Transaxle - 4T65-E
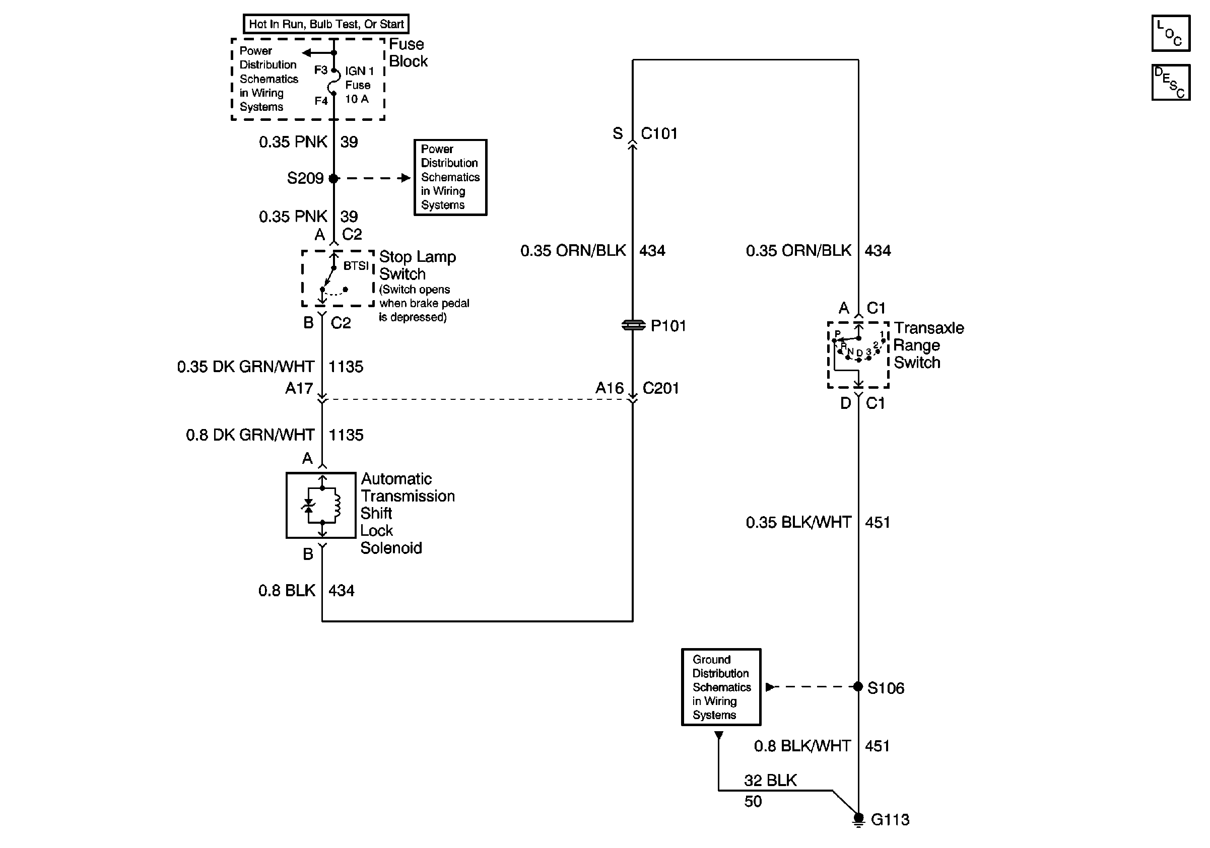
🢒 Shift Lock Control Schematics
Brake Transmission Shift Interlock (BTSI)