GM Service Manual Online
For 1990-2009 cars only
Makes
🢒
Buick
🢒
2000
🢒
GL7 (Export)
🢒
HVAC
🢒
HVAC Systems - Manual
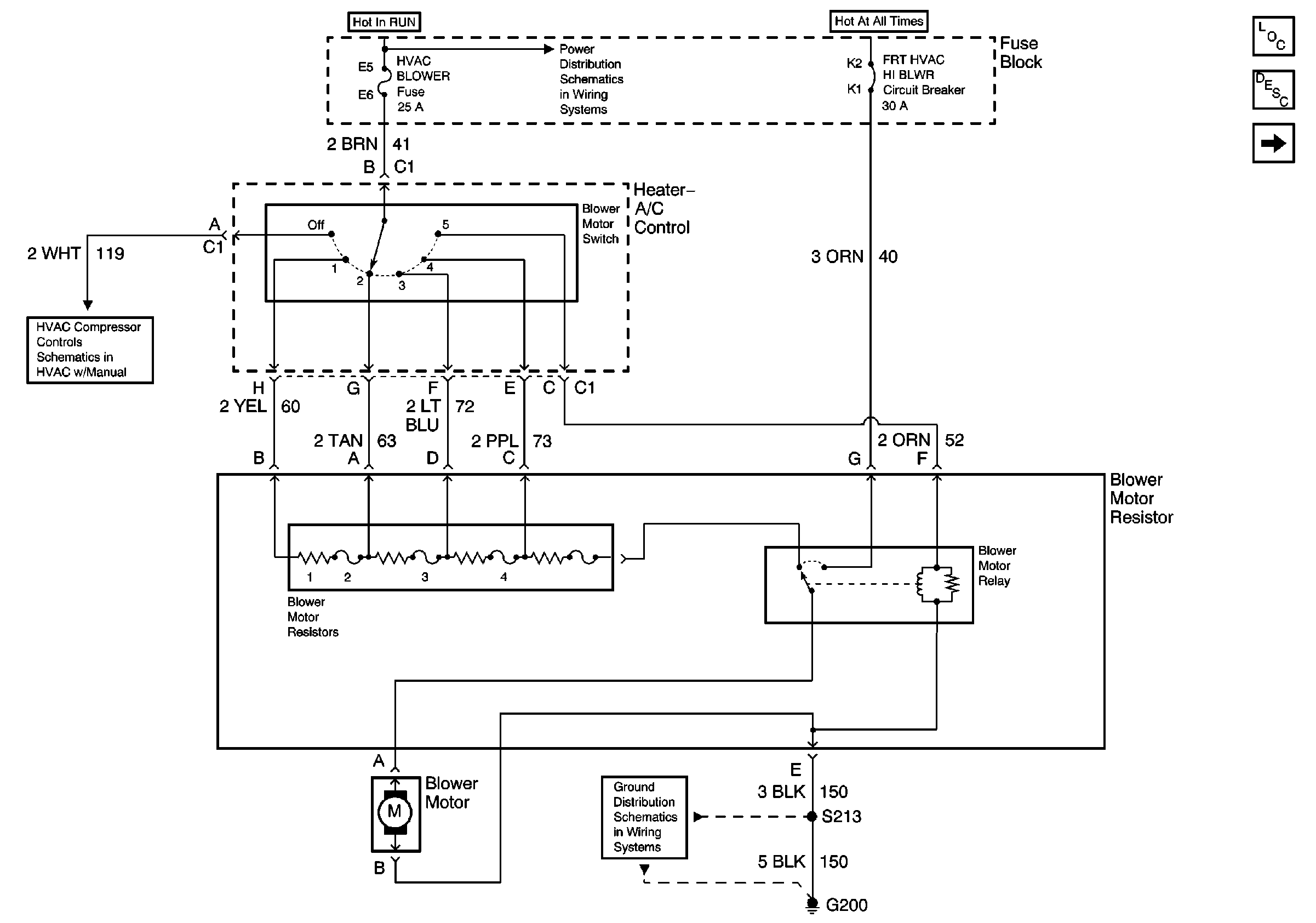
🢒 HVAC Blower Control Schematics
Figure
1:
Front Blower Controls
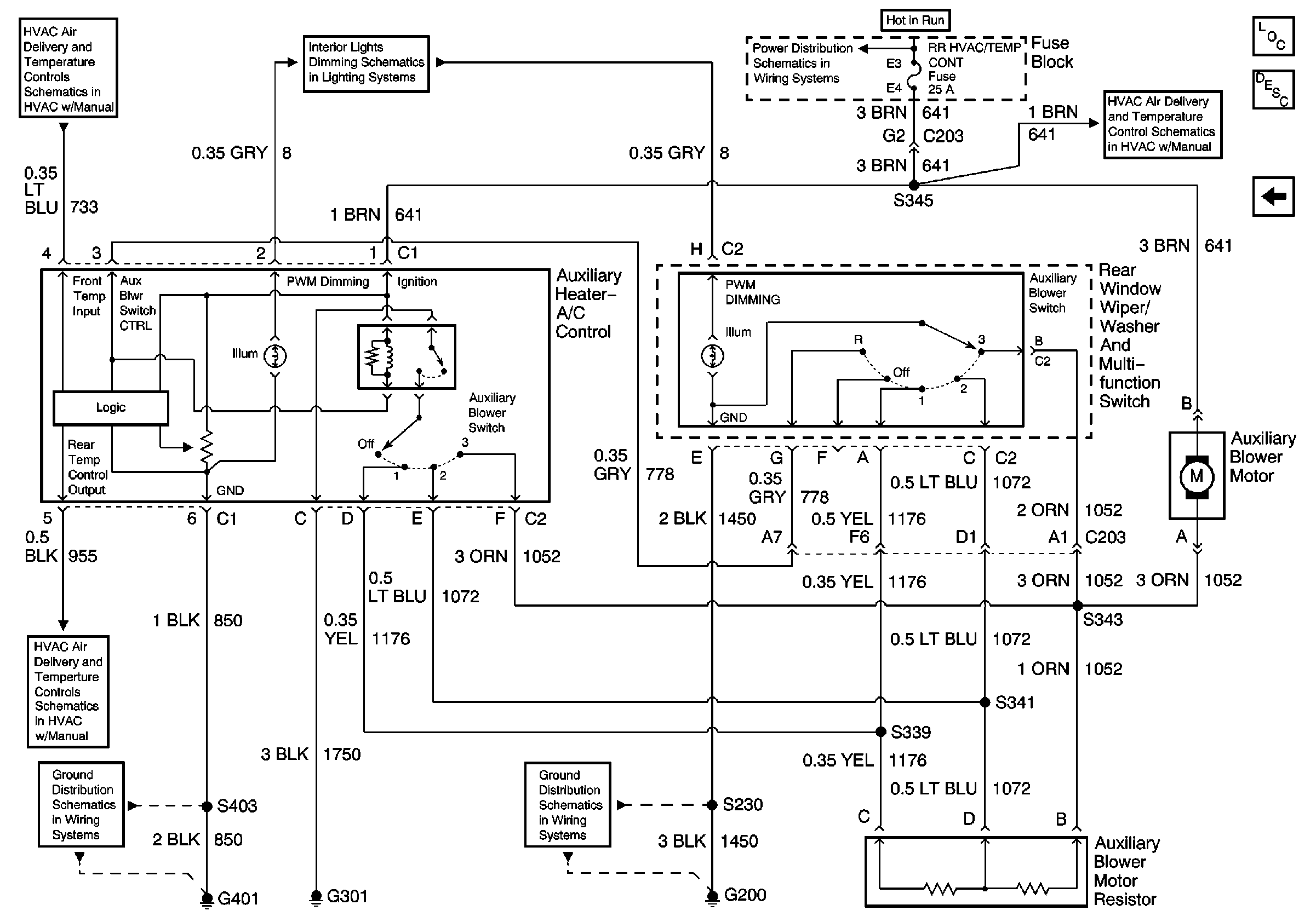
Figure
2:
Rear Blower Controls