GM Service Manual Online
For 1990-2009 cars only
Makes
🢒
Buick
🢒
2000
🢒
GL7 (Export)
🢒
HVAC
🢒
HVAC Systems - Manual
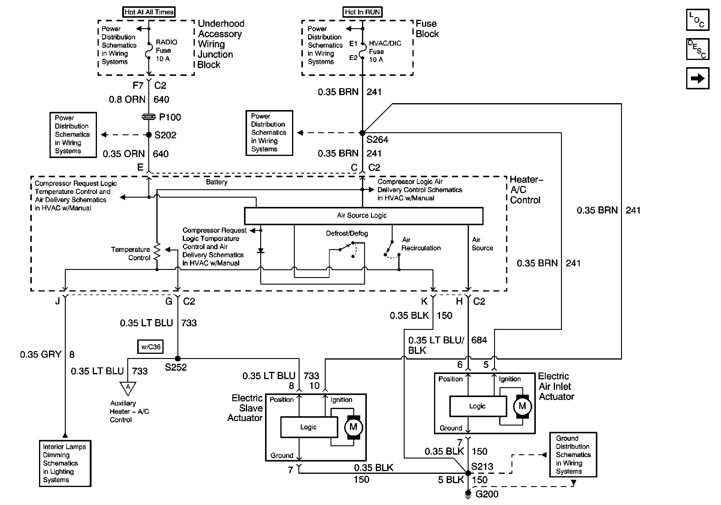
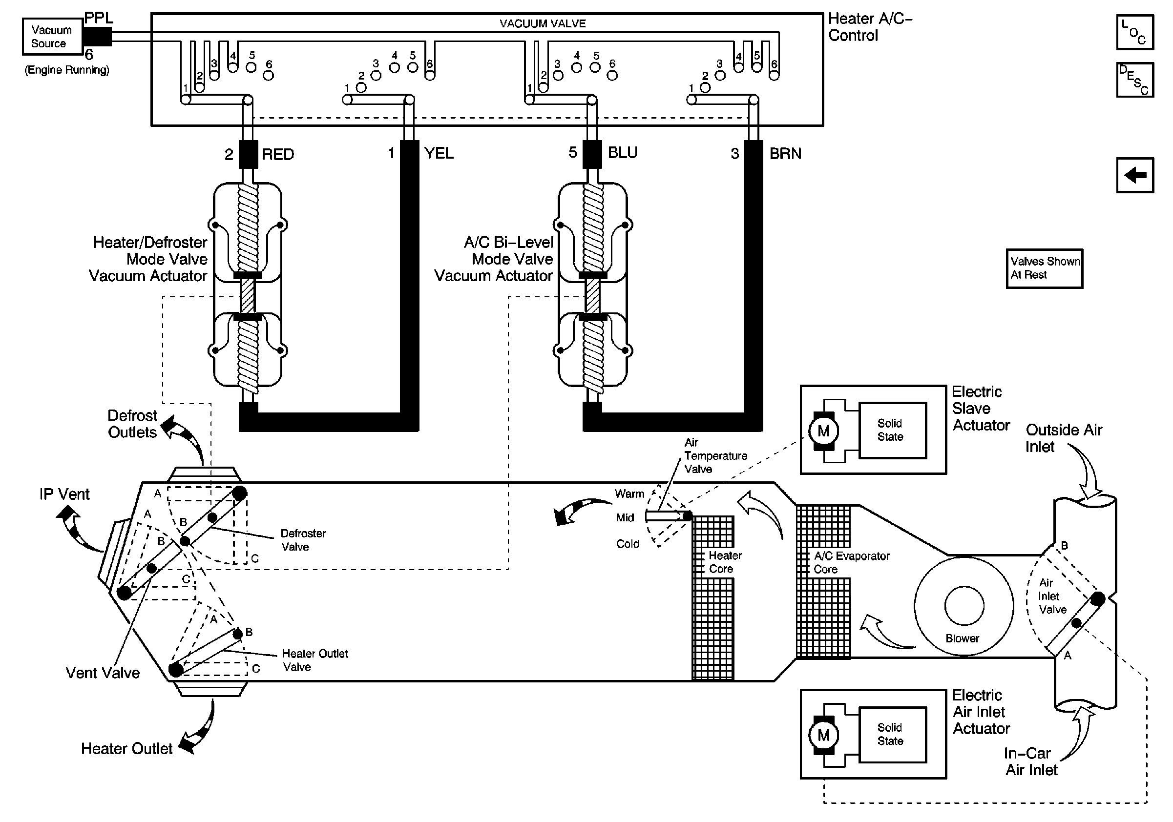
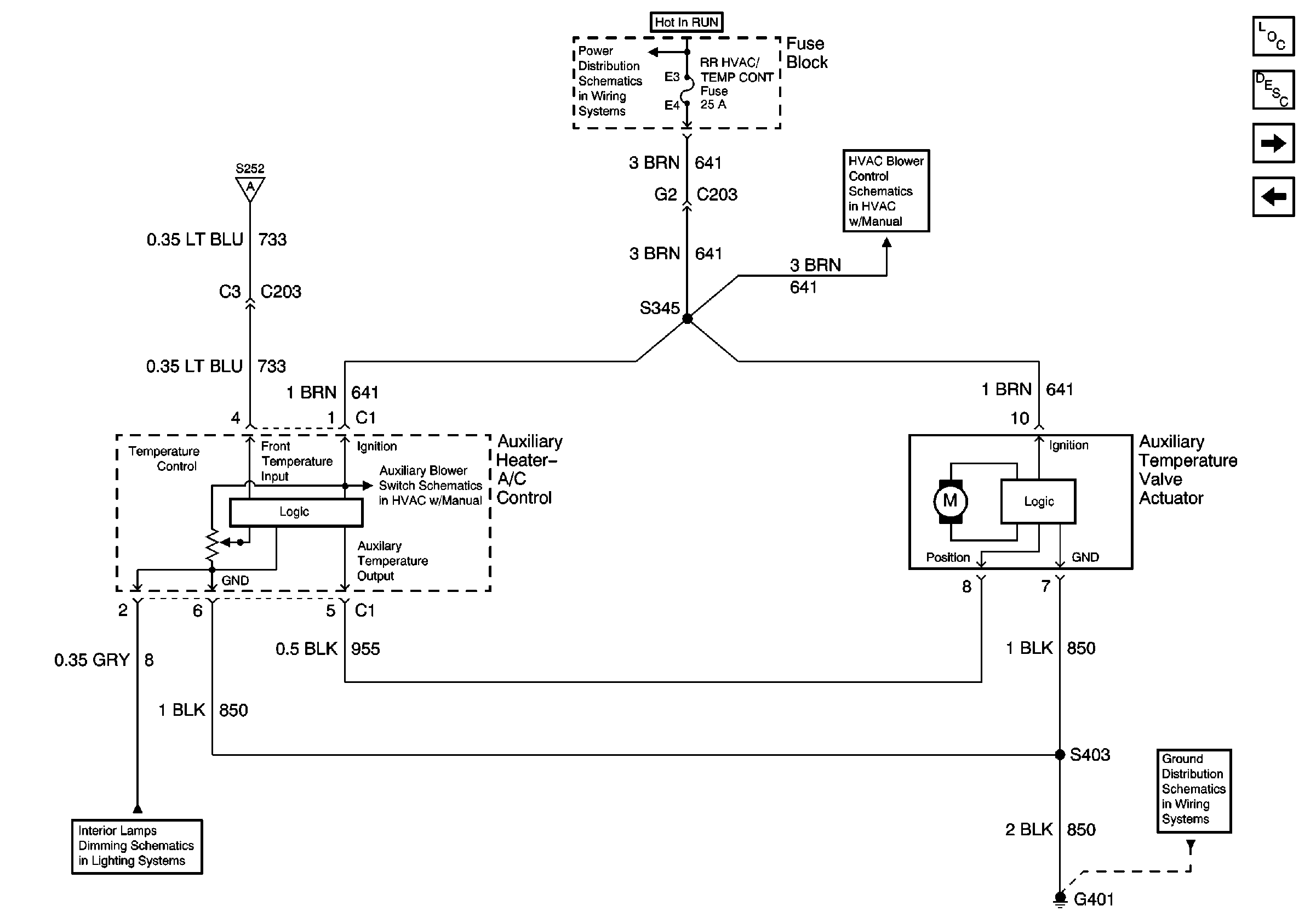
🢒 HVAC Air Delivery/Temperature Control Schematics
Figure
1:
Front Air Delivery
Figure
2:
Raer Air Delivery
Figure
3:
Vacuums