GM Service Manual Online
For 1990-2009 cars only
Figure 1:

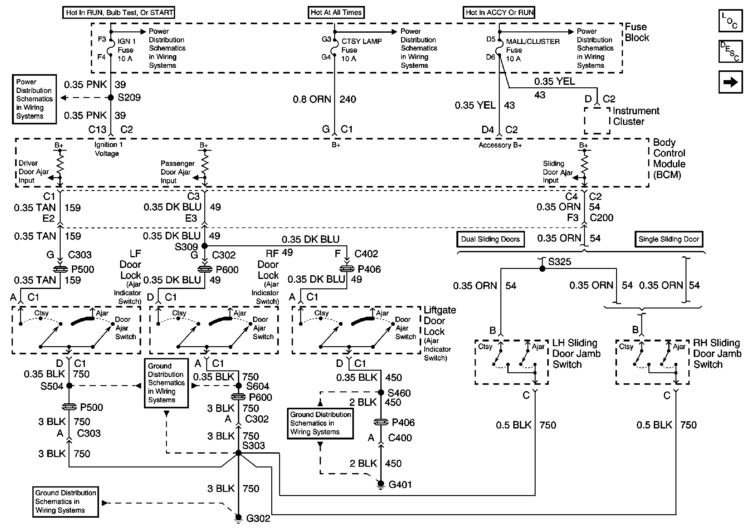
Door Locks, Sliding Door Jamb Switches, Liftgate Door Lock


Object Number: 645262  Size: FS
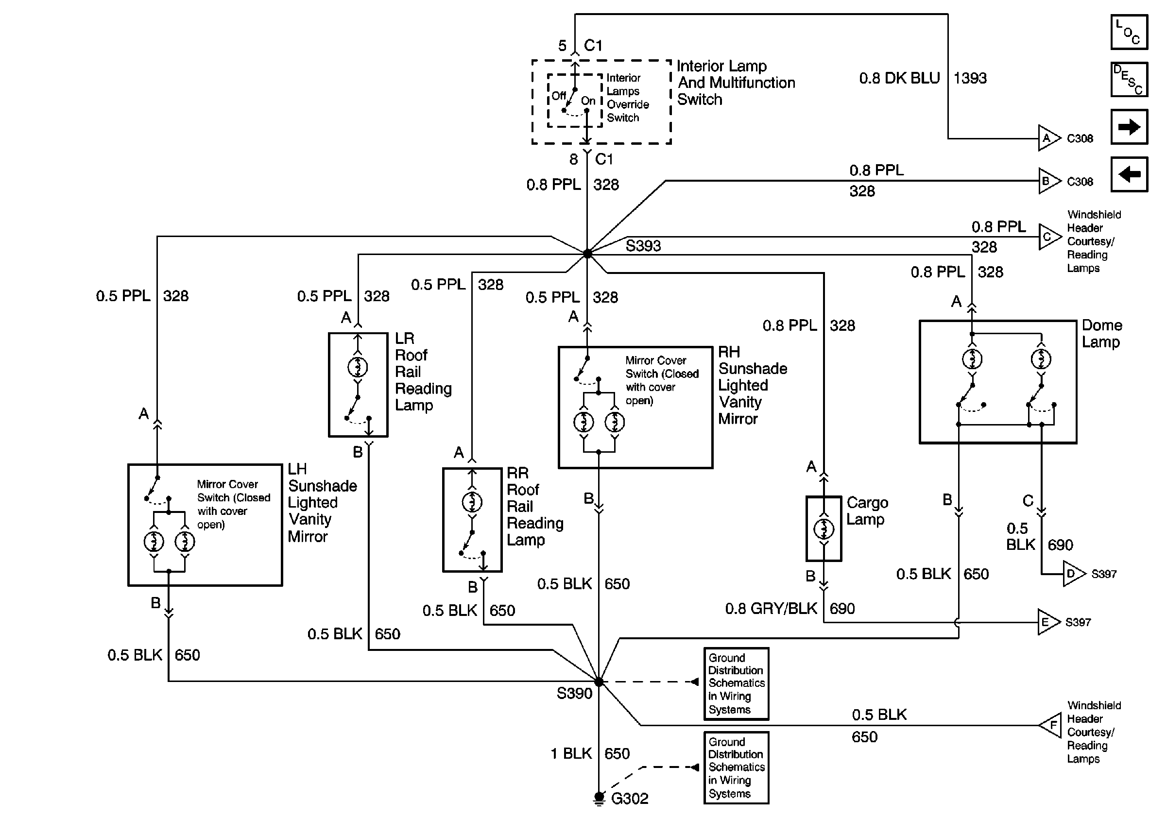
Figure 2:

Interior Lamp and Multifunction Switch, Sunshade Lighted Vanity Mirror


Object Number: 645267  Size: FS
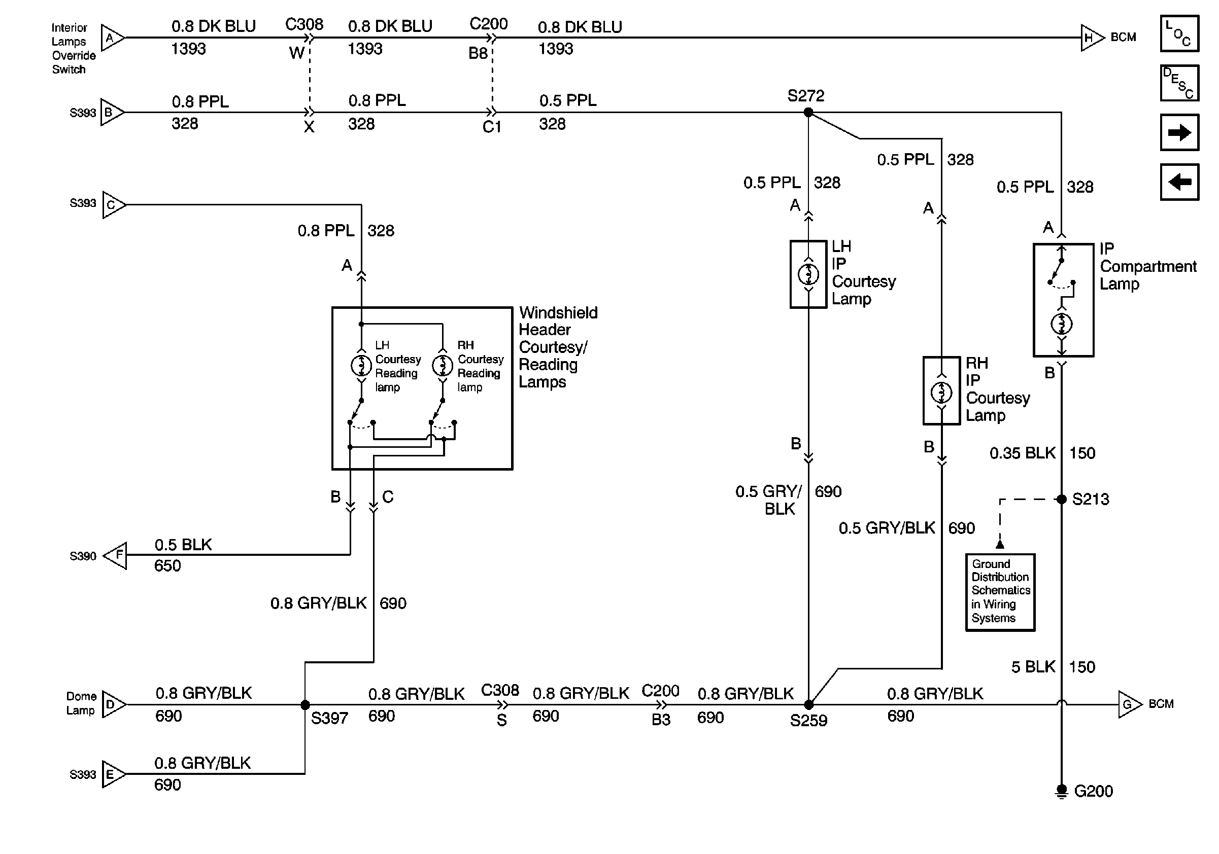
Figure 3:

Underhood Lamp, Windshield Header/Courtesy Reading Lamps


Object Number: 645276  Size: FS
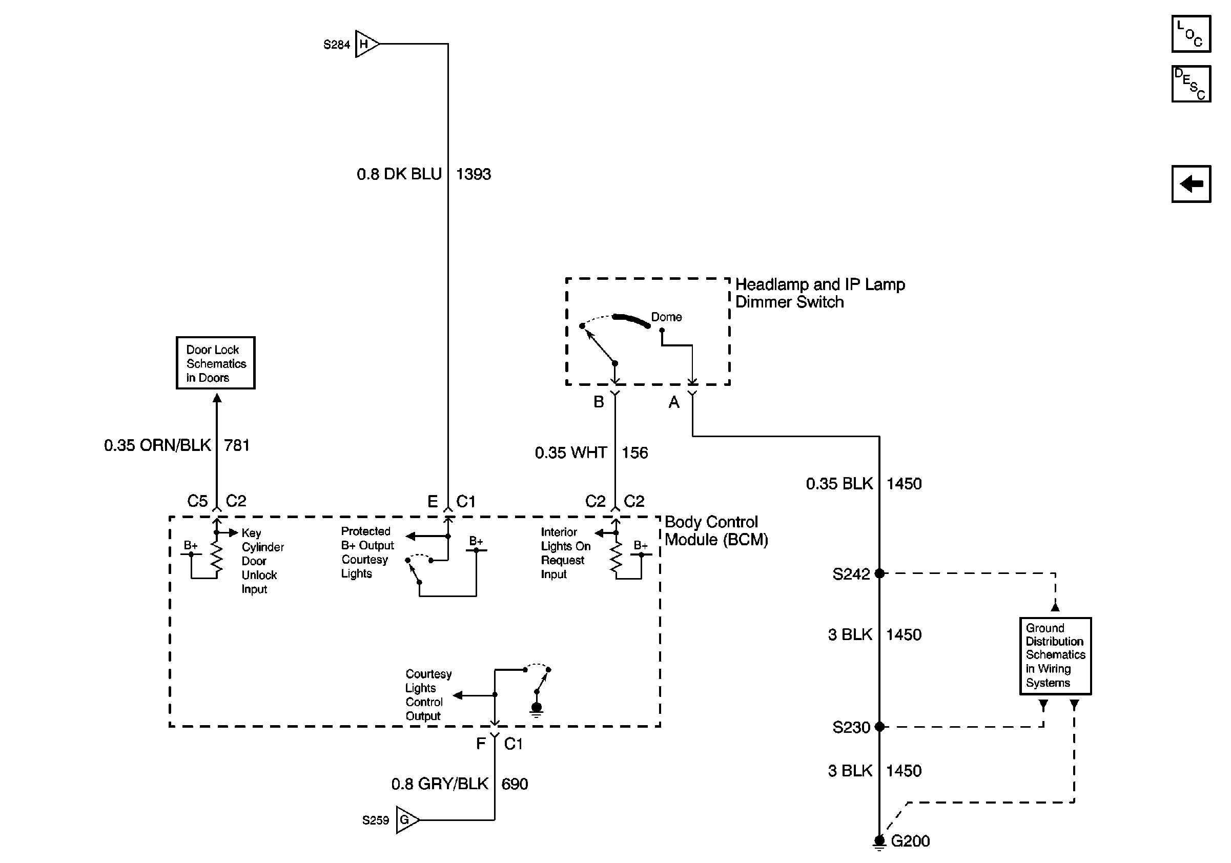
Figure 4:

Headlamp and IP Lamp Dimmer Switch


Object Number: 645279  Size: FS