GM Service Manual Online
For 1990-2009 cars only

Refer to Engine Controls Schematic

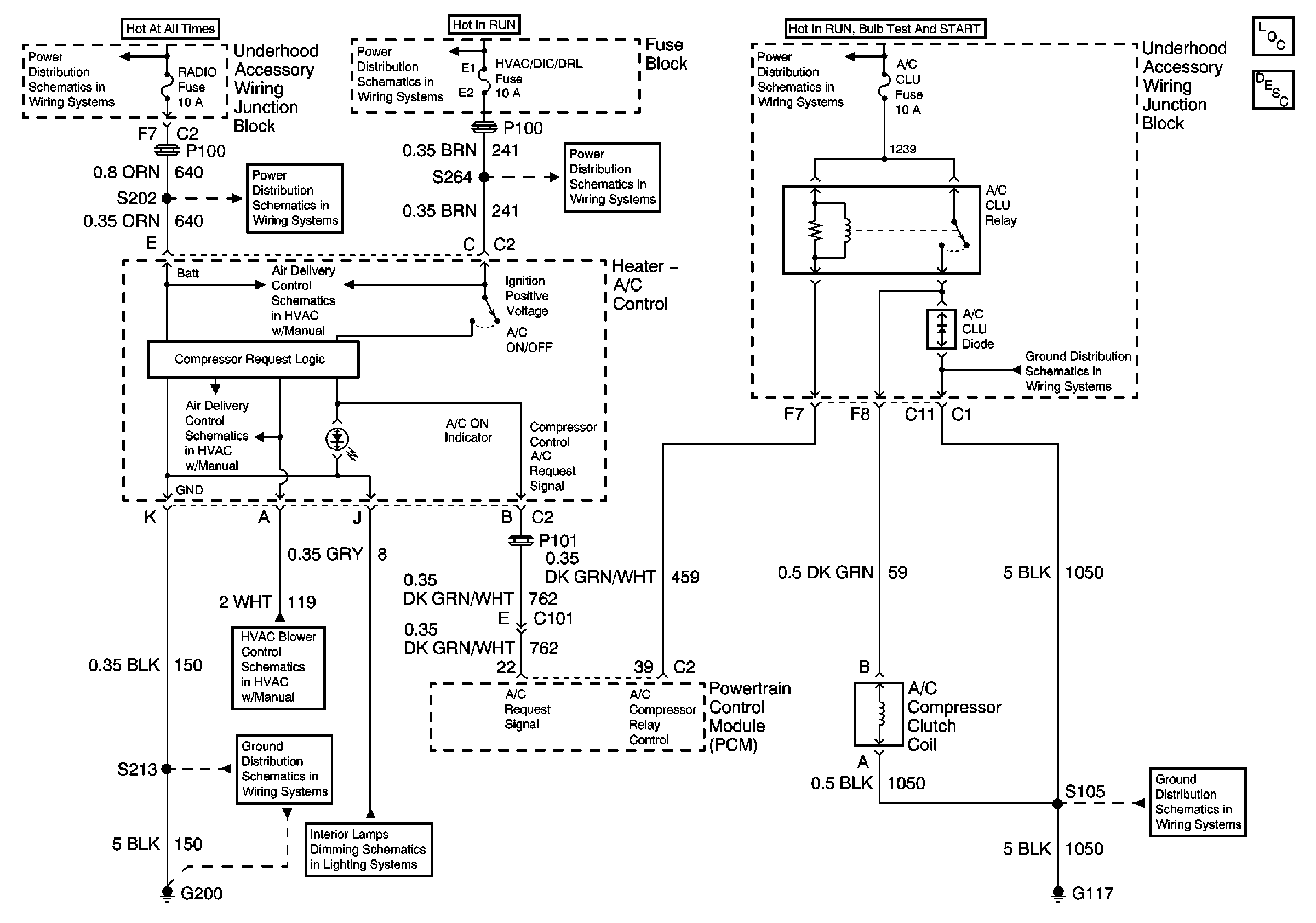
A/C Compressor Controls


Object Number: 646119  Size: FS
,

Engine Data Sensors, A/C Refrig Press, TP, MAP, ECT, IAT


Object Number: 646112  Size: FS
, and

HVAC Compressor Control


Object Number: 645218  Size: FS
in HVAC Systems -- Manual.

Circuit Description

When A/C is selected through the A/C controller a signal is supplied to the PCM through a 12 volt A/C request circuit to the PCM. The PCM monitors the A/C refrigerant pressure. If the A/C refrigerant pressure, and engine operating conditions are within a specific calibrated acceptable ranges the PCM will enable the A/C Relay. This is accomplished by providing a ground path for the A/C Relay coil within the PCM. When the A/C compressor relay is enabled battery positive voltage is supplied to the compressor clutch coil.

The PCM will enable the A/C compressor clutch whenever the engine is running and the A/C has been requested, unless any of the following conditions are met:

    •  Throttle more than 96 percent
    •  A/C pressure sensor more than 440 psi (4.6 volts) or less than 36 psi (0.35 volt) (as determined by the A/C pressure sensor)
    •  Ignition voltage below 10.0 volts
    •  Engine speed more than 4700 RPM
    •  ECT more than 124°C (257°F)
    •  IAT less than 5°C (41°F)
    •  An open or a short to ground in the 12 Volt A/C request circuit

Diagnostic Aids

Inspect for the following conditions:

Important: :  Remove any debris from the connector surfaces before servicing a component. Inspect the connector gaskets when diagnosing or replacing a component. Ensure that the gaskets are installed correctly. The gaskets prevent contaminate intrusion.

    •  Poor terminal connection.
        Inspect the harness connectors for backed out terminals, improper mating, broken locks, improperly formed or damaged terminals, and faulty terminal to wire connection. Use a corresponding mating terminal to test for proper tension. Refer to Wiring Systems for diagnosis and repair.
    •  Damaged harness.
        Inspect the wiring harness for damage. If the harness inspection does not reveal a problem, observe the display on the scan tool while moving connectors and wiring harnesses related to the sensor. A change in the scan tool display may indicate the location of the fault. Refer to Wiring Systems for diagnosis and repair.
    •  Inspect the PCM and the engine grounds for clean and secure connections.

If the DTC is determined to be intermittent, reviewing the Failure Records can be useful in determining when the DTC was last set.

Step

Action

Values

Yes

No

1

Did you perform the Powertrain On Board Diagnostic (OBD) System Check?

--

Go to Step 2

Go to Powertrain On Board Diagnostic (OBD) System Check

2

Are any PCM, or BCM DTCs stored?

--

Diagnose the applicable DTCs

Go to Step 3

3

Important: :  The following conditions must be met before continuing with this step:

   •  Ambient air temperature must be above 5°C (41°F)
   •  A/C pressure must be above 241 kPa (0.4 volts)
   •  Coolant temperature must be below 121°C (250°F)

  1. Turn the A/C Selector Switch OFF.
  2. Turn the ignition switch ON (with the engine OFF).
  3. Test for the engagement of the A/C clutch.

Is the A/C Clutch engaged?

--

Go to Step 13

Go to Step 4

4

  1. Start and operate the engine at 1000 - 1500 RPM.
  2. Turn the A/C selector switch to an A/C mode.
  3. Observe the A/C clutch.

Is the A/C clutch engaged?

--

Go to Diagnostic Aids

Go to Step 5

5

  1. Leave the A/C selector switch turned to an A/C mode.
  2. Observe the A/C Request display on the scan tool.

Does the A/C Request display YES?

--

Go to Step 8

Go to Step 6

6

Observe the A/C pressure sensor display on the scan tool.

Does the A/C pressure sensor indicate a voltage between the specified values?

0.4V - 4.6V

Go to Cooling Insufficient - Air Conditioning (A/C) System in Heating, Ventilation and Air Conditioning

Go to Step 7

7

  1. Connect a J 39500-B Refrigerant Recovery, Recycling, and Recharging (ACR4) to monitor high side refrigerant pressure.
  2. Observe high side refrigerant pressure on the J 39500-B Refrigerant Recovery, Recycling, and Recharging (ACR4) gauge.

Is high side refrigerant pressure within the specified values?

35 psi - 440 psi

Go to Cooling Insufficient - Air Conditioning (A/C) System in HVAC

Go to DTC P0530 Air Conditioning (A/C) Refrigerant Pressure Sensor Circuit

8

Inspect the A/C CLU fuse.

Is the A/C CLU fuse open?

--

Go to Step 9

Go to Step 10

9

  1. Remove the A/C CLU fuse.
  2. Remove the A/C Relay. Refer to Compressor Relay Replacement in Heating, Ventilation, and Air Conditioning.
  3. Test for the following circuit conditions:
  4. •  Short to ground in the battery positive feed to the A/C relay
    •  Short to ground in the battery positive feed to the A/C clutch
    •  Shorted diode
  5. Refer to Wiring Repairs in Wiring Systems.

Did you find and correct the condition?

--

Go to Step 18

Go to Step 15

10

  1. Remove the A/C relay. Refer to Compressor Relay Replacement .
  2. Connect a 10A fused jumper between the battery positive and A/C clutch coil feed cavities in the A/C relay connector.

Is the A/C clutch engaged?

--

Go to Step 12

Go to Step 11

11

Test for the following circuit conditions:

    •  An open in the battery positive feed circuit to the A/C relay
    •  An open in the battery positive feed circuit to the A/C clutch
    •  An open in the A/C clutch ground circuit
    •  Poor terminal connections in the A/C clutch coil connector--Refer to Testing for Intermittent Conditions and Poor Connections and Wiring Repairs in Wiring Systems.

Did you find and correct the condition?

--

Go to Step 18

Go to Step 15

12

Test for poor terminal connections in the A/C Relay in the Underhood Accessory Wiring Junction Block. Refer to Testing for Intermittent Conditions and Poor Connections and Wiring Repairs in Wiring Systems. If a poor terminal connection is found replace the

Underhood Accessory Wiring Junction Block Label


Object Number: 643829  Size: MF
. Refer to Relay/Fuse Center Replacement in Wiring Systems

Did you find and correct the condition?

--

Go to Step 18

Go to Step 16

13

  1. Turn the ignition OFF.
  2. Remove the A/C relay. Refer to Compressor Relay Replacement in Heating, Ventilation, and Air Conditioning.
  3. Turn the ignition ON.

Is the A/C clutch engaged?

--

Go to Step 14

Go to Step 16

14

Disconnect the A/C clutch connector.

Is the A/C clutch engaged?

--

Go to Step 15

Go to Step 17

15

Replace the A/C clutch. Refer to Air Conditioning Clutch Coil Removal in Heating, Ventilation, and Air Conditioning.

Did you complete the replacement?

--

Go to Step 18

--

16

Replace the A/C relay. Refer to Compressor Relay Replacement in Heating, Ventilation, and Air Conditioning.

Did you complete the replacement?

--

Go to Step 18

--

17

Locate and repair the short to voltage in the battery positive feed circuit to the A/C clutch. Refer to Wiring Repairs in Wiring Systems.

Did you complete the repair?

--

Go to Step 18

--

18

Important: :  The following conditions must be met before continuing with this step:

   •  Ambient air temperature must be above 5°C (41°F).
   •  A/C pressure must be above 241 kPa (0.4 volts).
   •  Coolant temperature must be below 121°C (250°F).

  1. Start and operate the engine between 1000-1500 RPM.
  2. Turn the A/C selector switch to the ON position.
  3. Listen for engagement of the A/C clutch.
  4. Wait 5 seconds and then turn the A/C selector OFF.
  5. Listen for disengagement of the A/C clutch.

Did the A/C clutch engaged and disengage?

--

System OK

Go to Step 3