GM Service Manual Online
For 1990-2009 cars only
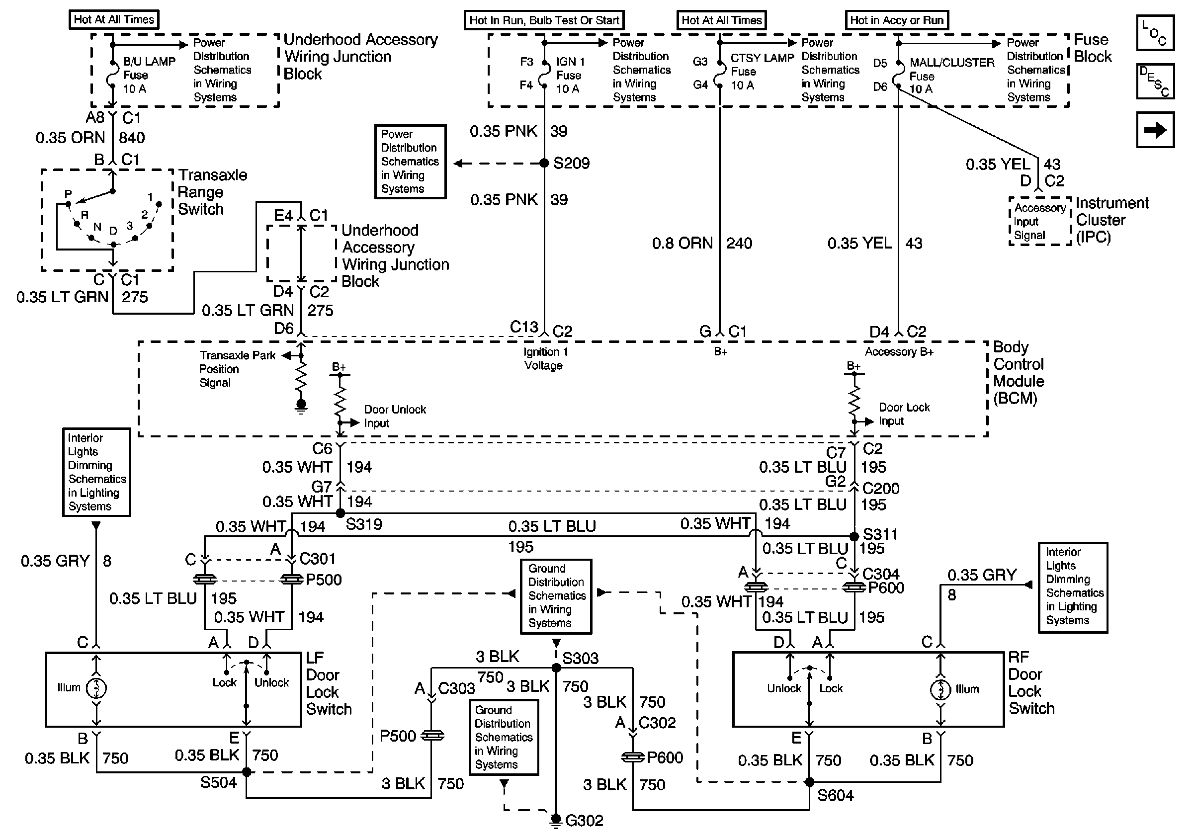
Figure 1:

Door Lock Switches


Object Number: 645627  Size: FS
Figure 2:

Key Cylinder Switches


Object Number: 645632  Size: FS
Figure 3:

Door Lock Actuators


Object Number: 645637  Size: FS
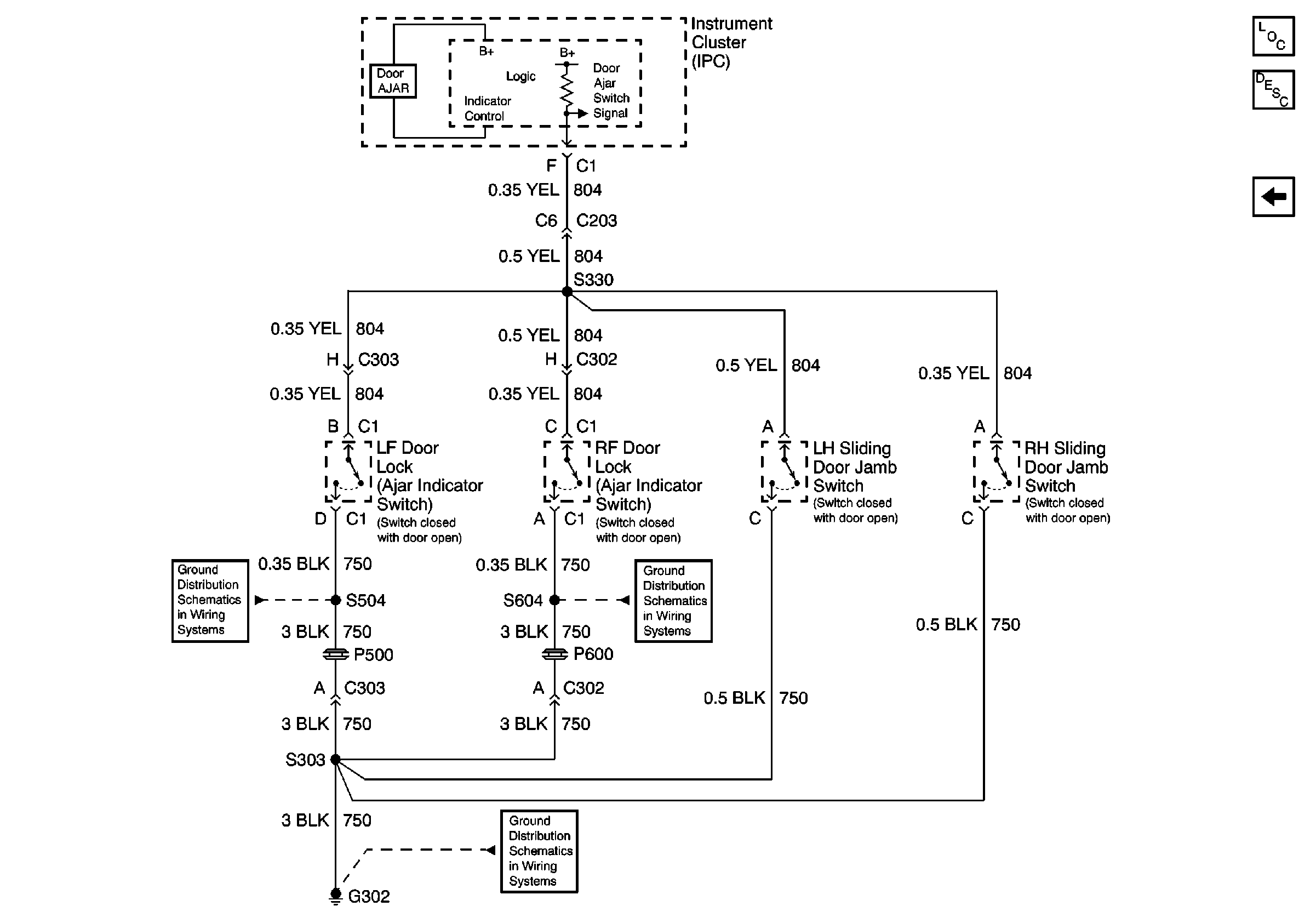
Figure 4:

IP DOOR AJAR Telltale


Object Number: 645645  Size: FS