| Figure 1: |
Battery, ALT/SENSE, B/U LAMP, ECM SENSE, PARK LP, and RADIO Fuses
|
| Figure 2: |
Underhood Accessory Wiring Junction Block
|
| Figure 3: |
BATT MAIN 1, CLUSTER BATT, RR PWR SCKT, PWR LOCK, RAP RELAY, CTSY LAMP,
FRT PWR SCKT, CIGAR/DLC, and PWR MIRROR Fuses
|
| Figure 4: |
BATT MAIN 2, RR DEFOG/HTD MIRRORS, and RR FOG LP Fuses
|
| Figure 5: |
Ignition Switch, IGN MAIN 1, PCM/ABS, and PCM/CRANK Fuses
|
| Figure 6: |
IGN 1, SDM, T/SIG, PCM/PASSKEY/CLUSTER Fuses
|
| Figure 7: |
Ignition Switch, IGN MAIN 2, BCM PRGRM, RR WPR/WSHR, MALL/CLUSTER,
and FRT/WPR/WSHR Fuses
|
| Figure 8: |
HVAC/DIC, HVAC BLOWER, and RR HVAC/TEMP CONT Fuses, PWR WDO Circuit
Breaker
|
| Figure 9: |
HEADLAMPS, STOP LAMP, HAZARD, and PASSKEY Fuses, FRT HVAC HI BLWR and
HEADLAMP Circuit Breakers
|
| Figure 10: |
IGN 1-U/H Fuse
|
| Figure 11: |
INJ Fuse
|
| Figure 12: |
TCC and ELEK IGN Fuses
|
| Figure 13: |
HTD MIRROR Fuse
|
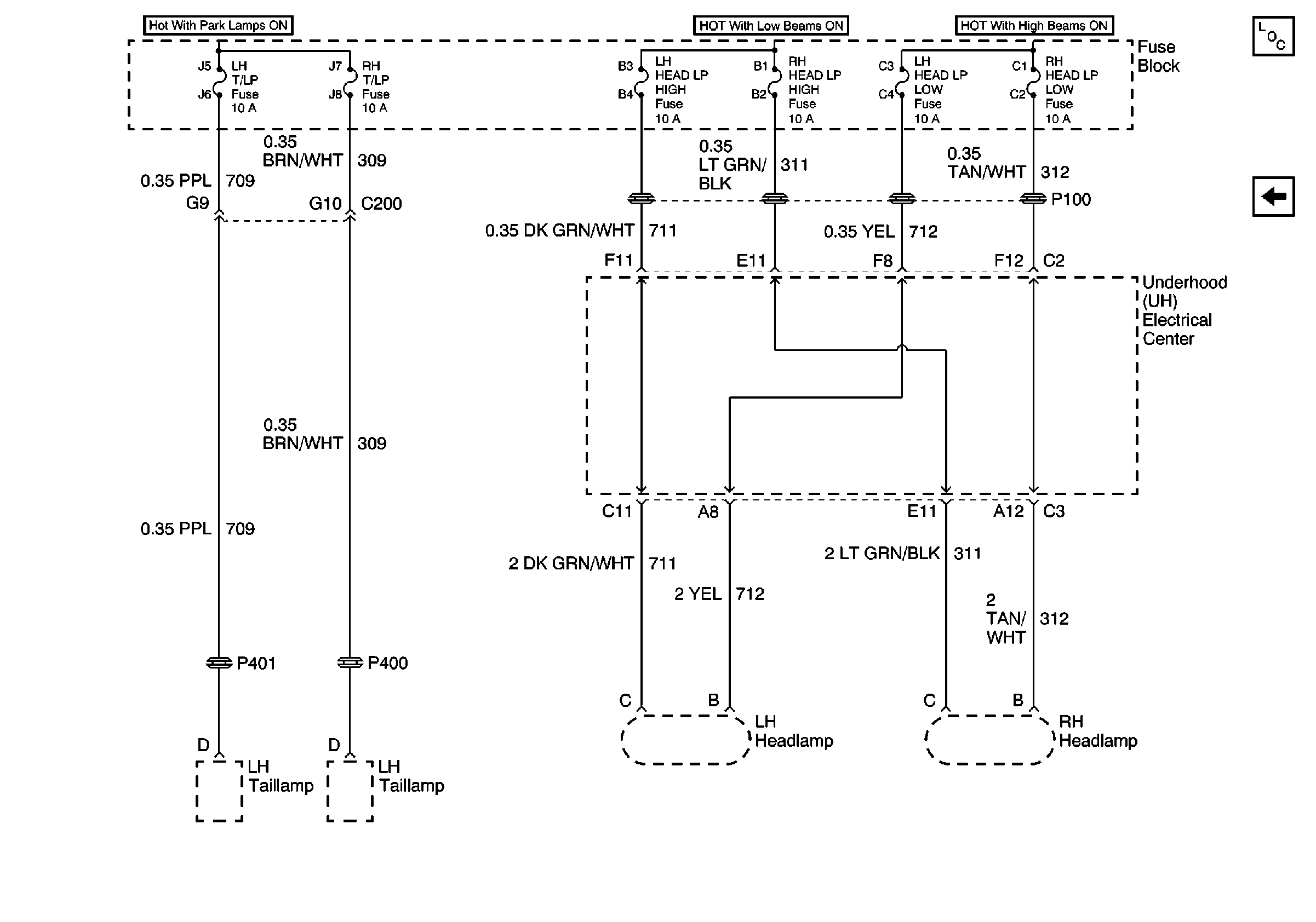
| Figure 14: |
LH T/LP, RH T/LP, LH HEAD LP HIGH, RH HEAD LP HIGH, LH HEAD LP LOW,
and RH HEAD LP LOW Fuses
|