GM Service Manual Online
For 1990-2009 cars only

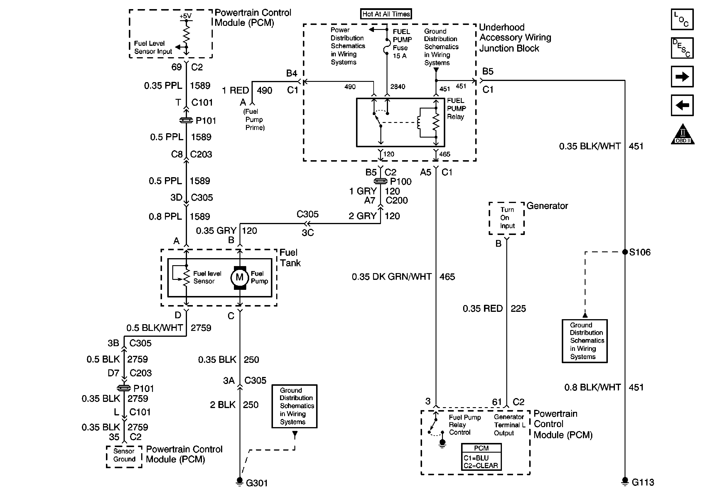
Refer to Engine Controls Schematics

Fuel Control


Object Number: 646106  Size: FS

Circuit Description

The powertrain control module (PCM) provides ignition positive voltage to control the fuel pump relay. The PCM has the ability to detect an electrical malfunction on the relay control circuit. When the ignition switch is first turned ON, the PCM energizes the fuel pump relay, which applies power to the fuel pump. The fuel pump relay will remain ON as long as the engine is running or cranking and the PCM is receiving reference pulses. If no reference pulses are present, the PCM de-energizes the fuel pump relay within 2 seconds after the ignition is turned ON or the engine is stopped. With the engine stopped, the fuel pump can be turned ON by using the scan tool output controls function. If an electrical malfunction is detected, the PCM will set DTC P0230.

Conditions for Running the DTC

    • The ignition is ON.
    • The system voltage is between 9 and 18 volts.

Conditions for Setting the DTC

    • The PCM detects an electrical malfunction on the fuel pump relay control circuit.
    • The condition is present for less than 1 second.

Action Taken When the DTC Sets

    • The PCM will not illuminate the malfunction indicator lamp (MIL).
    • The PCM will store conditions which were present when the DTC set as Failure Records data only. This information will not be stored as Freeze Frame data.

Conditions for Clearing the MIL/DTC

    • A History DTC will clear after 40 consecutive warm-up cycles have occurred without a malfunction.
    • The DTC can be cleared by using the scan tool Clear Info function.

Diagnostic Aids

An intermittent may be caused by a poor connection, rubbed-through the wire insulation, or a wire broken inside of the insulation.

Inspect for the following conditions:

    • Any poor connections at the PCM or fuel pump relay. Inspect harness connectors for the following conditions:
       - Backed-out terminals
       - Improper mating
       - Broken locks
       - Improperly formed or damaged terminals
       - Poor terminal-to-wire connection
    • A damaged harness. Inspect the wiring harness for damage.

Reviewing the Freeze Frame and Failure Records vehicle mileage since the diagnostic test last failed may help determine how often the condition that caused the DTC to be set occurs. This may assist in diagnosing the condition.

Test Description

The numbers below refer to the step numbers on the diagnostic table.

  1. Listen for an audible click when the relay operates. Command both the ON and OFF states. Repeat the commands as necessary.

  2. Verifies that the PCM is providing voltage to the relay.

  3. Tests for an open in the ground circuit to the relay.

  4. Tests if voltage is constantly being applied to the relay.

  5. The PCM uses electrically erasable programmable read-only memory (EEPROM). If the PCM is replaced, the new PCM must be programmed.

Step

Action

Values

Yes

No

1

Did you perform the Powertrain On-Board Diagnostic (OBD) System Check?

--

Go to Step 2

Go to Powertrain On Board Diagnostic (OBD) System Check

2

  1. Turn ON the ignition, leaving the engine OFF.
  2. With a scan tool, command the fuel pump relay ON and OFF.

Does the relay turn ON and OFF with each command?

--

Go to Diagnostic Aids

Go to Step 3

3

  1. Turn OFF the ignition.
  2. Disconnect the relay.
  3. Turn ON the ignition, leaving the engine OFF.
  4. Probe the control circuit of the relay with a test lamp connected to ground.
  5. With a scan tool, command the relay ON and OFF.

Does the test lamp turn ON and OFF with each command?

--

Go to Step 4

Go to Step 5

4

  1. Connect a test lamp between the control circuit of the relay and the ground circuit of the relay.
  2. With a scan tool, command the relay ON and OFF.

Does the test lamp turn ON and OFF with each command?

--

Go to Step 8

Go to Step 10

5

Does the test lamp remain illuminated with each command?

--

Go to Step 7

Go to Step 6

6

Test the control circuit of the relay for a short to ground or an open. Refer to Wiring Repairs in Wiring Systems.

Did you find and correct the condition?

--

Go to Step 13

Go to Step 9

7

Test the control circuit of the relay for a short to voltage. Refer to Wiring Repairs in Wiring Systems.

Did you find and correct the condition?

--

Go to Step 13

Go to Step 9

8

Inspect for poor connections at the relay. Refer to Testing for Intermittent Conditions and Poor Connections and Connector Repairs in Wiring Systems.

Did you find and correct the condition?

--

Go to Step 13

Go to Step 11

9

Inspect for poor connections at the PCM. Refer to Testing for Intermittent Conditions and Poor Connections and Connector Repairs in Wiring Systems.

Did you find and correct the condition?

--

Go to Step 13

Go to Step 12

10

Repair the ground circuit of the relay. Refer to Wiring Repairs in Wiring Systems.

Did you complete the repair?

--

Go to Step 13

--

11

Replace the relay.

Did you complete the replacement?

--

Go to Step 13

--

12

Important: The replacement PCM must be programmed.

Replace the PCM. Refer to Powertrain Control Module Replacement/Programming .

Did you complete the replacement?

--

Go to Step 13

--

13

  1. Use the scan tool in order to clear the DTCs.
  2. Operate the vehicle within the Conditions for Running the DTC as specified in the supporting text.

Does the DTC reset?

--

Go to Step 2

System OK