GM Service Manual Online
For 1990-2009 cars only
Figure 1:

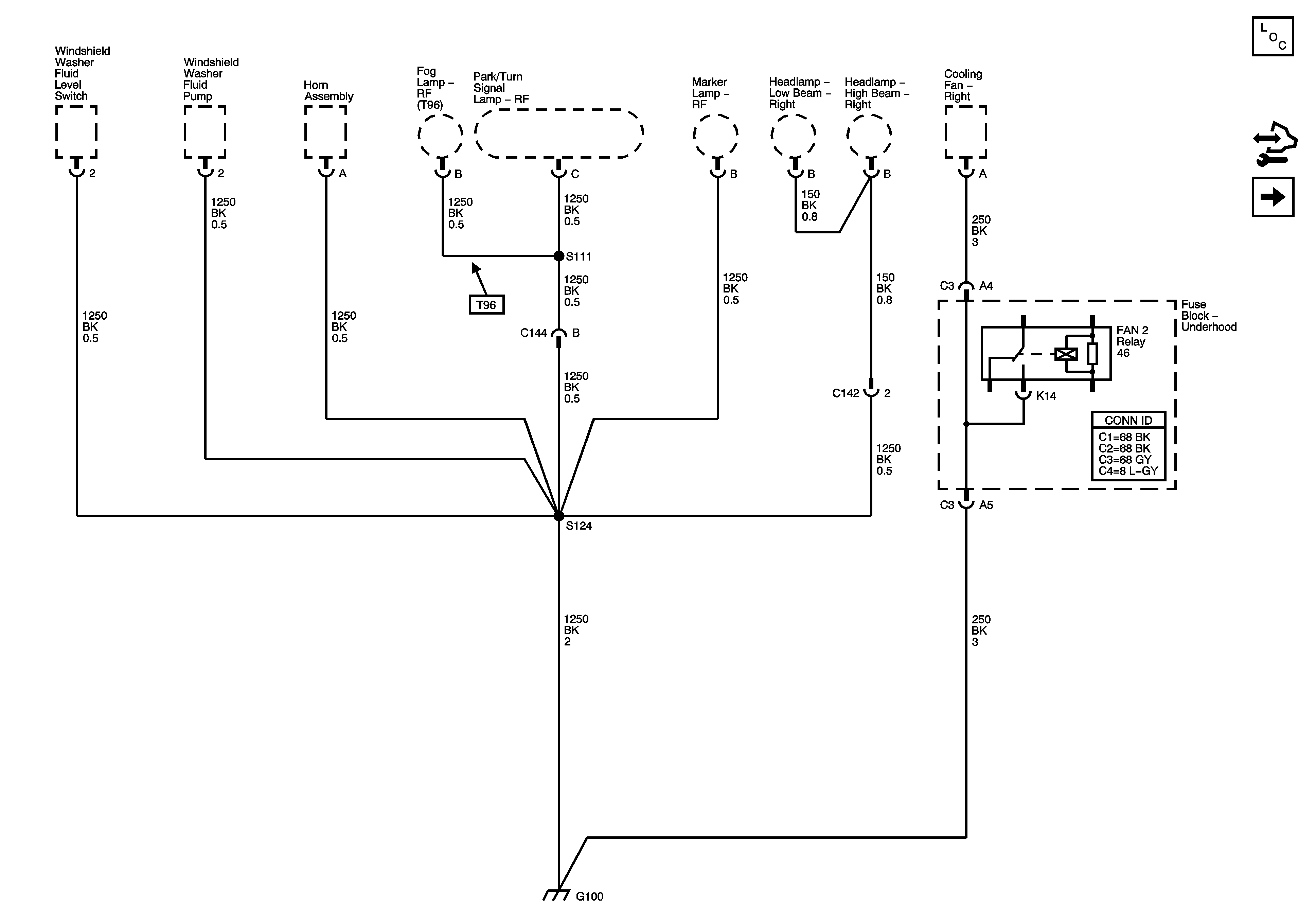
G100


Object Number: 1407756  Size: FS
Master Electrical Component List
Control Module References
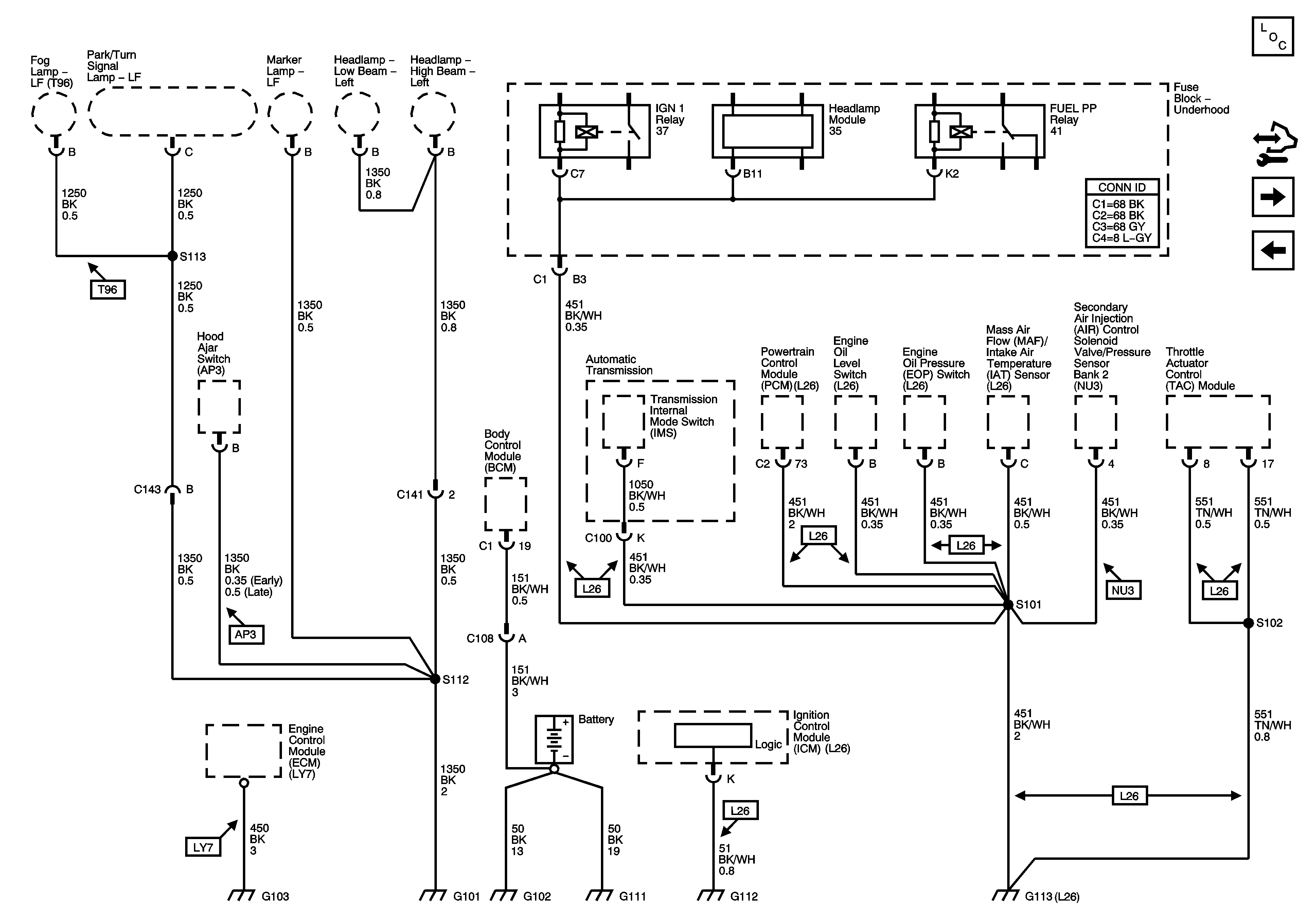
G101, G102, G103, G111, G112, and G113
Figure 2:

G101, G102, G103, G111, G112, and G113


Object Number: 1407758  Size: FS
Master Electrical Component List
Control Module References
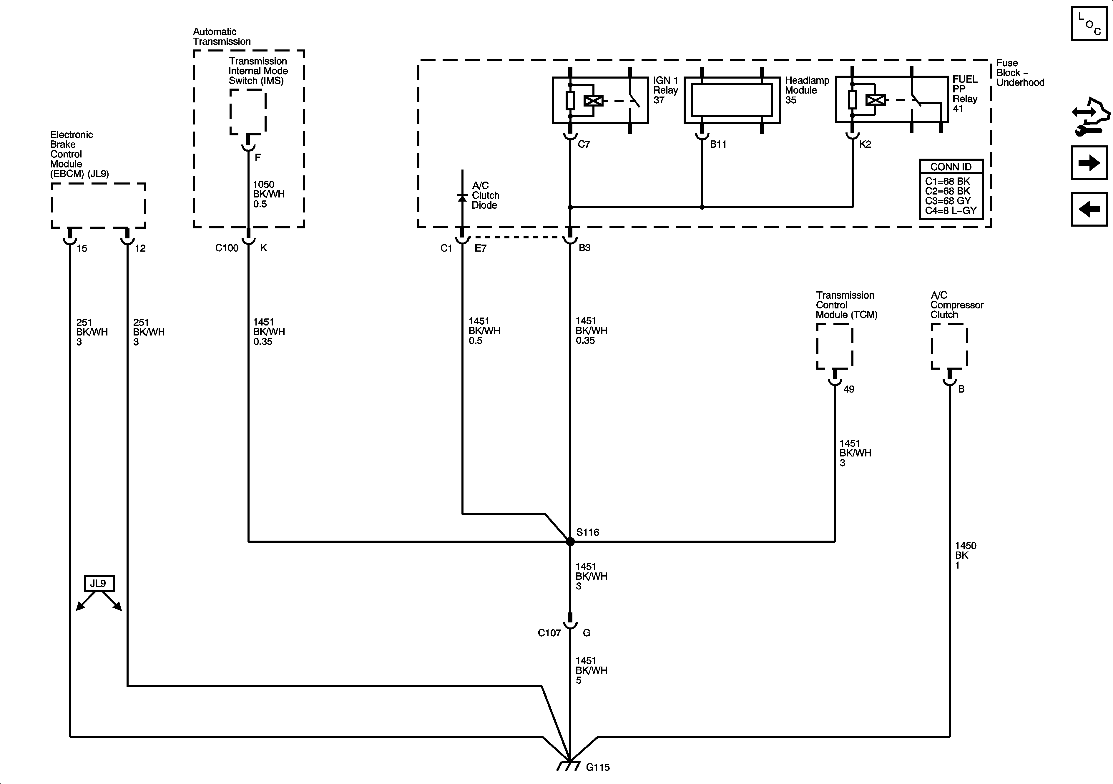
G115 (L26)
G100
Figure 3:

G115 (L26)


Object Number: 1407760  Size: FS
Master Electrical Component List
Control Module References
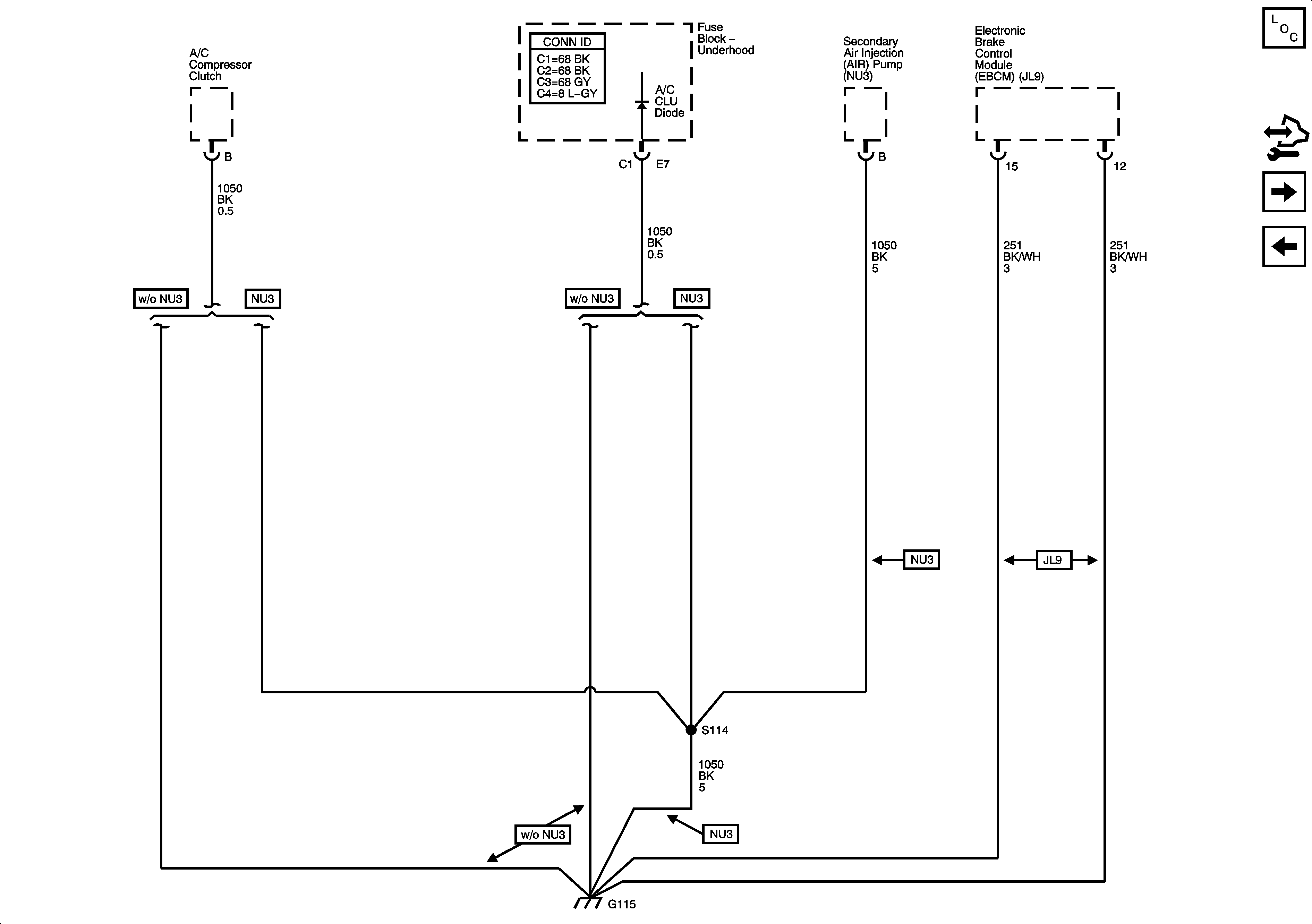
G115 (LY7)
G101, G102, G103, G111, G112, and G113
Figure 4:

G115 (LY7)


Object Number: 1407763  Size: FS
Master Electrical Component List
Control Module References
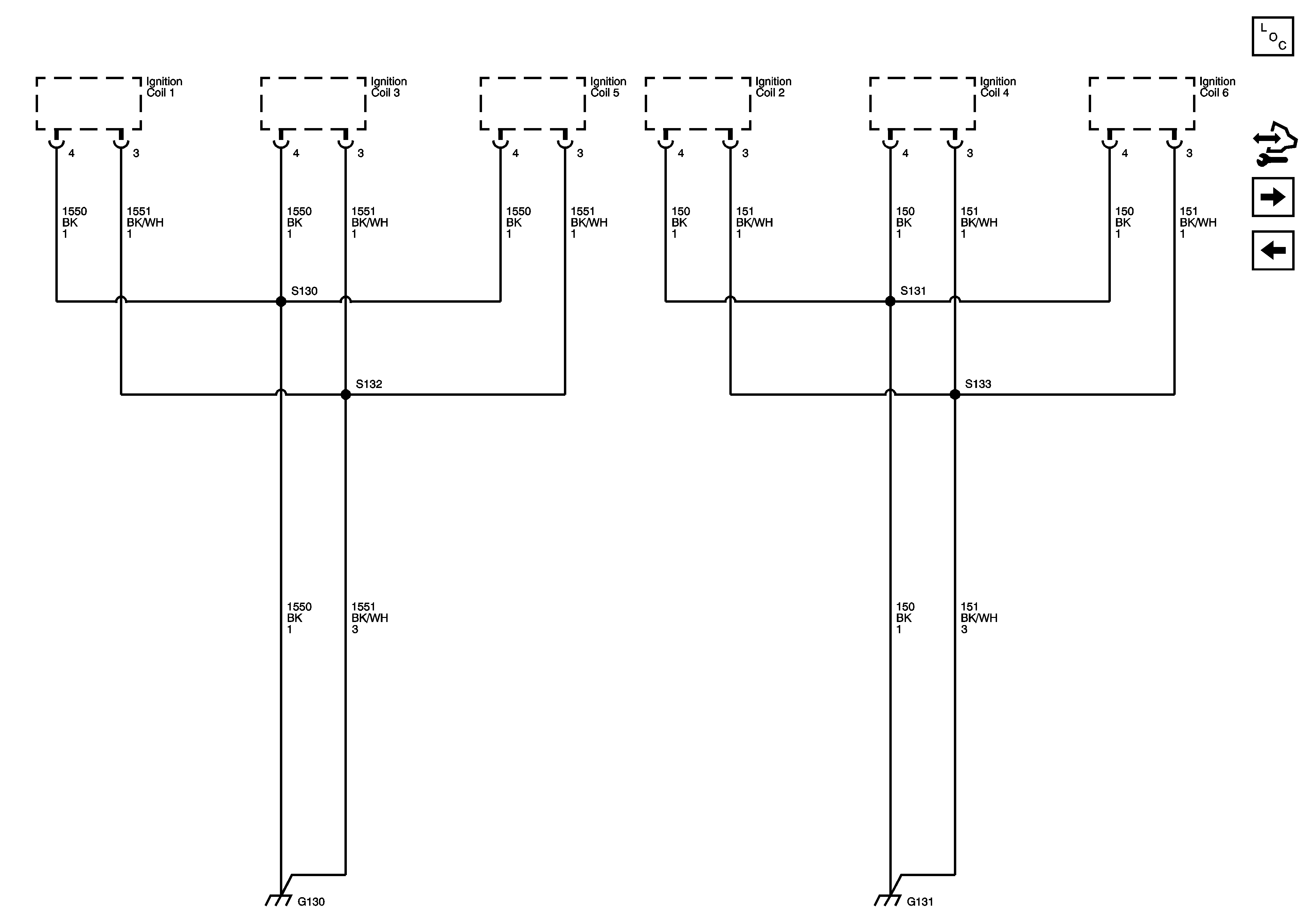
G130, G131 - LY7
G115 (L26)
Figure 5:

G130, G131 - LY7


Object Number: 1496054  Size: FS
Master Electrical Component List
Control Module References
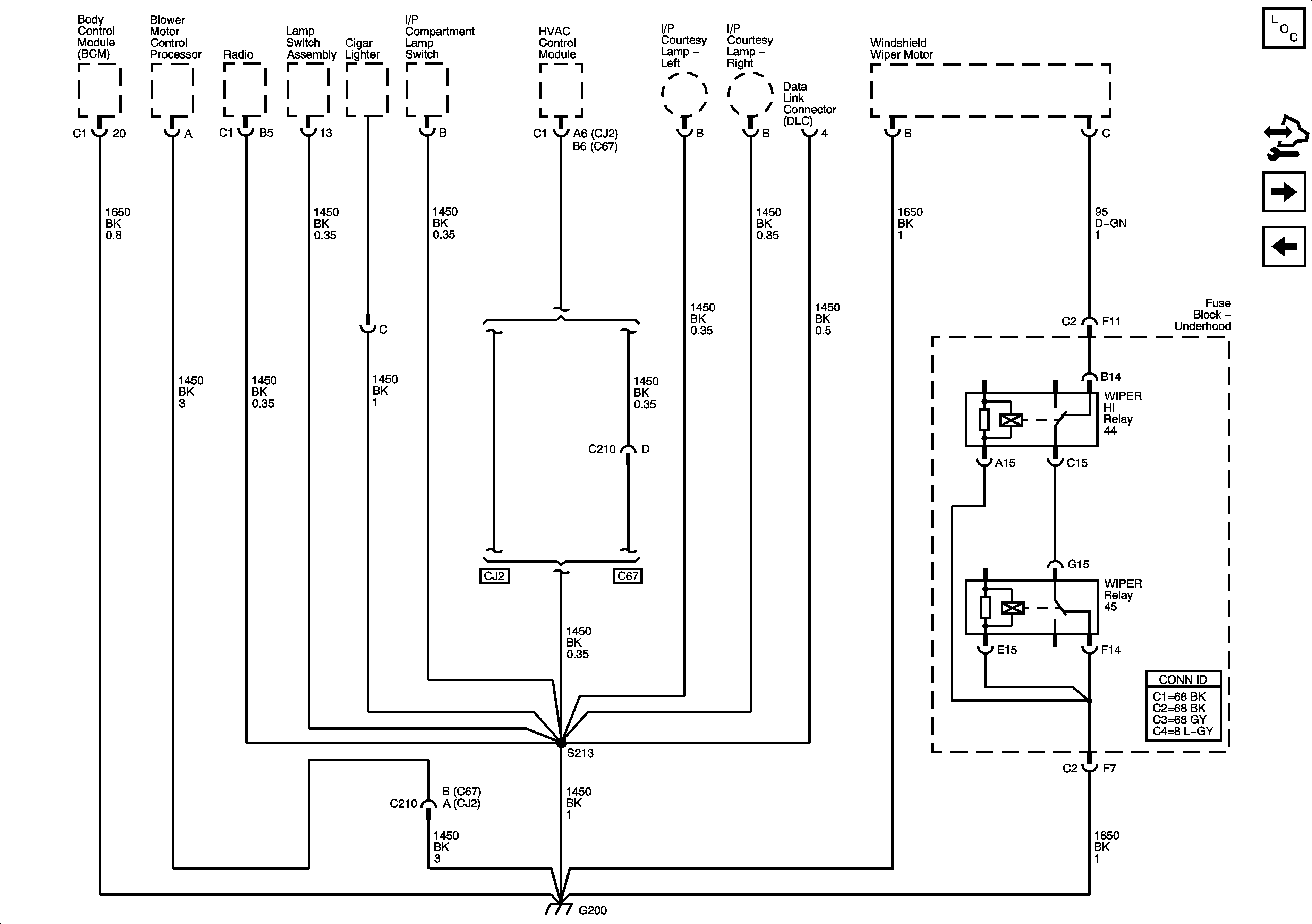
G200
G115 (LY7)
Figure 6:

G200


Object Number: 1407765  Size: FS
Master Electrical Component List
Control Module References
G201
G130, G131 - LY7
Figure 7:

G201


Object Number: 1407768  Size: FS
Master Electrical Component List
Control Module References
G202
G200
SIR Caution for Zoning
SIR Caution for Zoning
Figure 8:

G202


Object Number: 1407772  Size: FS
Master Electrical Component List
Control Module References
G301
G201
Figure 9:

G301


Object Number: 1407774  Size: FS
Master Electrical Component List
Control Module References
G302
G202
Figure 10:

G302


Object Number: 1407777  Size: FS
Master Electrical Component List
Control Module References
G301