GM Service Manual Online
For 1990-2009 cars only
Figure 1:

Switches


Object Number: 1478794  Size: FS
Master Electrical Component List
Power Door Locks Description and Operation
Control Module References
Actuators
Keyless Entry Schematics
Lamp Controls
G301
G301
G302
Figure 2:

Actuators


Object Number: 1478800  Size: FS
Master Electrical Component List
Power Door Locks Description and Operation
Control Module References
Ajar Indicators
Switches
Fuse Block - Underhood BATT MAIN 2 Fuse, Fuse Block - I/P HTD SEAT, PWR MIRS, TURN/HAZ, DR LK/TRUNK, PRKSW, and SUN ROOF Fuses, PWR SEAT and PWR WDO Circuit Breakers, and RAP Relay
G301
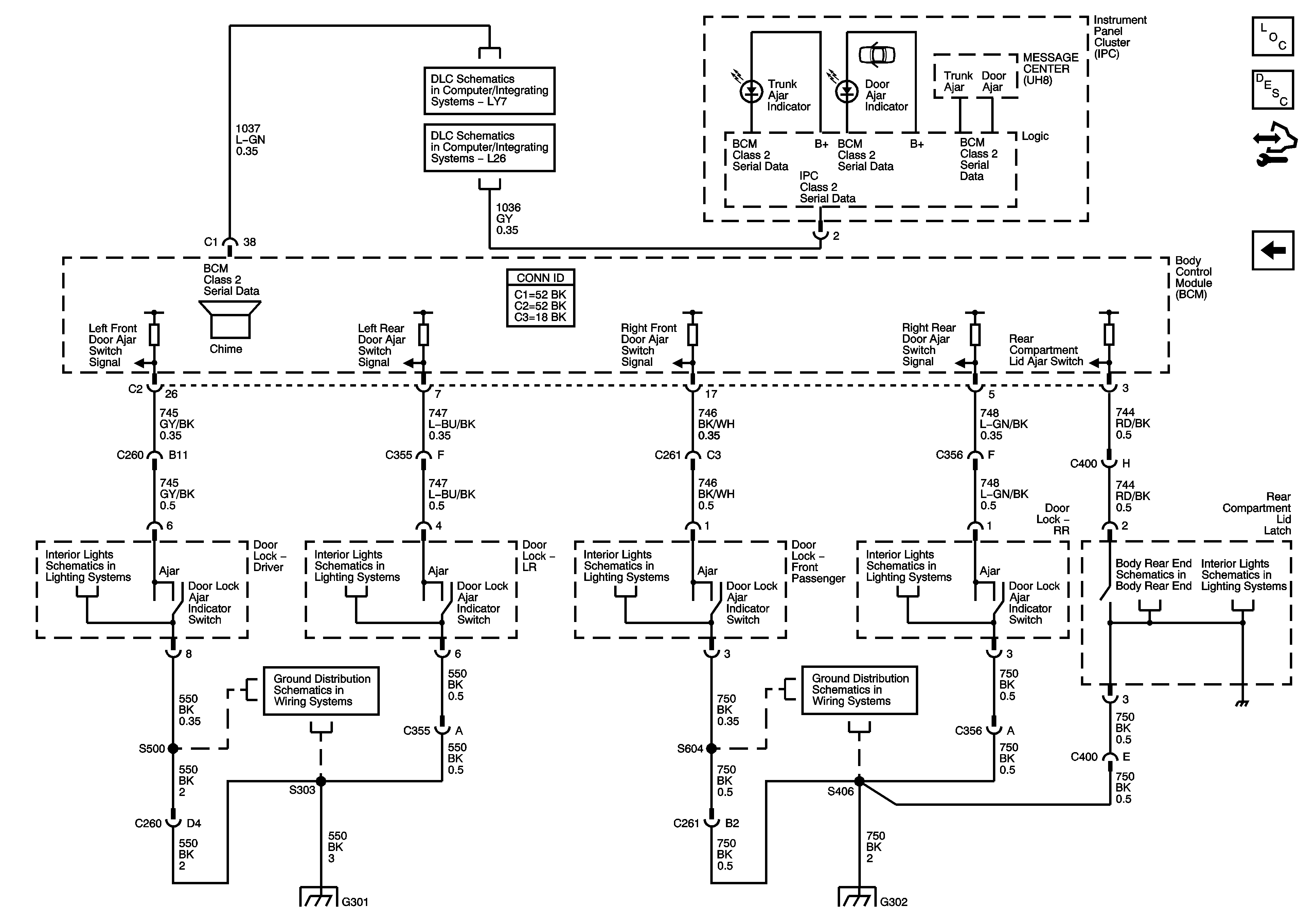
Figure 3:

Ajar Indicators


Object Number: 1478801  Size: FS
Master Electrical Component List
Power Door Locks Description and Operation
Control Module References
Actuators
LY7
L26
Lamp Controls
Lamp Controls
Lamp Controls
Lamp Controls
Body Rear End Schematics
Courtesy Lamps
G301
G302
G301
G302