GM Service Manual Online
For 1990-2009 cars only
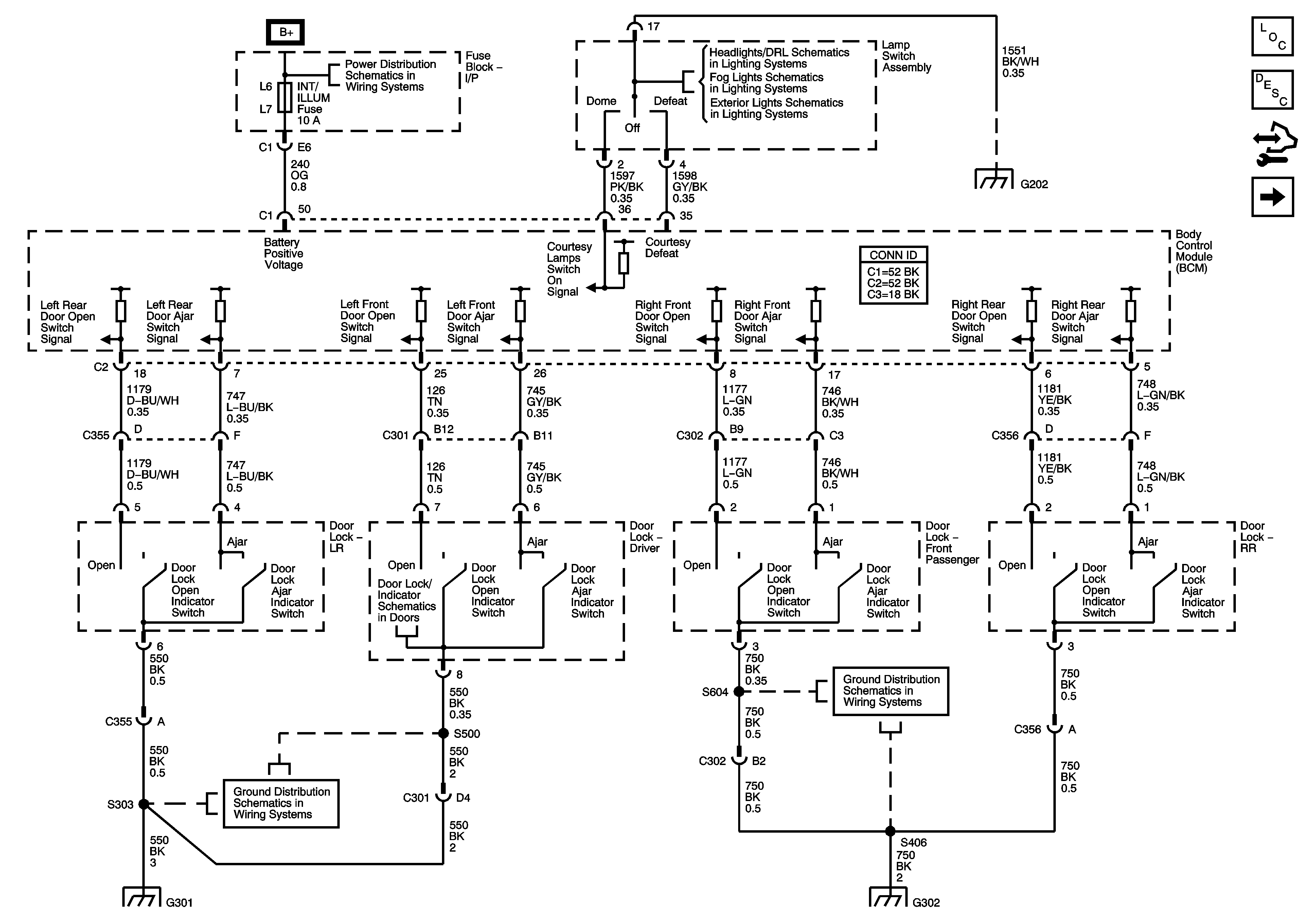
Figure 1:

Lamp Controls


Object Number: 1464420  Size: FS
Master Electrical Component List
Interior Lighting Systems Description and Operation
Control Module References
Courtesy Lamps
Fuse Block - Underhood BATT MAIN 1 Fuse, Fuse Block - I/P PK LAMPS, DISPLAYS, CHMSL/BKUP, INT LIGHT, RFA/MOD, RADIO/AMP, ONSTAR/ALDL, HVAC, and CANISTER Fuses and PK LP Relay
Headlights/Daytime Running Lights (DRL) Schematics
Fog Lights Schematics
Park Lamps
G202
Switches
G301
G301
G302
G302
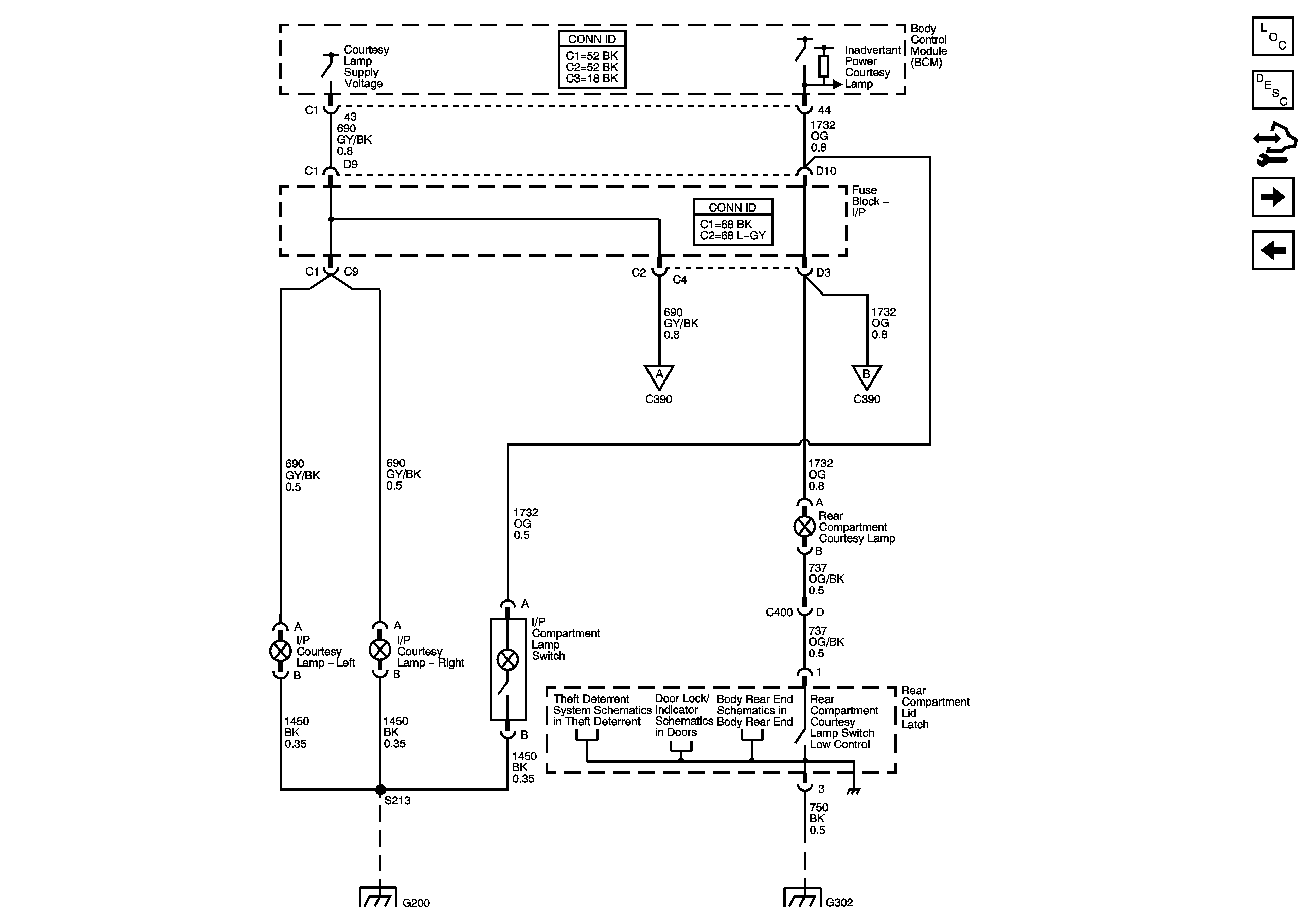
Figure 2:

Courtesy Lamps


Object Number: 1464421  Size: FS
Master Electrical Component List
Interior Lighting Systems Description and Operation
Control Module References
Overhead Lighting
Lamp Controls
Overhead Lighting
Overhead Lighting
Content Theft Deterrent (CTD) System
Ajar Indicators
Body Rear End Schematics
G200
G302
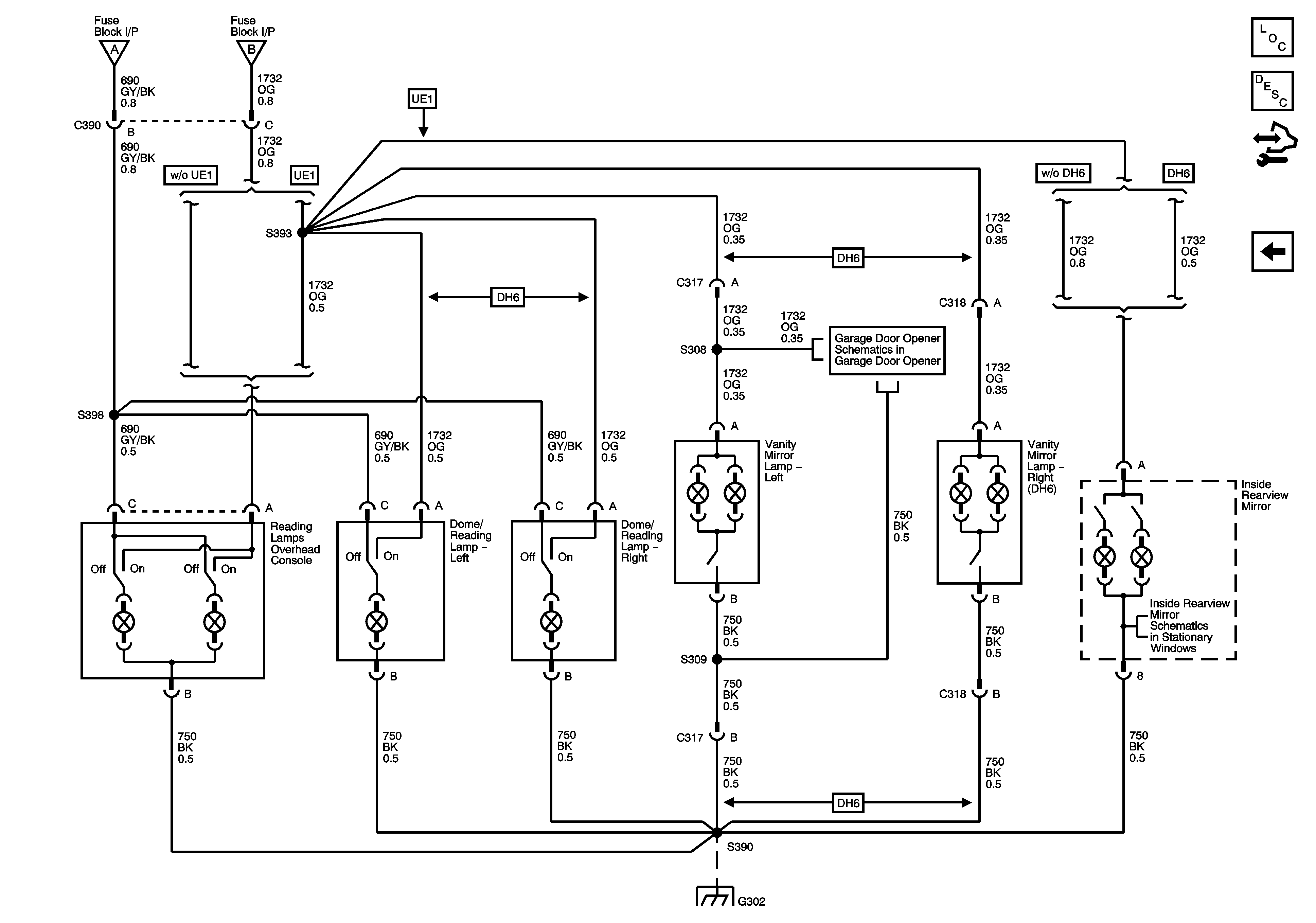
Figure 3:

Overhead Lighting


Object Number: 1464422  Size: FS
Master Electrical Component List
Interior Lighting Systems Description and Operation
Control Module References
Courtesy Lamps
Courtesy Lamps
Courtesy Lamps
Garage Door Opener Schematics
Inside Rearview Mirror Schematics
G302