GM Service Manual Online
For 1990-2009 cars only
Figure 1:

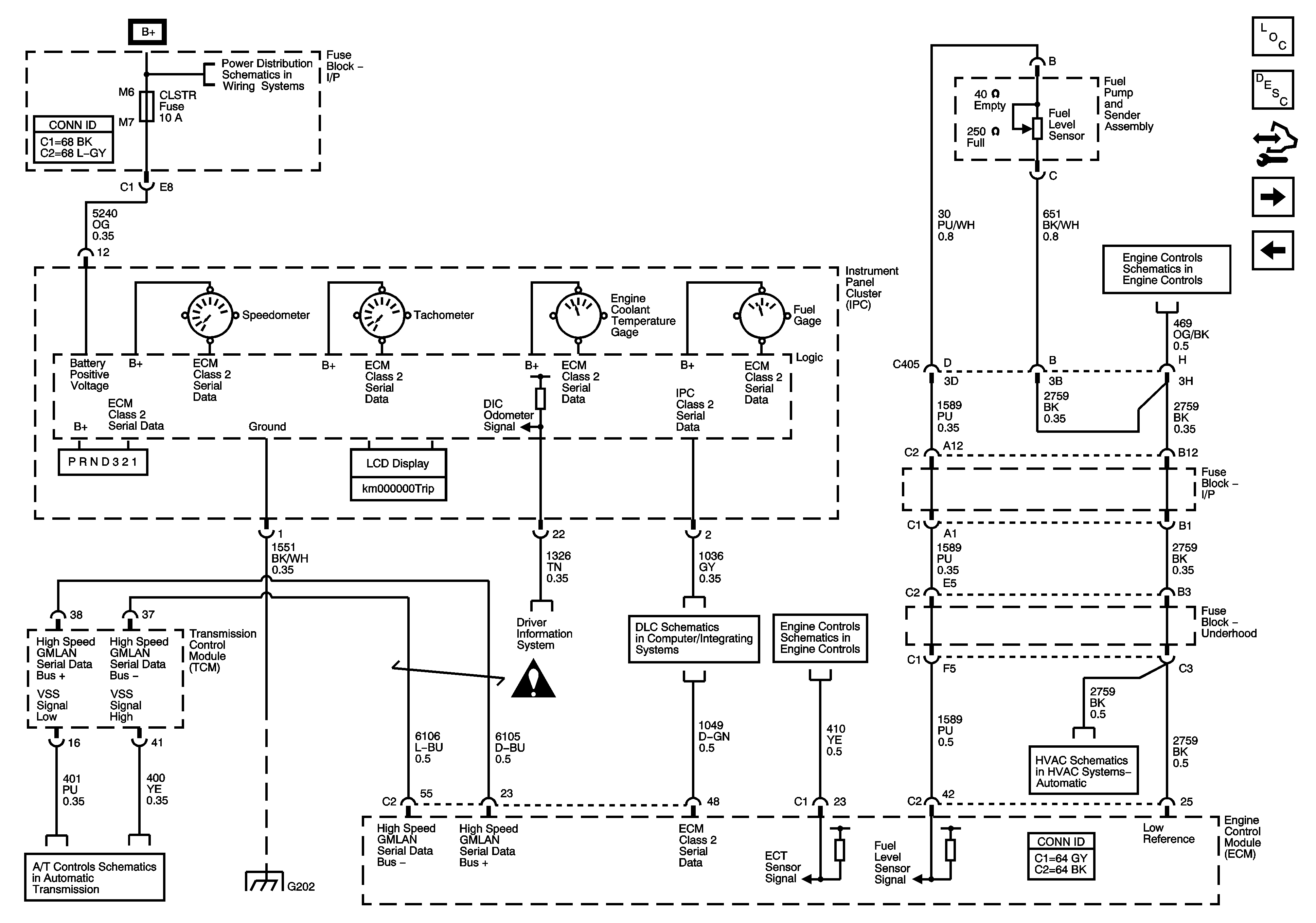
Power, Ground, Serial Data, and Gages (L26)


Object Number: 1442701  Size: FS
Master Electrical Component List
Instrument Cluster Description and Operation
Control Module References
Power, Ground, Serial Data, and Gages (LY7)
Fuse Block - Underhood BATT MAIN 1 Fuse, Fuse Block - I/P PK LAMPS, DISPLAYS, CHMSL/BKUP, INT LIGHT, RFA/MOD, RADIO/AMP, ONSTAR/ALDL, HVAC, and CANISTER Fuses and PK LP Relay
5 Volt and Low Reference
G202
Driver Information System Schematics
L26
PC Solenoid Valve, Fluid Pressure Manual Valve Position Switch, ISS and VSS Sensors (L26)
Pressure and Temperature Sensors
Figure 2:

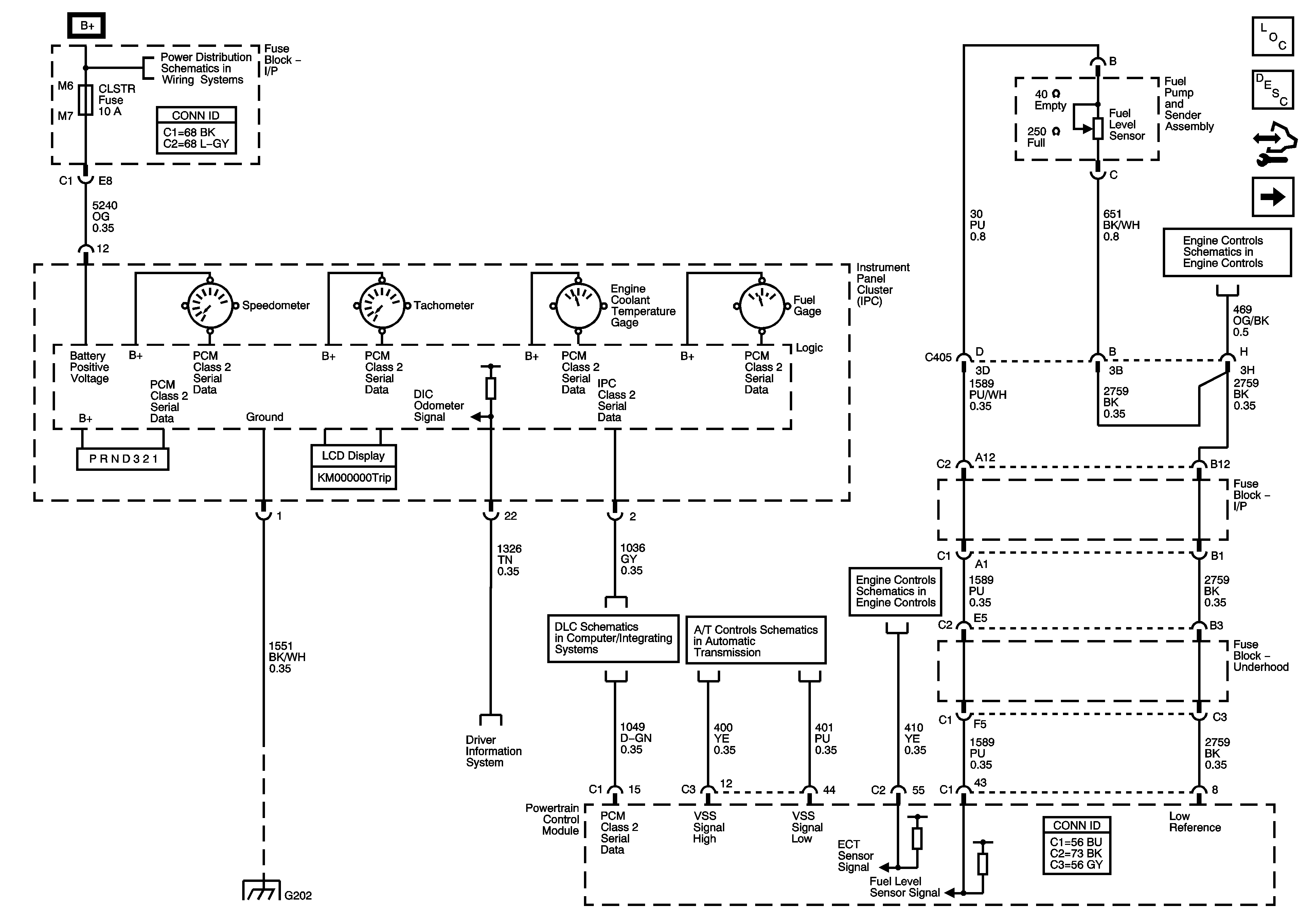
Power, Ground, Serial Data, and Gages (LY7)


Object Number: 1442706  Size: FS
Master Electrical Component List
Instrument Cluster Description and Operation
Control Module References
Ambient Air Temperature Sensor, Electronic Compass Module, and Oil Level Switch
Power, Ground, Serial Data, and Gages (L26)
Fuse Block - Underhood BATT MAIN 1 Fuse, Fuse Block - I/P PK LAMPS, DISPLAYS, CHMSL/BKUP, INT LIGHT, RFA/MOD, RADIO/AMP, ONSTAR/ALDL, HVAC, and CANISTER Fuses and PK LP Relay
5 Volt and Low Reference, Page 1 of 2
PC Solenoid Valve, Fluid Pressure Manual Valve Position Switch, ISS and VSS Sensors (LY7)
G202
Instrument Panel, Gages, and Console Schematic Icons
Driver Information System Schematics
LY7
Pressure and Temperature Sensors
Compressor Controls and Serial Data (LY7)
Figure 3:

Ambient Air Temperature Sensor, Electronic Compass Module, and Oil Level Switch


Object Number: 1510014  Size: FS
Master Electrical Component List
Instrument Cluster Description and Operation
Control Module References
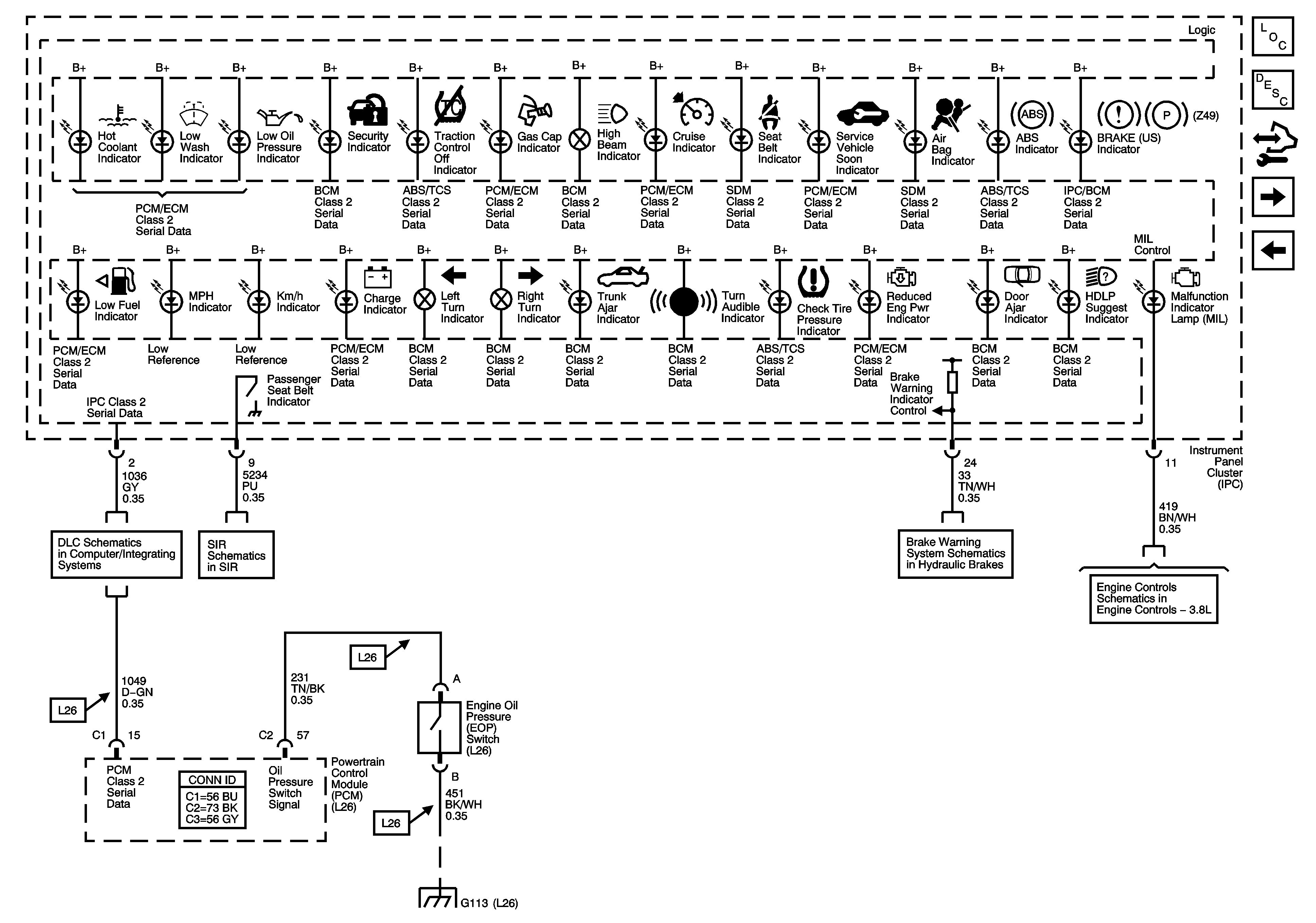
Indicators (U2E)
Power, Ground, Serial Data, and Gages (LY7)
Fuse Block - Underhood ABS, TRANS SOL, PCM, SIR, and DISPLAY Fuses, CRANK Relay, and Fuse Block - I/P CRUISE SW Fuse
Pressure and Temperature Sensors
LY7
L26
Pressure and Temperature Sensors
Fuse Block - Underhood ABS, TRANS SOL, PCM, SIR, and DISPLAY Fuses, CRANK Relay, and Fuse Block - I/P CRUISE SW Fuse
Fuse Block - Underhood ABS, TRANS SOL, PCM, SIR, and DISPLAY Fuses, CRANK Relay, and Fuse Block - I/P CRUISE SW Fuse
Defogger Schematics
G301
G101, G102, G103, G111, G112, and G113
Figure 4:

Indicators (U2E)


Object Number: 1442705  Size: FS
Master Electrical Component List
Indicator/Warning Message Description and Operation
Control Module References
Indicators (UH8)
Ambient Air Temperature Sensor, Electronic Compass Module, and Oil Level Switch
L26
Passenger Presence System
Brake Warning System Schematics
Module Power, Ground, Serial Data, and MIL
G101, G102, G103, G111, G112, and G113
Figure 5:

Indicators (UH8)


Object Number: 1442707  Size: FS
Master Electrical Component List
Indicator/Warning Message Description and Operation
Control Module References
Indicators (U2E)
5 Volt and Low Reference, Page 2 of 2
Driver Information System Schematics
LY7
L26
Seat Belt Schematics
Brake Warning System Schematics
Module Power, Ground, Serial Data, and MIL
Module Power, Ground, Serial Data, and MIL
G101, G102, G103, G111, G112, and G113