GM Service Manual Online
For 1990-2009 cars only
Figure 1:

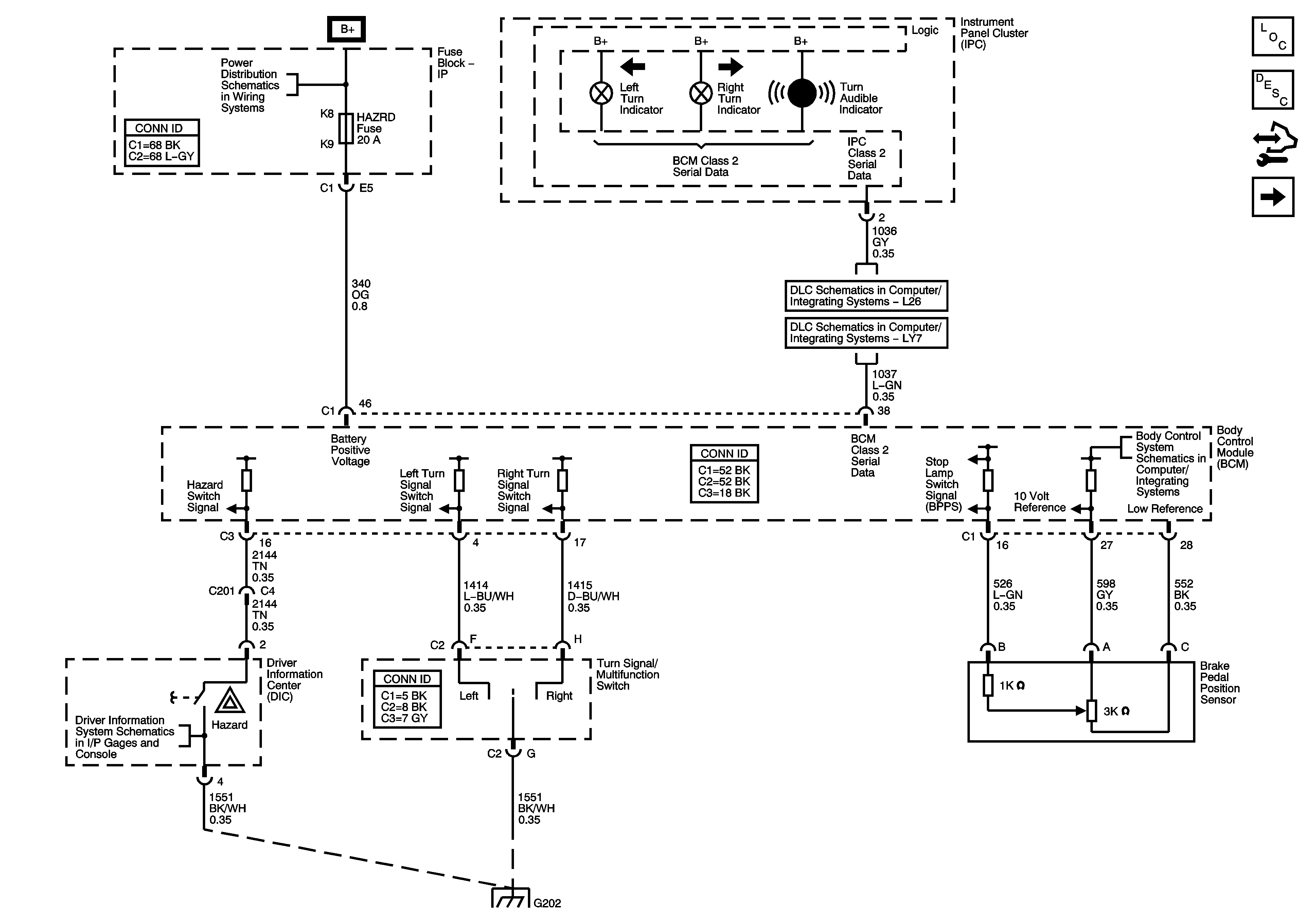
Turn Signal, Hazard, and Stop Lamps Inputs


Object Number: 1463451  Size: FS
Master Electrical Component List
Exterior Lighting Systems Description and Operation
Control Module References
Turn Signal, Hazard, and Stop Lamps Outputs
Fuse Block - Underhood BATT MAIN 2 Fuse, Fuse Block - I/P HTD SEAT, PWR MIRS, TURN/HAZ, DR LK/TRUNK, PRKSW, and SUN ROOF Fuses, PWR SEAT and PWR WDO Circuit Breakers, and RAP Relay
L26
LY7
Exterior Lights and Interior Lights References
Driver Information System Schematics
G202
Figure 2:

Turn Signal, Hazard, and Stop Lamps Outputs


Object Number: 1463452  Size: FS
Master Electrical Component List
Exterior Lighting Systems Description and Operation
Control Module References
Park Lamps
Turn Signal, Hazard, and Stop Lamps Inputs
G302
G101, G102, G103, G111, G112, and G113
G100
G302
G301
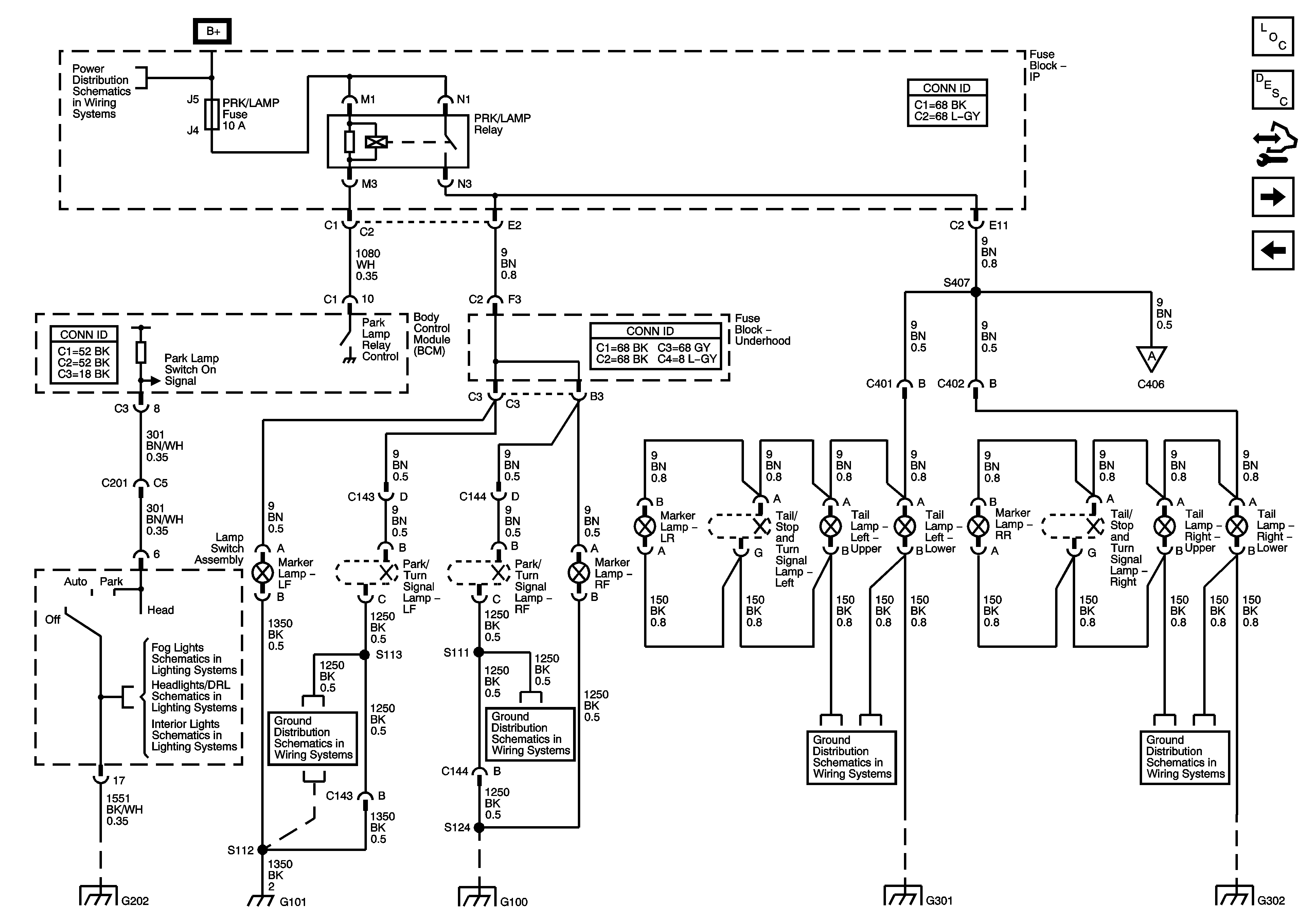
Figure 3:

Park Lamps


Object Number: 1463455  Size: FS
Master Electrical Component List
Exterior Lighting Systems Description and Operation
Control Module References
Backup and License Lamps
Turn Signal, Hazard, and Stop Lamps Outputs
Fuse Block - Underhood BATT MAIN 1 Fuse, Fuse Block - I/P PK LAMPS, DISPLAYS, CHMSL/BKUP, INT LIGHT, RFA/MOD, RADIO/AMP, ONSTAR/ALDL, HVAC, and CANISTER Fuses and PK LP Relay
Backup and License Lamps
Fog Lights Schematics
Headlights/Daytime Running Lights (DRL) Schematics
Lamp Controls
G101, G102, G103, G111, G112, and G113
G100
G301
G302
G202
G101, G102, G103, G111, G112, and G113
G100
G301
G302
Figure 4:

Backup and License Lamps


Object Number: 1463456  Size: FS
Master Electrical Component List
Exterior Lighting Systems Description and Operation
Control Module References
Park Lamps
Fuse Block - Underhood BATT MAIN 1 Fuse, Fuse Block - I/P PK LAMPS, DISPLAYS, CHMSL/BKUP, INT LIGHT, RFA/MOD, RADIO/AMP, ONSTAR/ALDL, HVAC, and CANISTER Fuses and PK LP Relay
L26
LY7
Park Lamps
Rear Parking Assist Schematics
Inside Rearview Mirror Schematics
G301
G302
G301
G302