GM Service Manual Online
For 1990-2009 cars only
Makes
🢒
Buick
🢒
2005
🢒
LaCrosse
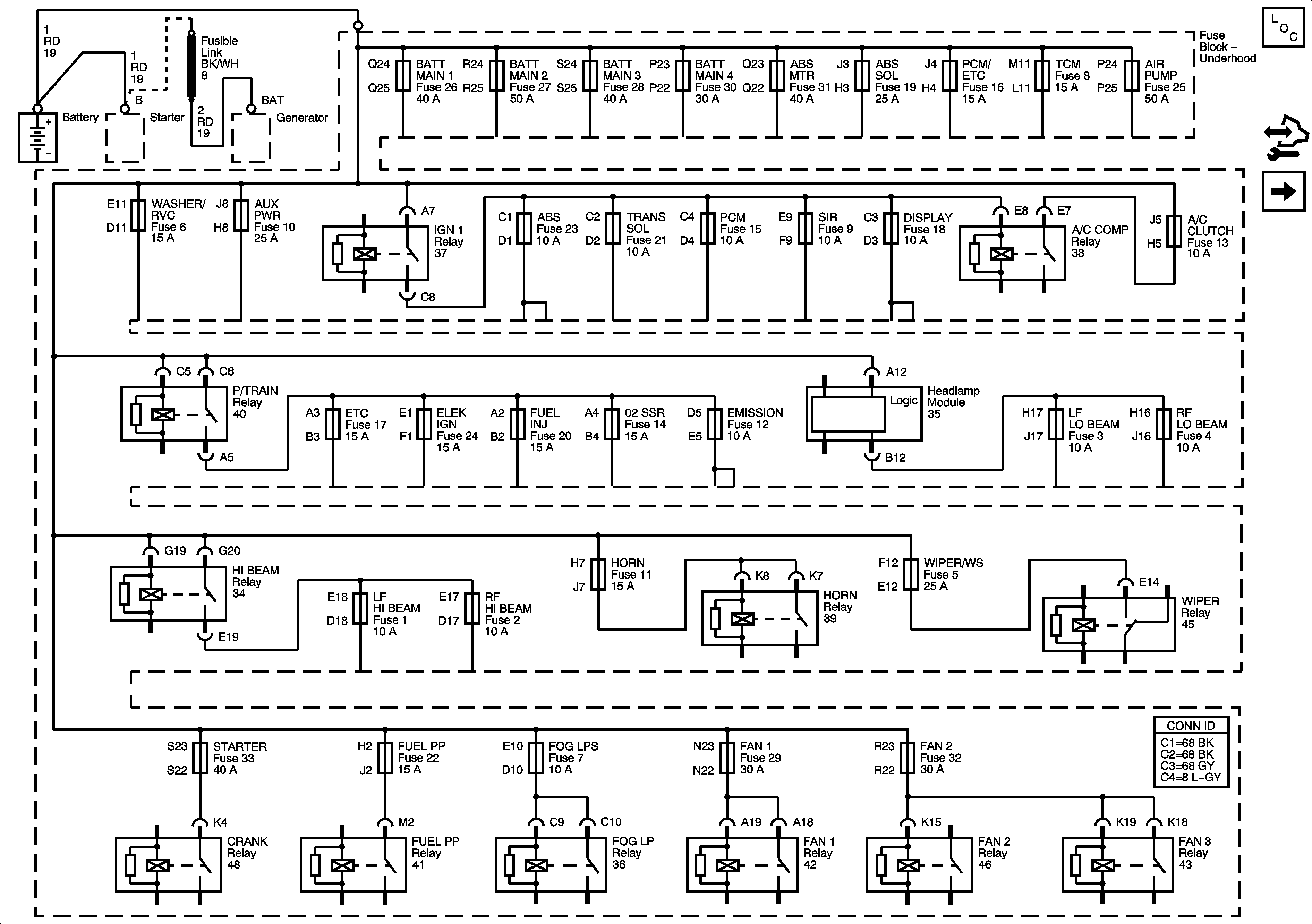
🢒 Fuse Block - Underhood B+ Bus
Fuse Block - Underhood B+ Bus
Fuse Block - Underhood B+ Bus
Master Electrical Component List
Control Module References
Ignition Switch