GM Service Manual Online
For 1990-2009 cars only
Makes
🢒
Buick
🢒
2005
🢒
LaCrosse
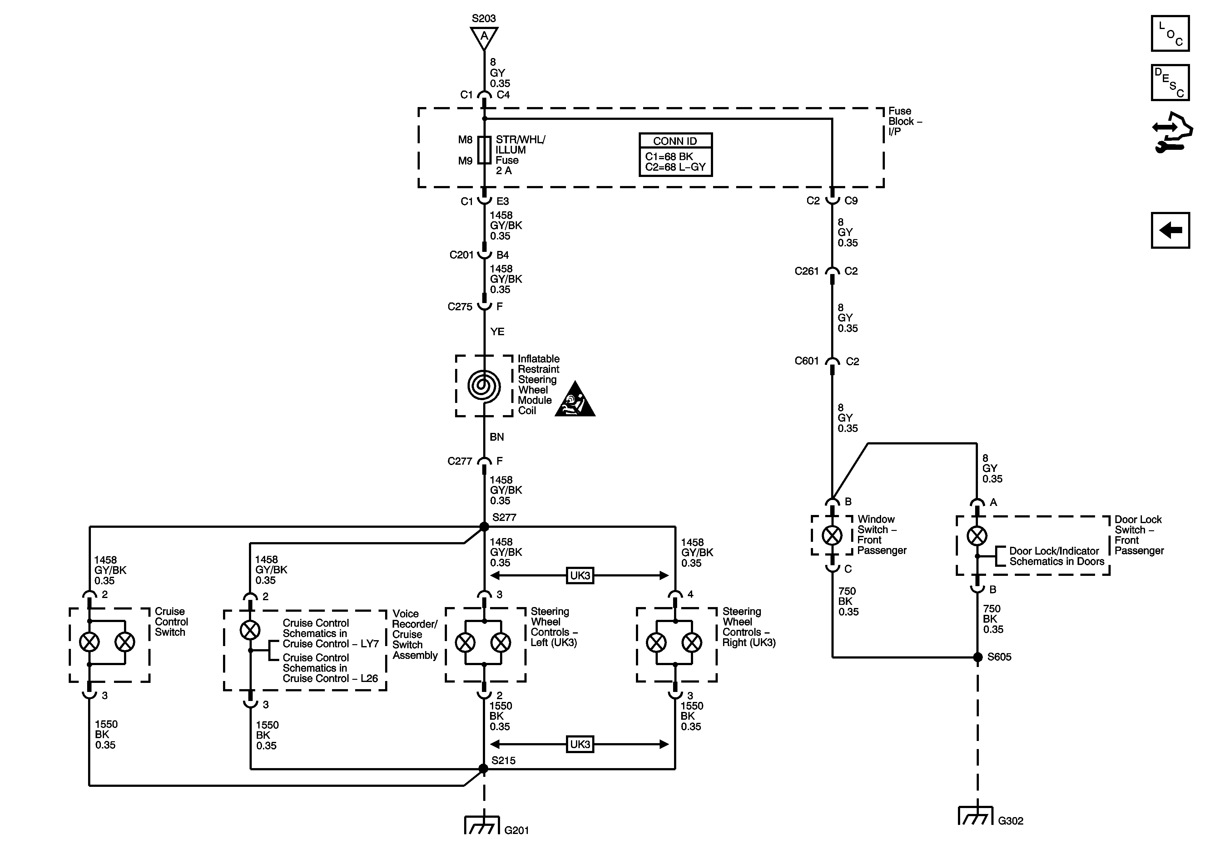
🢒 Steering Wheel and Front Passenger Door Lighting
Steering Wheel and Front Passenger Door Lighting
Steering Wheel and Front Passenger Door Lighting
Master Electrical Component List
Interior Lighting Systems Description and Operation
Control Module References
I/P, Console, and Driver Door Lighting
I/P, Console, and Driver Door Lighting
SIR Caution for Zoning
Switches
LY7
L26
G201
G302