GM Service Manual Online
For 1990-2009 cars only
Makes
🢒
Buick
🢒
2005
🢒
LaCrosse
🢒 Heat Controls
Heat Controls
Heat Controls
Master Electrical Component List
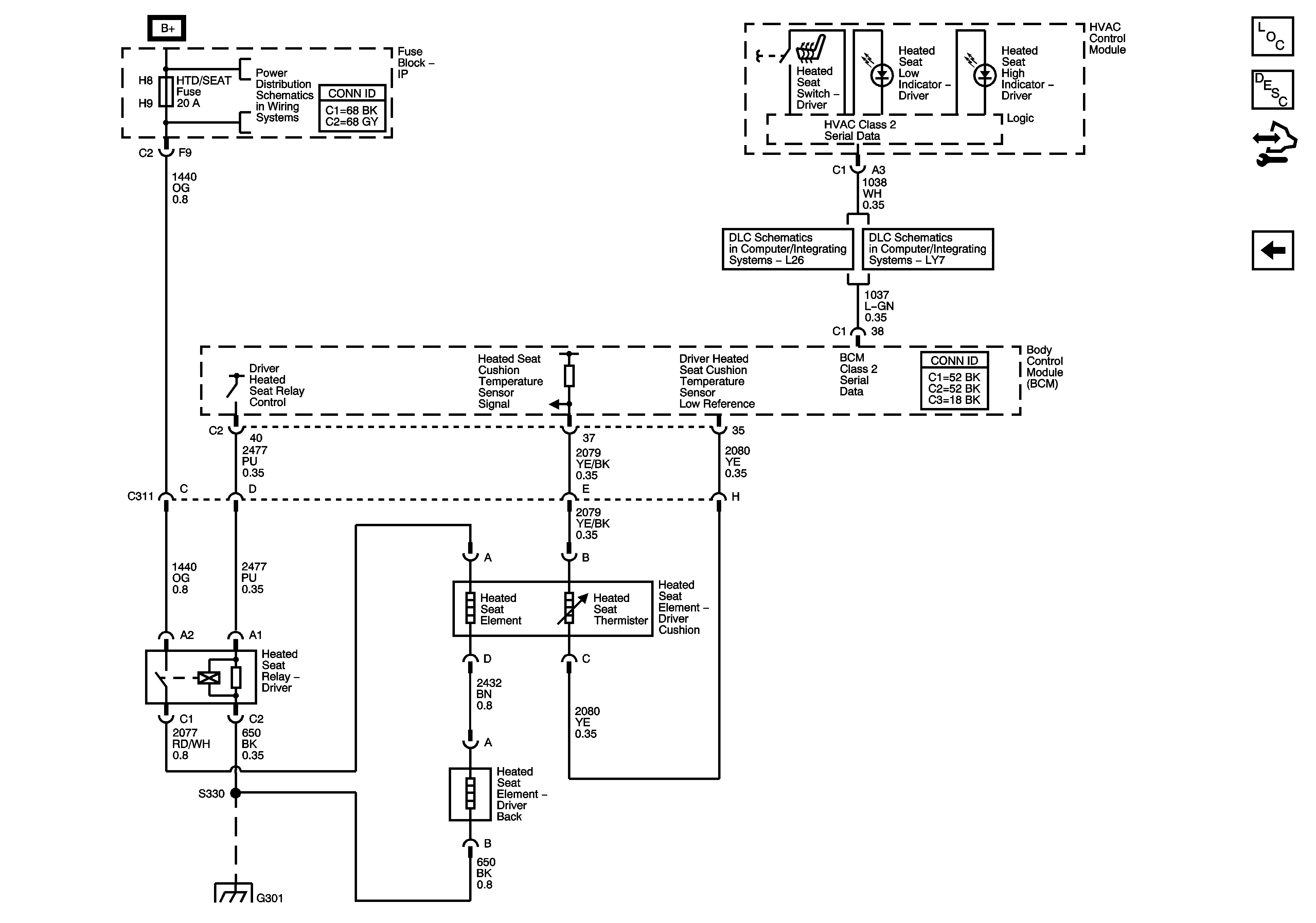
Heated Seats Description and Operation
Control Module References
6-Way Power and Lumbar Controls
Fuse Block - Underhood BATT MAIN 2 Fuse, Fuse Block - I/P HTD SEAT, PWR MIRS, TURN/HAZ, DR LK/TRUNK, PRKSW, and SUN ROOF Fuses, PWR SEAT and PWR WDO Circuit Breakers, and RAP Relay
L26
LY7
G301