GM Service Manual Online
For 1990-2009 cars only
Makes
🢒
Buick
🢒
2005
🢒
LaCrosse
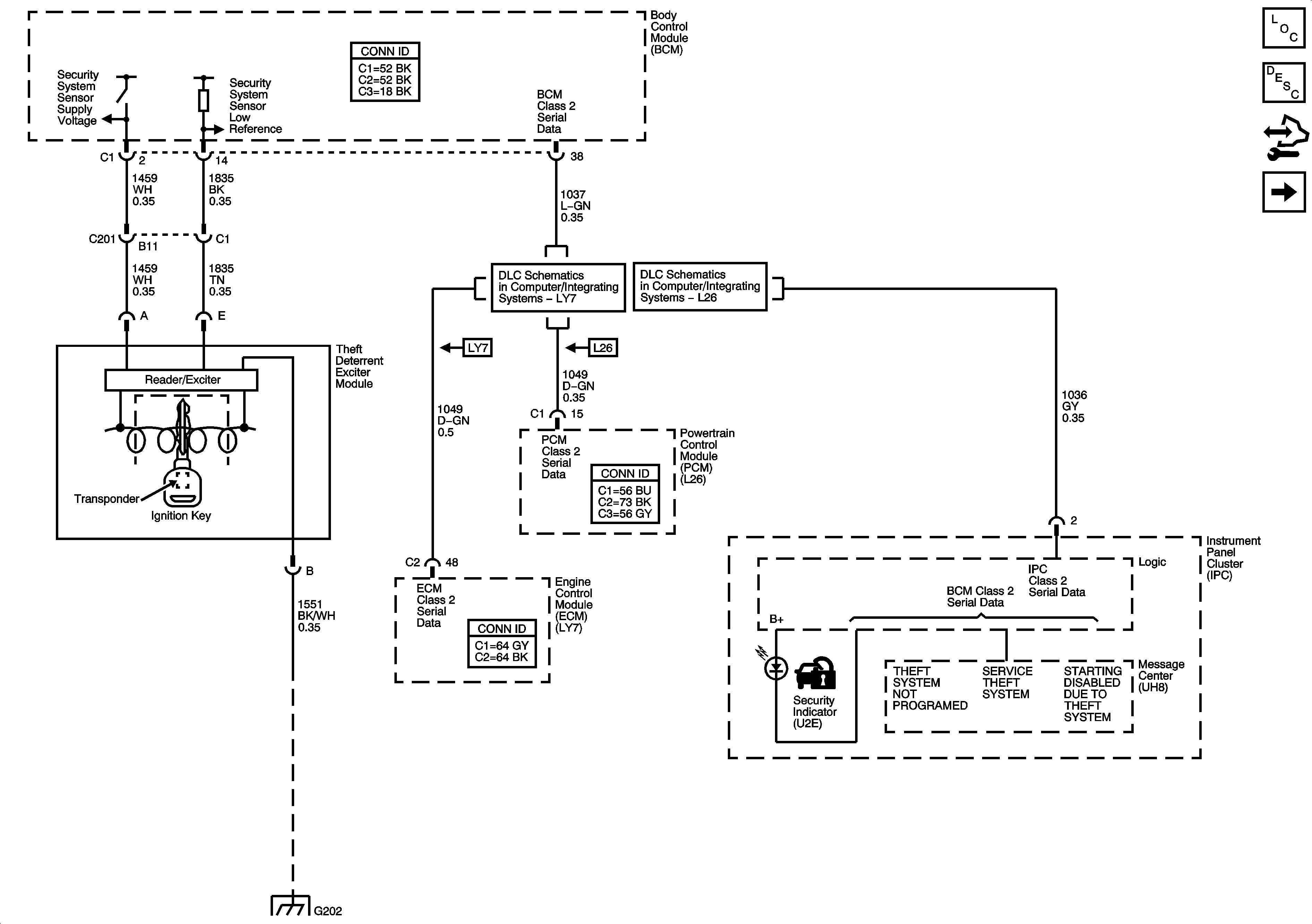
🢒 Vehicle Theft Deterrent (VTD) System
Vehicle Theft Deterrent (VTD) System
Vehicle Theft Deterrent (VTD) System
Master Electrical Component List
Vehicle Theft Deterrent (VTD) Description and Operation
Control Module References
Content Theft Deterrent (CTD) System
LY7
L26
G202