GM Service Manual Online
For 1990-2009 cars only
Figure 1:

TCM Power, Ground, and Serial Data (LY7)


Object Number: 1645595  Size: FS
Master Electrical Component List
Transmission Component and System Description
Control Module References
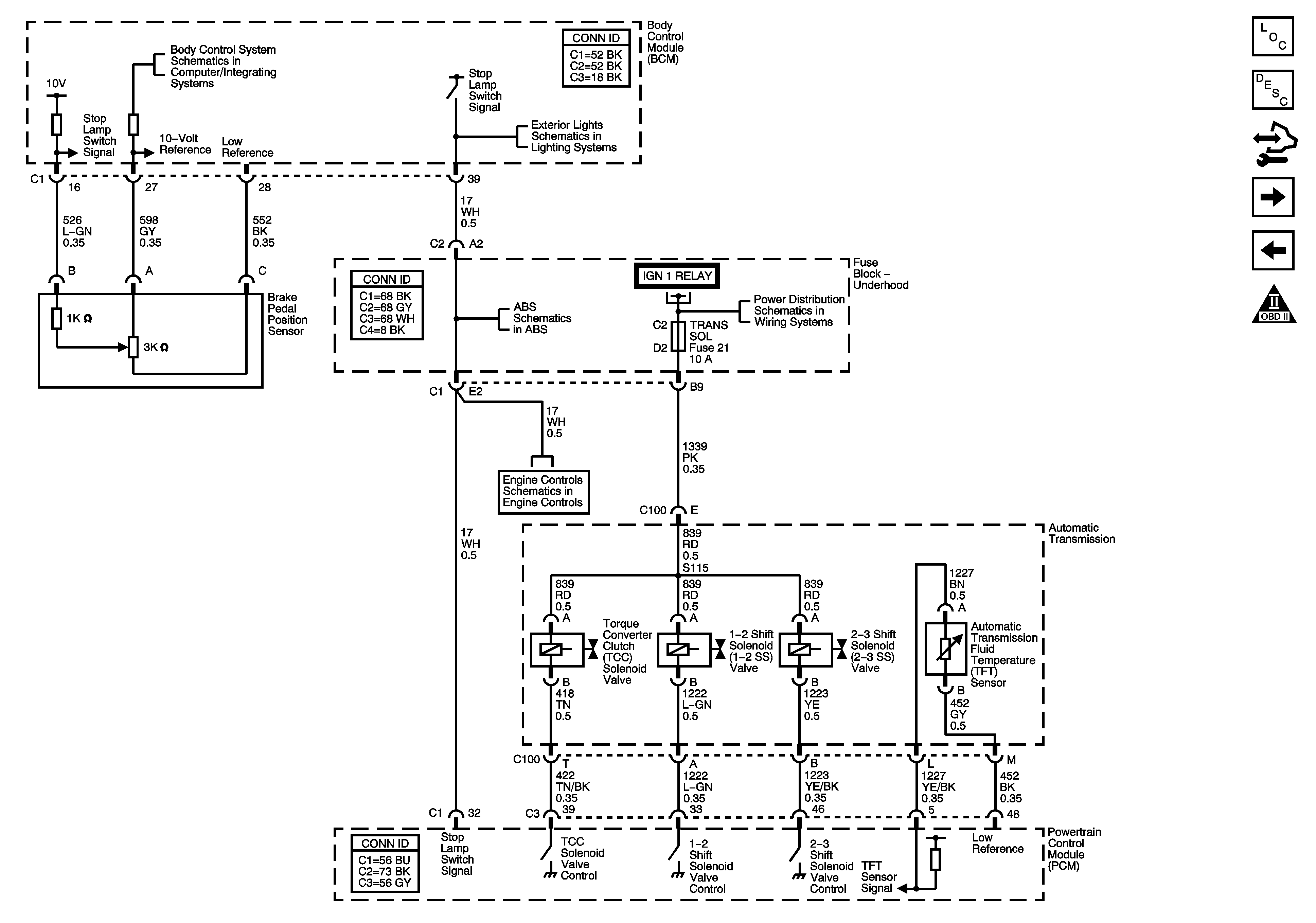
Shift and TCC Solenoid Valves, TFT Sensor, and Stop Lamp Switch (LY7)
Automatic Transmission Schematic Icons
Ignition Switch
Fuse Block - Underhood B+ Bus
Fuse Block - Underhood B+ Bus
Ignition Switch
Shift and TCC Solenoid Valves, TFT Sensor, and Stop Lamp Switch (LY7)
Data Link Connector (DLC) Schematics LY7
G115 (LY7)
Figure 2:

Shift and TCC Solenoid Valves, TFT Sensor, and Stop Lamp Switch (LY7)


Object Number: 1645599  Size: FS
Master Electrical Component List
Transmission Component and System Description
Control Module References
PC Solenoid Valve, Fluid Pressure Manual Valve Position Switch, ISS and VSS Sensors (LY7)
TCM Power, Ground, and Serial Data (LY7)
Automatic Transmission Schematic Icons
Turn Signal, Hazard and Stop Lamps Outputs
Exterior Lights and Interior Lights References
TCM Power, Ground, and Serial Data (LY7)
MAF, VSS and Stop Lamp Switch
Data Active Brake and Stability
Figure 3:

PC Solenoid Valve, Fluid Pressure Manual Valve Position Switch, ISS and VSS Sensors (LY7)


Object Number: 1645601  Size: FS
Master Electrical Component List
Transmission Component and System Description
Control Module References
Internal Mode Switch (LY7)
Shift and TCC Solenoid Valves, TFT Sensor, and Stop Lamp Switch (LY7)
Automatic Transmission Schematic Icons
Automatic Transmission Schematic Icons
Automatic Transmission Schematic Icons
Figure 4:

Internal Mode Switch (LY7)


Object Number: 1645602  Size: FS
Master Electrical Component List
Transmission Component and System Description
Control Module References
Shift and TCC Solenoid Valves, TFT Sensor, and Stop Lamp Switch (L26)
PC Solenoid Valve, Fluid Pressure Manual Valve Position Switch, ISS and VSS Sensors (LY7)
Automatic Transmission Schematic Icons
G115 (LY7)
Figure 5:

Shift and TCC Solenoid Valves, TFT Sensor, and Stop Lamp Switch (L26)


Object Number: 1645603  Size: FS
Master Electrical Component List
Transmission Component and System Description
Control Module References
PC Solenoid Valve, Fluid Pressure Manual Valve Position Switch, ISS and VSS SEnsors (L26)
Internal Mode Switch (LY7)
Automatic Transmission Schematic Icons
Exterior Lights and Interior Lights References
Turn Signal, Hazard and Stop Lamps Outputs
Data Active Brake and Stability
Fuse Block - Underhood B+ Bus
Fuse Block - Underhood B+ Bus
Figure 6:

PC Solenoid Valve, Fluid Pressure Manual Valve Position Switch, ISS and VSS Sensors (L26)


Object Number: 1645605  Size: FS
Master Electrical Component List
Transmission Component and System Description
Control Module References
Internal Mode Switch (L26)
Shift and TCC Solenoid Valves, TFT Sensor, and Stop Lamp Switch (L26)
Automatic Transmission Schematic Icons
Automatic Transmission Schematic Icons
Automatic Transmission Schematic Icons
Figure 7:

Internal Mode Switch (L26)


Object Number: 1645610  Size: FS
Master Electrical Component List
Transmission Component and System Description
Control Module References
PC Solenoid Valve, Fluid Pressure Manual Valve Position Switch, ISS and VSS SEnsors (L26)
Automatic Transmission Schematic Icons
G101, G102, G103, G111, G112, and G113