GM Service Manual Online
For 1990-2009 cars only
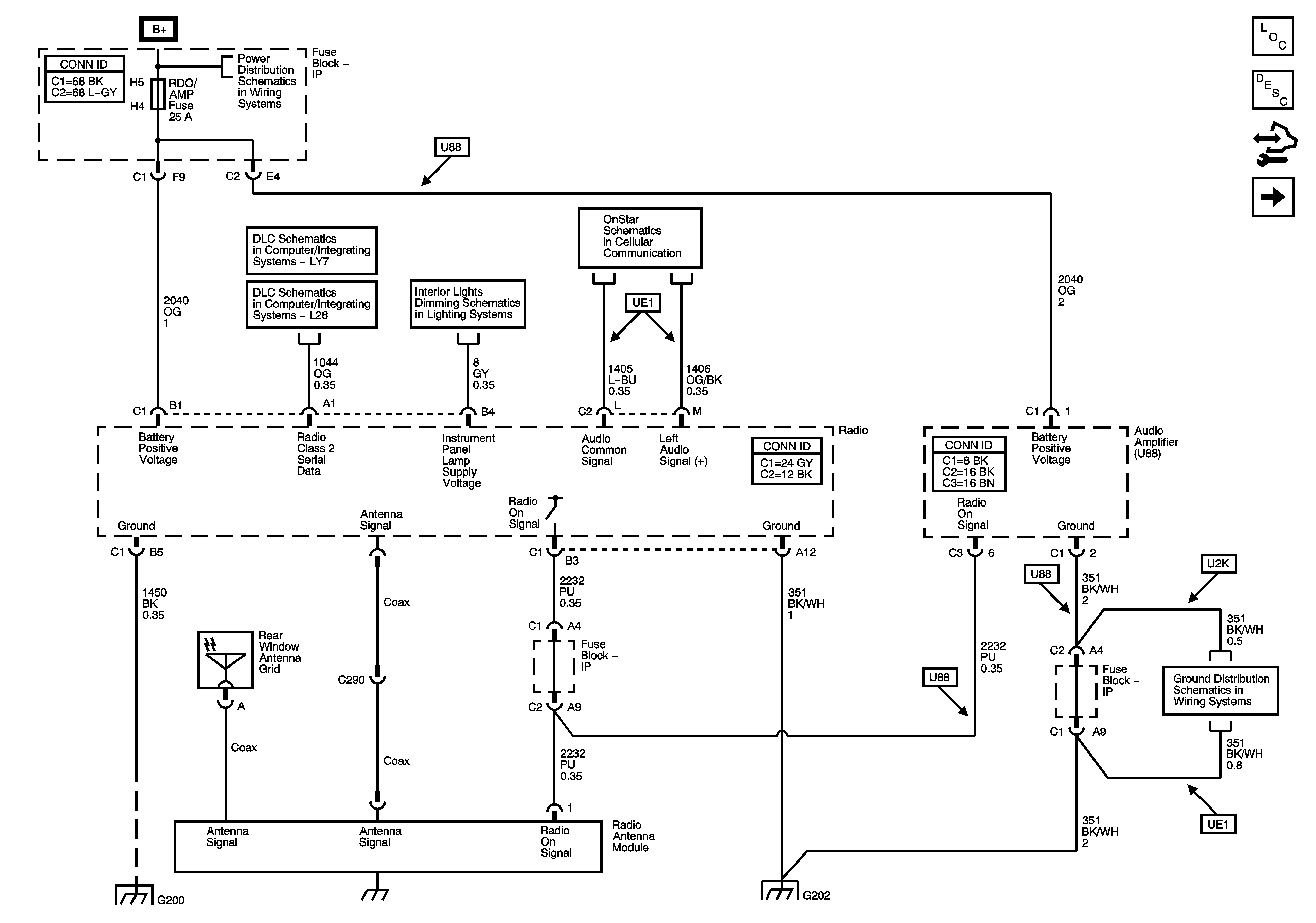
Figure 1:

Power, Ground, Serial Data, and Antenna Module


Object Number: 1645665  Size: FS
Master Electrical Component List
Radio/Audio System Description and Operation
Control Module References
Speakers - UW6
Fuse Block - Underhood BATT MAIN 1 Fuse, Fuse Block - I/P PK LAMPS, DISPLAYS, CHMSL/BKUP, INT LIGHT, RFA/MOD, RADIO/AMP, ONSTAR/ALDL, HVAC, and CANISTER Fuses and PK LP Relay
Data Link Connector (DLC) Schematics LY7
Data Link Connector (DLC) Schematics L26
I/P, Console, and Driver Door Lighting
VCIM to Inside Rearview Mirrors
G202
G200
G202
Figure 2:

Speakers - UW6


Object Number: 1645667  Size: FS
Master Electrical Component List
Radio/Audio System Description and Operation
Control Module References
Radio to Amplifier - U88
Power, Ground, Serial Data and Antenna Module
Entertainment Schematic Icons
Entertainment Schematic Icons
Entertainment Schematic Icons
Entertainment Schematic Icons
Figure 3:

Radio to Amplifier - U88


Object Number: 1645668  Size: FS
Master Electrical Component List
Radio/Audio System Description and Operation
Control Module References
Front Speakers - U88
Speakers - UW6
Entertainment Schematic Icons
Entertainment Schematic Icons
Entertainment Schematic Icons
Entertainment Schematic Icons
Entertainment Schematic Icons
Entertainment Schematic Icons
Entertainment Schematic Icons
Entertainment Schematic Icons
Figure 4:

Front Speakers - U88


Object Number: 1645669  Size: FS
Master Electrical Component List
Radio/Audio System Description and Operation
Control Module References
Rear Speakers - U88
Radio to Amplifier - U88
Entertainment Schematic Icons
Entertainment Schematic Icons
Entertainment Schematic Icons
Entertainment Schematic Icons
Figure 5:

Rear Speakers - U88


Object Number: 1645671  Size: FS
Master Electrical Component List
Radio/Audio System Description and Operation
Control Module References
Satellite Radio - U2K
Front Speakers - U88
Figure 6:

Satellite Radio - U2K


Object Number: 1645672  Size: FS
Master Electrical Component List
Radio/Audio System Description and Operation
Control Module References
Steering Wheel Controls
Rear Speakers - U88
Fuse Block - Underhood BATT MAIN 1 Fuse, Fuse Block - I/P PK LAMPS, DISPLAYS, CHMSL/BKUP, INT LIGHT, RFA/MOD, RADIO/AMP, ONSTAR/ALDL, HVAC, and CANISTER Fuses and PK LP Relay
Fuse Block - Underhood BATT MAIN 1 Fuse, Fuse Block - I/P PK LAMPS, DISPLAYS, CHMSL/BKUP, INT LIGHT, RFA/MOD, RADIO/AMP, ONSTAR/ALDL, HVAC, and CANISTER Fuses and PK LP Relay
Data Link Connector (DLC) Schematics L26
Data Link Connector (DLC) Schematics LY7
Entertainment Schematic Icons
G202
Figure 7:

Steering Wheel Controls


Object Number: 1778750  Size: FS
Master Electrical Component List
Radio/Audio System Description and Operation
Control Module References
Satellite Radio - U2K
Entertainment Schematic Icons