GM Service Manual Online
For 1990-2009 cars only
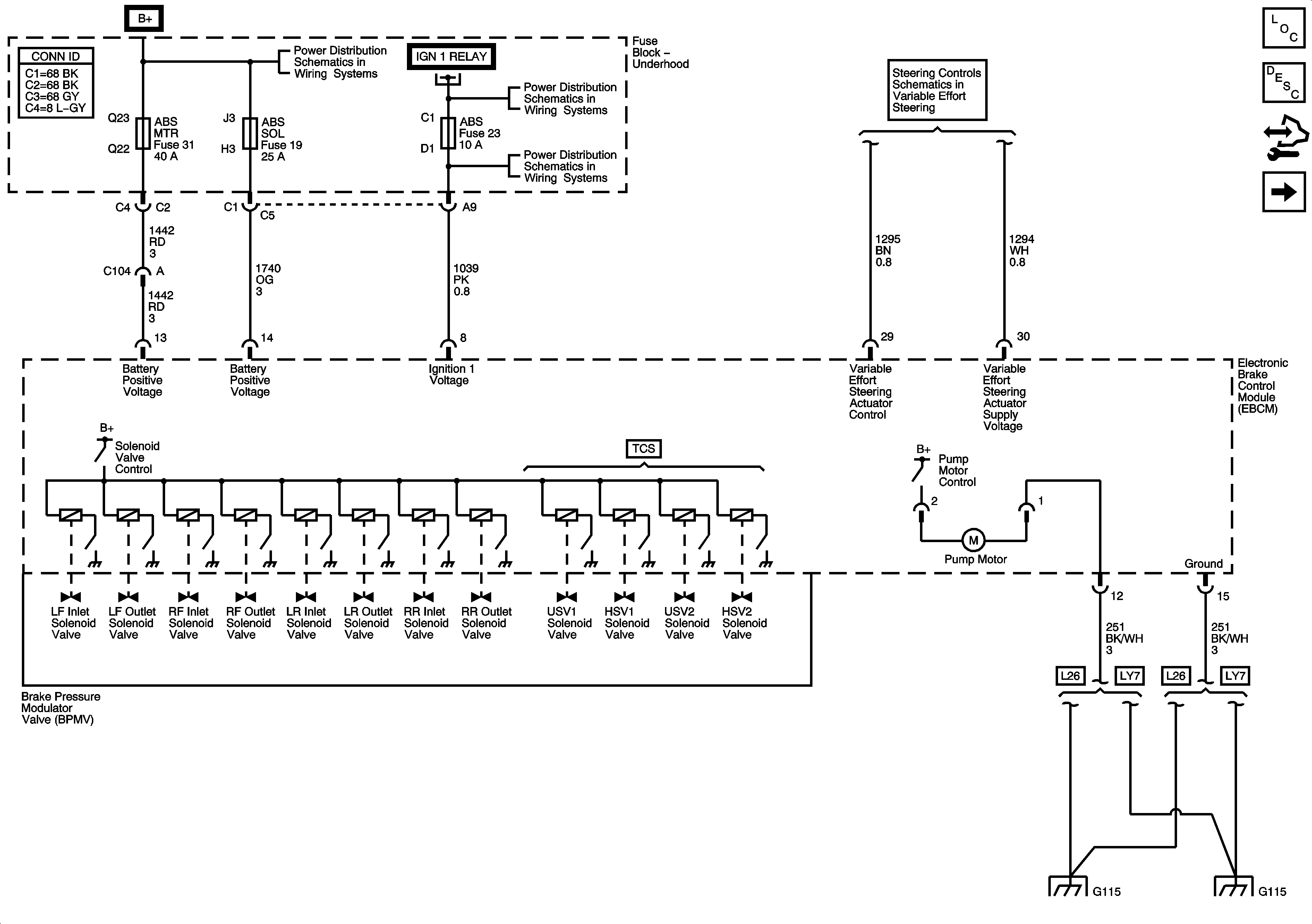
Figure 1:

Power, Ground, and Brake Pressure Modulator Valves


Object Number: 1645389  Size: FS
Master Electrical Component List
ABS Description and Operation
Control Module References
Data Active Brake and Stability
Fuse Block - Underhood B+ Bus
Fuse Block - Underhood B+ Bus
Fuse Block - Underhood B+ Bus
Fuse Block - Underhood ABS, TRANS SOL, PCM, SIR, and DISPLAY Fuses, CRANK Relay, and Fuse Block - I/P CRUISE SW Fuse
Steering Controls Schematics
G115 (L26)
G115 (LY7)
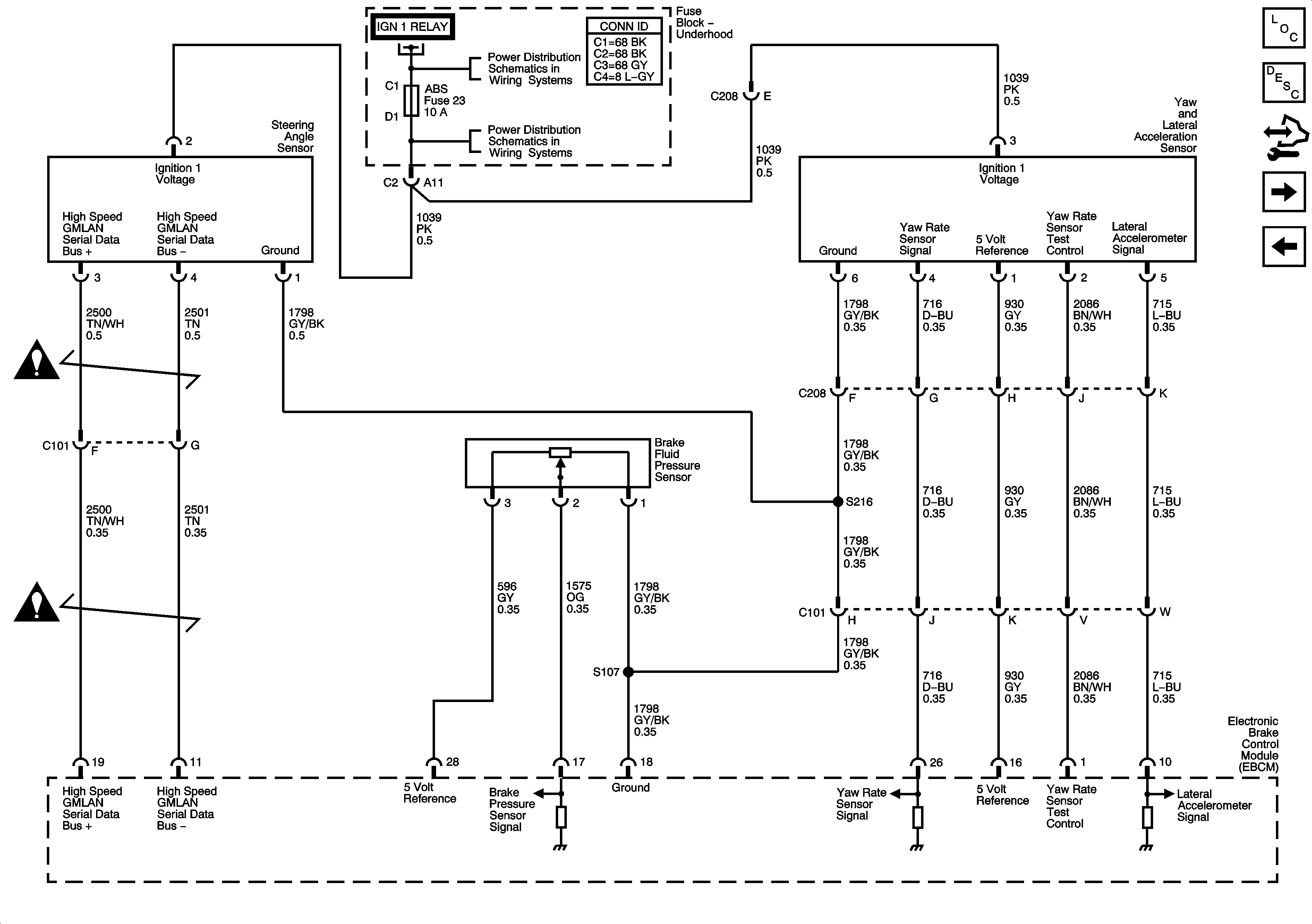
Figure 2:

Indicators, Stop Lamp, Traction Controls, and Serial Data


Object Number: 1645390  Size: FS
Master Electrical Component List
ABS Description and Operation
Control Module References
Controls JL4
Power, Ground, and Brake Pressure Modulators Valves Indicators, Stop Lamp, Traction Controls, and Serial Data
Turn Signal, Hazard and Stop Lamps Outputs
Exterior Lights and Interior Lights References
MAF, VSS and Stop Lamp Switch
Electronic Throttle Controls
Shift and TCC Solenoid Valves, TFT Sensor, and Stop Lamp Switch (LY7)
Driver Information System Schematics
I/P, Console, and Driver Door Lighting
Data Link Connector (DLC) Schematics LY7
Data Link Connector (DLC) Schematics L26
G202
Figure 3:

Active Brake and Stability Controls (JL4)


Object Number: 1645392  Size: FS
Master Electrical Component List
ABS Description and Operation
Control Module References
Wheel Speed Sensors
Data Active Brake and Stability
Fuse Block - Underhood B+ Bus
Fuse Block - Underhood B+ Bus
Fuse Block - Underhood ABS, TRANS SOL, PCM, SIR, and DISPLAY Fuses, CRANK Relay, and Fuse Block - I/P CRUISE SW Fuse
Antilock Brake System Schematic Icons
Antilock Brake System Schematic Icons
Figure 4:

Wheel Speed Sensors


Object Number: 1645393  Size: FS
Master Electrical Component List
ABS Description and Operation
Control Module References
Controls JL4
Antilock Brake System Schematic Icons
Antilock Brake System Schematic Icons
Antilock Brake System Schematic Icons
Antilock Brake System Schematic Icons
Antilock Brake System Schematic Icons
Antilock Brake System Schematic Icons
Antilock Brake System Schematic Icons
Antilock Brake System Schematic Icons
Antilock Brake System Schematic Icons
Antilock Brake System Schematic Icons