GM Service Manual Online
For 1990-2009 cars only
Makes
🢒
Buick
🢒
2006
🢒
LaCrosse
🢒
Body
🢒
Lighting Systems
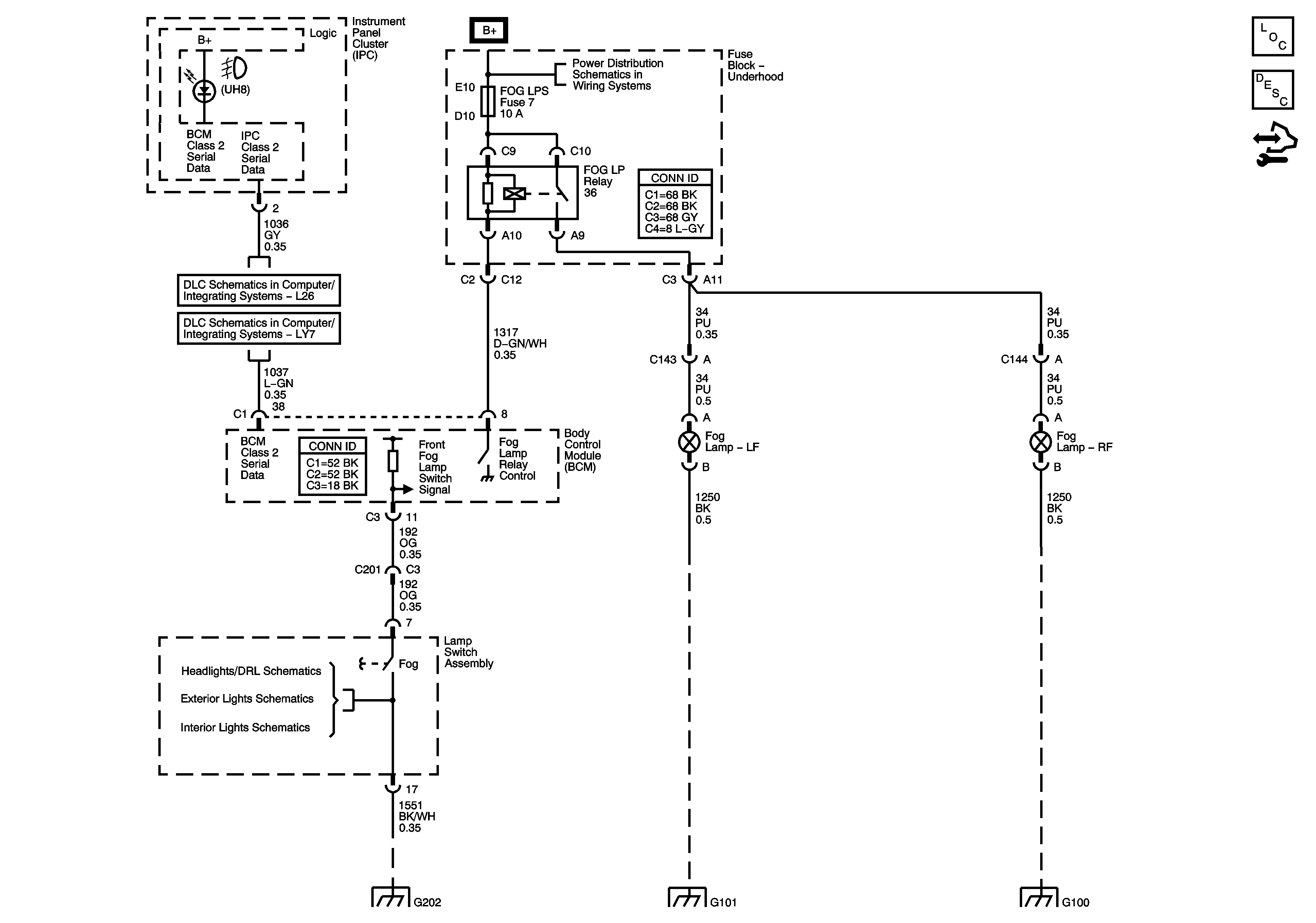
🢒 Fog Lights Schematics
Master Electrical Component List
Exterior Lighting Systems Description and Operation
Control Module References
Data Link Connector (DLC) Schematics L26
Data Link Connector (DLC) Schematics LY7
Fuse Block - Underhood B+ Bus
Headlights/Daytime Runing Lights (DRL) Schematics
Park Lamps
Lamp Controls
G202
G101, G102, G103, G111, G112, and G113
G100