GM Service Manual Online
For 1990-2009 cars only
Figure 1:

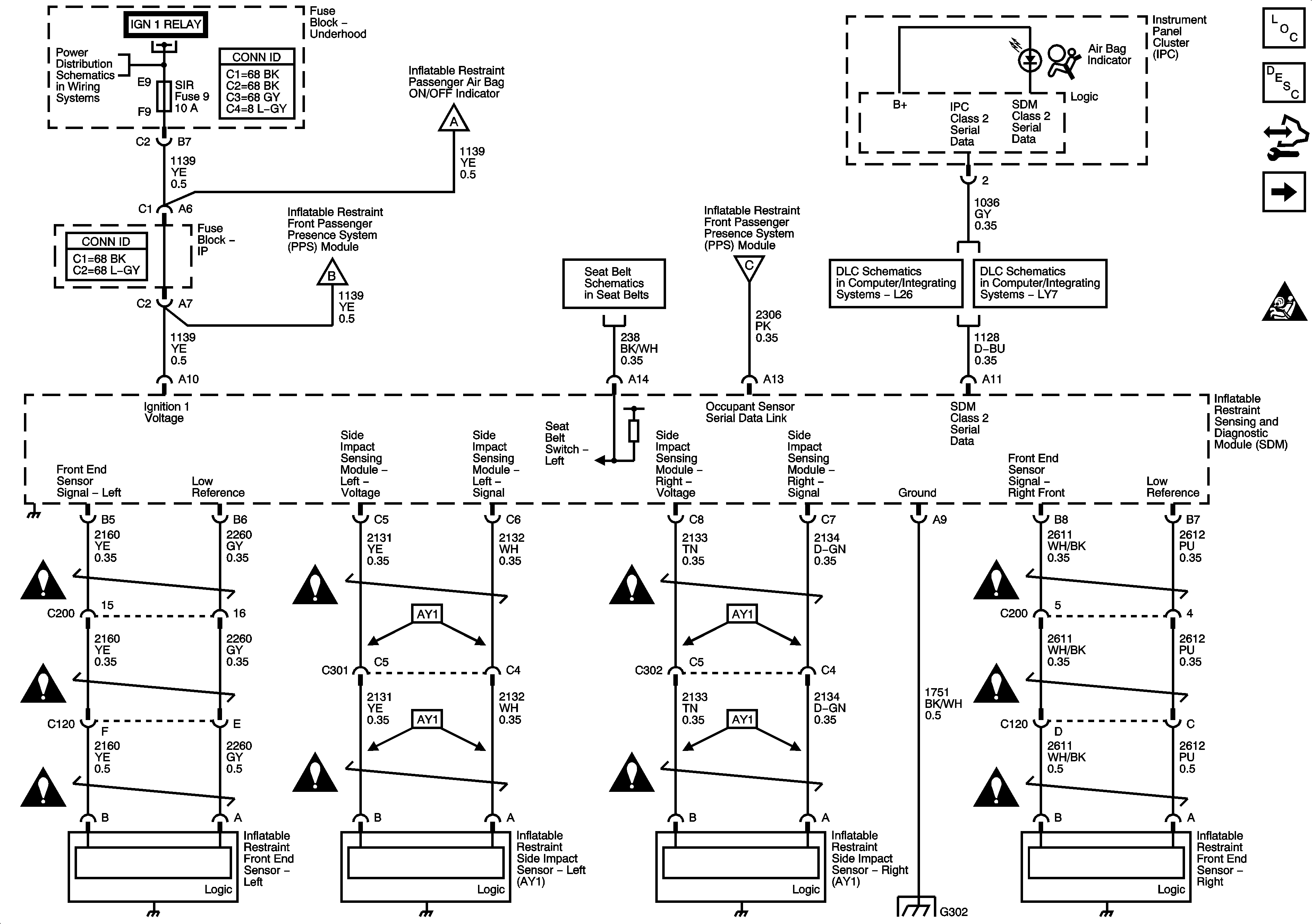
Power, Ground, DLC, Indicators, Sensors, and References


Object Number: 1645767  Size: FS
Master Electrical Component List
SIR System Description and Operation
Control Module References
Air Bag Modules and Seat Belt Pretensioners
SIR Schematic Icons
Fuse Block - Underhood B+ Bus
Fuse Block - Underhood B+ Bus
Passenger Presence System
Passenger Presence System
Seat Belt Schematics
Passenger Presence System
Data Link Connector (DLC) Schematics L26
Data Link Connector (DLC) Schematics LY7
SIR Schematic Icons
SIR Schematic Icons
SIR Schematic Icons
SIR Schematic Icons
SIR Schematic Icons
SIR Schematic Icons
SIR Schematic Icons
SIR Schematic Icons
SIR Schematic Icons
SIR Schematic Icons
G302
Figure 2:

Air Bag Modules and Seat Belt Pretensioners


Object Number: 1645770  Size: FS
Master Electrical Component List
SIR System Description and Operation
Control Module References
Passenger Presence System
Power Ground, DLC Indicators, Sensors, and References
SIR Schematic Icons
SIR Schematic Icons
SIR Schematic Icons
SIR Schematic Icons
SIR Schematic Icons
SIR Schematic Icons
SIR Schematic Icons
SIR Schematic Icons
SIR Schematic Icons
SIR Schematic Icons
SIR Schematic Icons
Figure 3:

Passenger Presence System


Object Number: 1645772  Size: FS
Master Electrical Component List
SIR System Description and Operation
Control Module References
Air Bag Modules and Seat Belt Pretensioners
SIR Schematic Icons
Fuse Block - Underhood B+ Bus
Power Ground, DLC Indicators, Sensors, and References
Fuse Block - Underhood BATT MAIN 1 Fuse, Fuse Block - I/P PK LAMPS, DISPLAYS, CHMSL/BKUP, INT LIGHT, RFA/MOD, RADIO/AMP, ONSTAR/ALDL, HVAC, and CANISTER Fuses and PK LP Relay
Fuse Block - Underhood BATT MAIN 1 Fuse, Fuse Block - I/P PK LAMPS, DISPLAYS, CHMSL/BKUP, INT LIGHT, RFA/MOD, RADIO/AMP, ONSTAR/ALDL, HVAC, and CANISTER Fuses and PK LP Relay
Power Ground, DLC Indicators, Sensors, and References
Heat Controls
SIR Schematic Icons
Power Ground, DLC Indicators, Sensors, and References
G302
G202