GM Service Manual Online
For 1990-2009 cars only
Makes
🢒
Buick
🢒
2006
🢒
LaCrosse
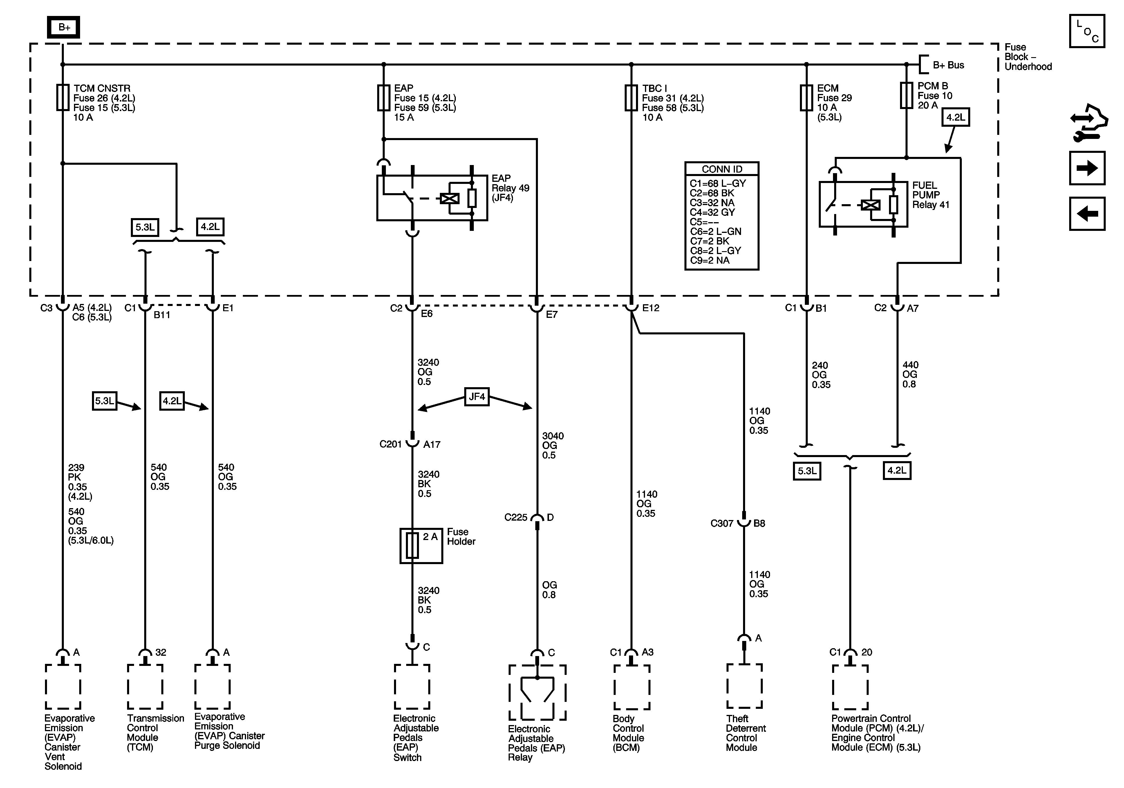
🢒 EAP, ECM, PCMB, TBC I, and TCM CNSTR Fuses
EAP, ECM, PCMB, TBC I, and TCM CNSTR Fuses
EAP, ECM, PCM B, TBC I and TCM CNSTR Fuses
Master Electrical Component List
Control Module References
HVAC B, LGM/DSM, OH BATT/ONSTAR, and RADIO Fuses
ABS, ATC, BLWR, ECAS, ELEC BRK, HAZRD, IPC/DIC, LTR, STOP LAMP, TRLR, VEH CHMSL, VEH STOP, and VSES Fuses
B+ Bus - Underhood Fuse Block - 1 of 2