GM Service Manual Online
For 1990-2009 cars only
Makes
🢒
Buick
🢒
2006
🢒
LaCrosse
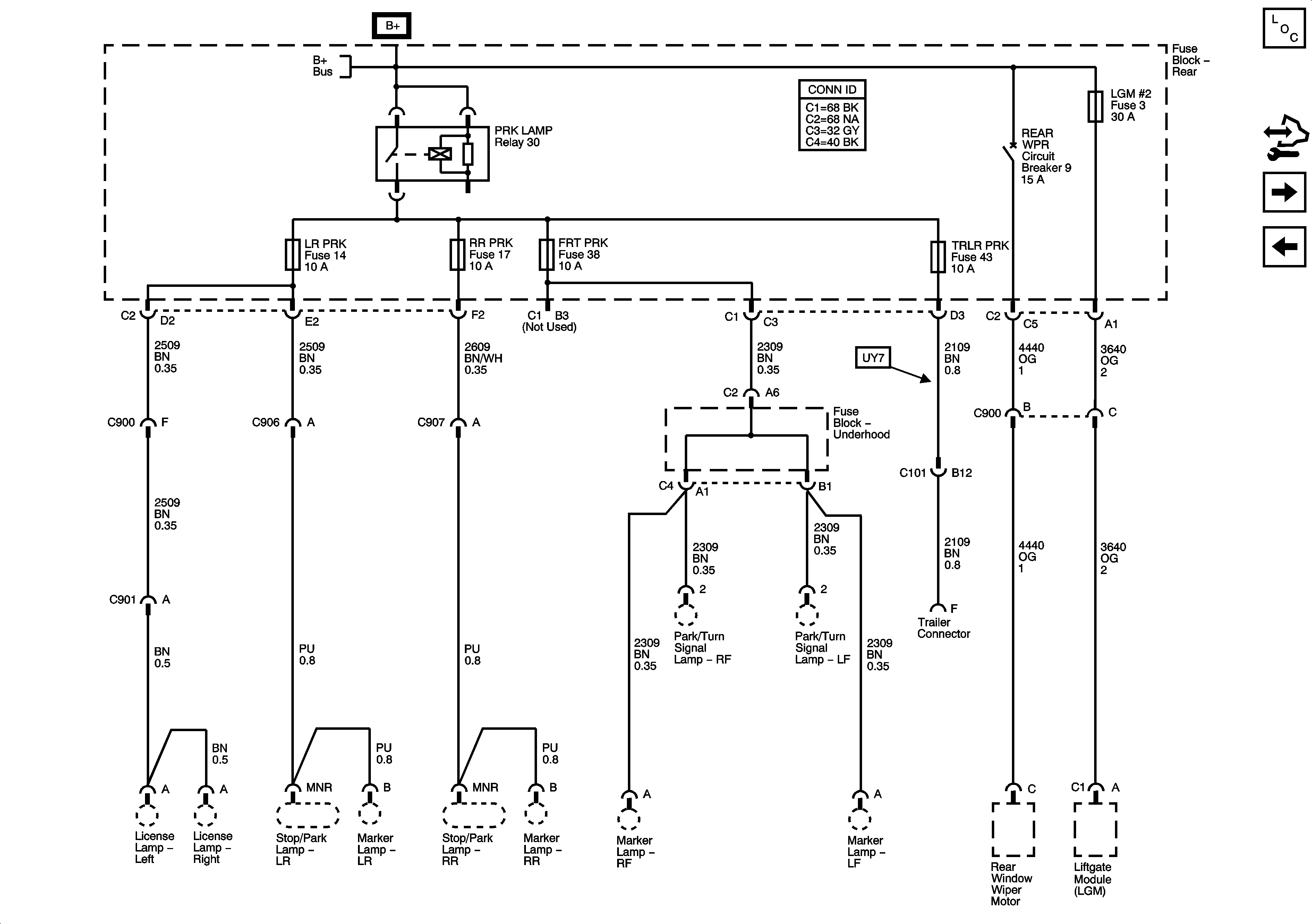
🢒 FRT PRK, LGM #2, LR PRK, RR PRK, TRLR PRK Fuses and REAR WPR Circuit Breaker
FRT PRK, LGM #2, LR PRK, RR PRK, TRLR PRK Fuses and REAR WPR Circuit Breaker
FRT PRK, LGM #2, LR PRK, RR PAK, TRLR PRK Fuses and REAR WPR Circuit Breaker
Master Electrical Component List
Control Module References
Ignition Switch - ACCY/RUN/START, RUN, START Bus Bars and IGNA1 Fuse
AMP, DDM, PDM Fuses, LT DRS, RT DRS, and SEATS Circuit Breakers
B+ Bus - Rear Fuse Block