GM Service Manual Online
For 1990-2009 cars only
Makes
🢒
Buick
🢒
2006
🢒
LaCrosse
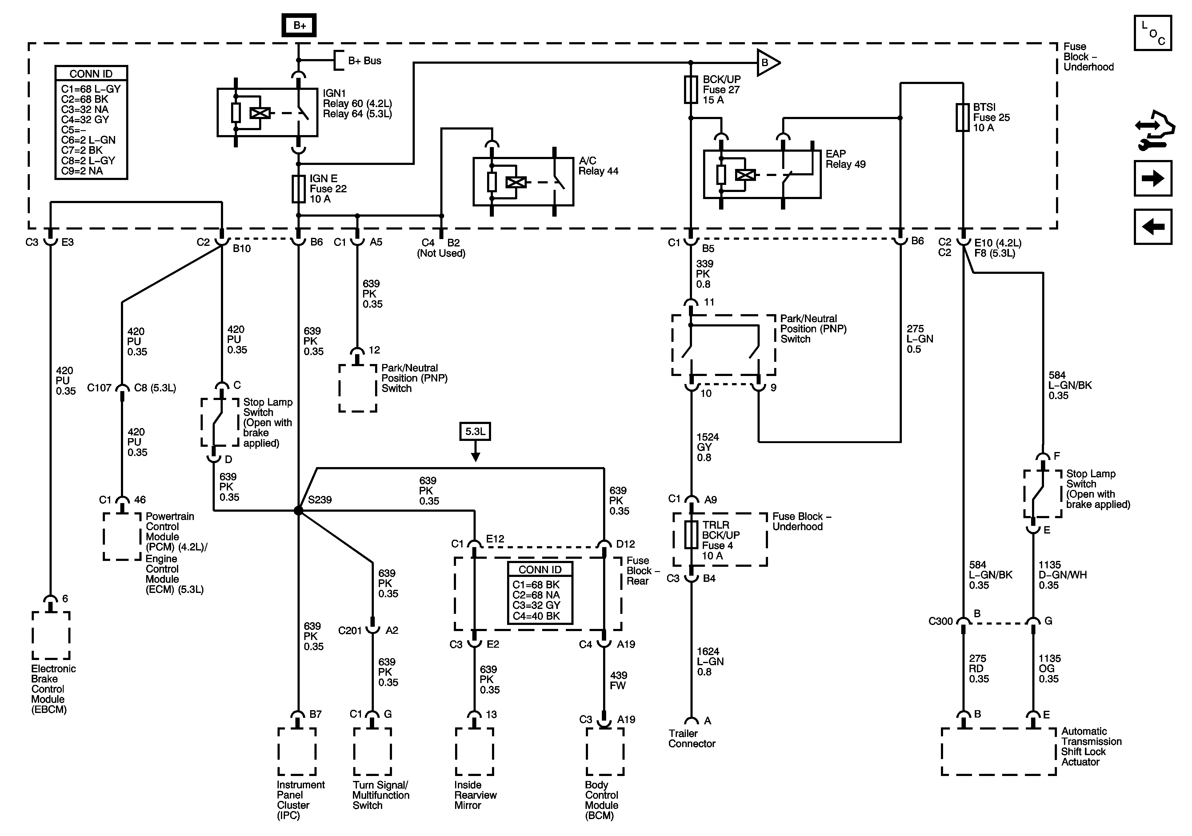
🢒 BCK/UP, BTSI, IGN E, and TRLR BCK/UP Fuses
BCK/UP, BTSI, IGN E, and TRLR BCK/UP Fuses
BCK/UP, BTSI, IGN E, and TRLR BCK/UP Fuses
Master Electrical Component List
Control Module References
AIR SOL and PCM I Fuses
ENG I, INJA, INJB, O2 SNSR A, and O2 SNSR B Fuses - 5.3L
B+ Bus - Underhood Fuse Block - 2 of 2
AIR SOL and PCM I Fuses