GM Service Manual Online
For 1990-2009 cars only
Makes
🢒
Buick
🢒
2006
🢒
LaCrosse
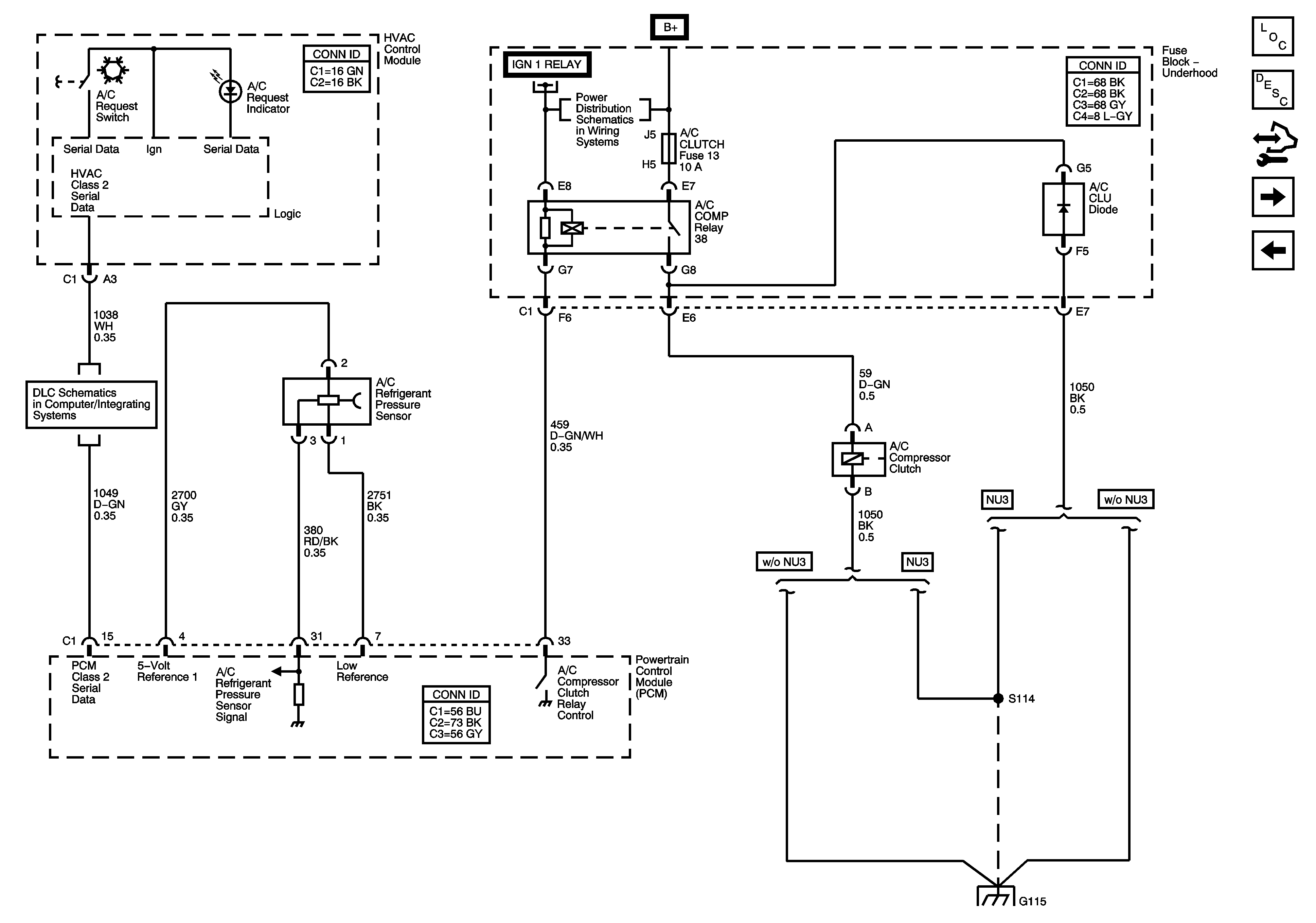
🢒 Compressor Controls and Serial Data (L26)
Compressor Controls and Serial Data (L26)
Compressor Controls and Serial Data (L26)
Master Electrical Component List
Air Temperature Description and Operation
Control Module References
Compressor Controls and Serial Data (LY7)
Power, Ground and Blower Controls
Fuse Block - Underhood B+ Bus
Fuse Block - Underhood B+ Bus
Data Link Connector (DLC) Schematics L26
G115 (L26)