GM Service Manual Online
For 1990-2009 cars only
Makes
🢒
Buick
🢒
2007
🢒
LaCrosse
🢒
Safety and Security
🢒
Immobilizer
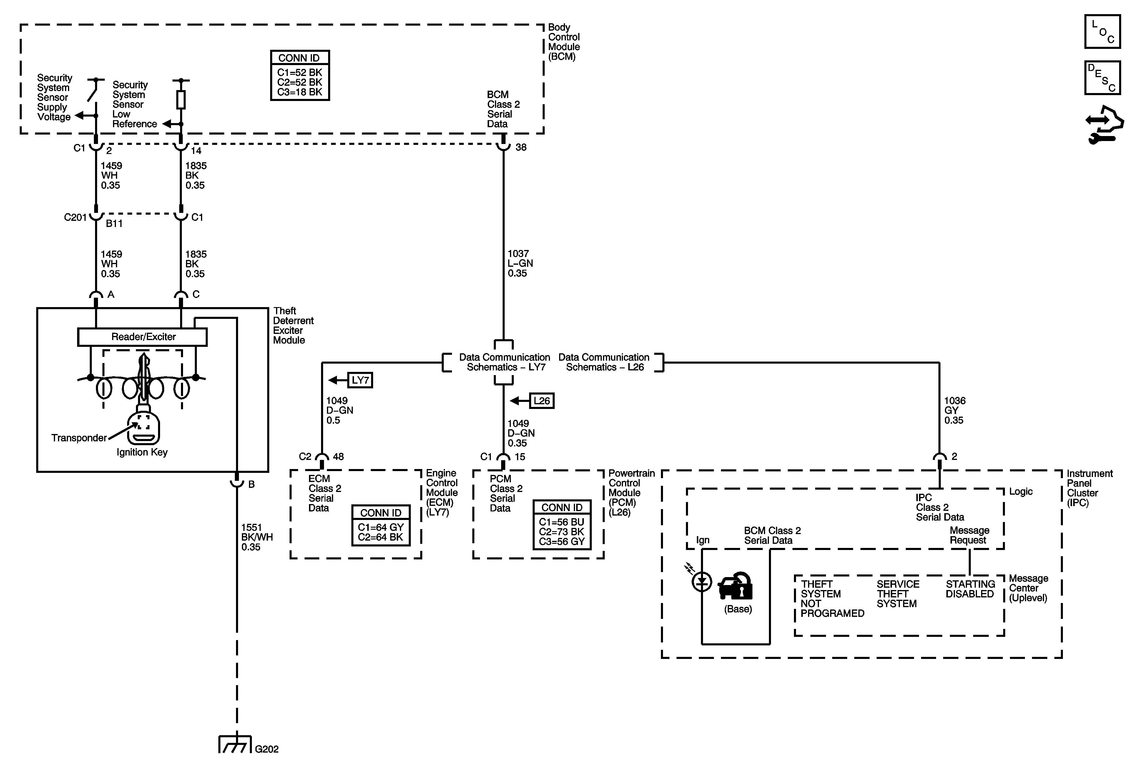
🢒 Immobilizer Schematics
Vehicle Theft Deterrent (VTD) System
Master Electrical Component List
Immobilizer Description and Operation
Control Module References
Data Link Connector (DLC) Schematics LY7
Data Link Connector Schematics L26
G202