GM Service Manual Online
For 1990-2009 cars only
Makes
🢒
Buick
🢒
2007
🢒
LaCrosse
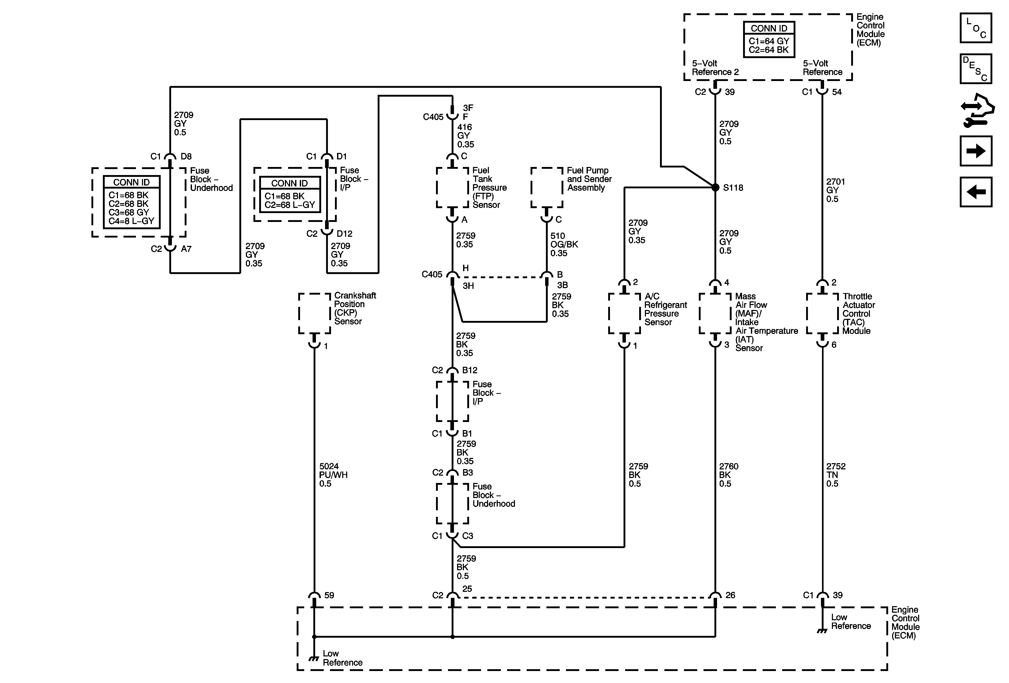
🢒 5 Volt and Low Reference page 1 of 2
5 Volt and Low Reference page 1 of 2
5-Volt and Low Reference - 1 of 2
Master Electrical Component List
Engine Control Module Description
Control Module References
5 Volt and Low Reference Page 2 of 2
Module Power, Ground, Serial Data, and MIL