GM Service Manual Online
For 1990-2009 cars only
Makes
🢒
Buick
🢒
2007
🢒
LaCrosse
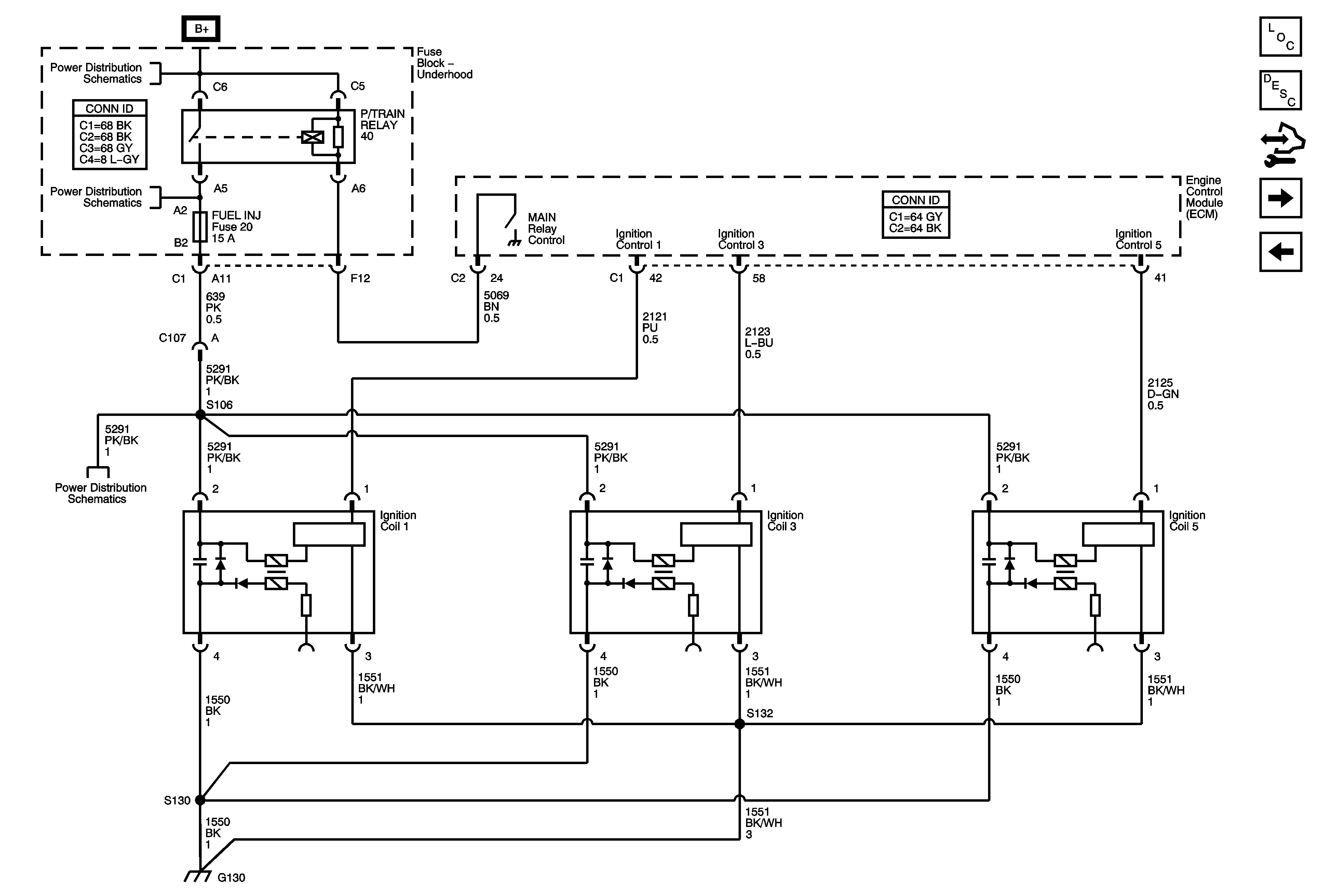
🢒 Ignition Controls - Bank 1 (Odd) Ignition Coils
Ignition Controls - Bank 1 (Odd) Ignition Coils
Ignition Controls - Bank 1 (Odd) Ignition Coils
Master Electrical Component List
Electronic Ignition (EI) System Description
Control Module References
Ignition Controls - Bank 2 (Even) Ignition Coils
Electronic Throttle Controls
Fuse Block-Underhood B+ Bus
Fuse Block - Underhood ELEK IGN, FUEL INJ, and 02 SSR Fuses (LY7)