GM Service Manual Online
For 1990-2009 cars only
Makes
🢒
Buick
🢒
2007
🢒
LaCrosse
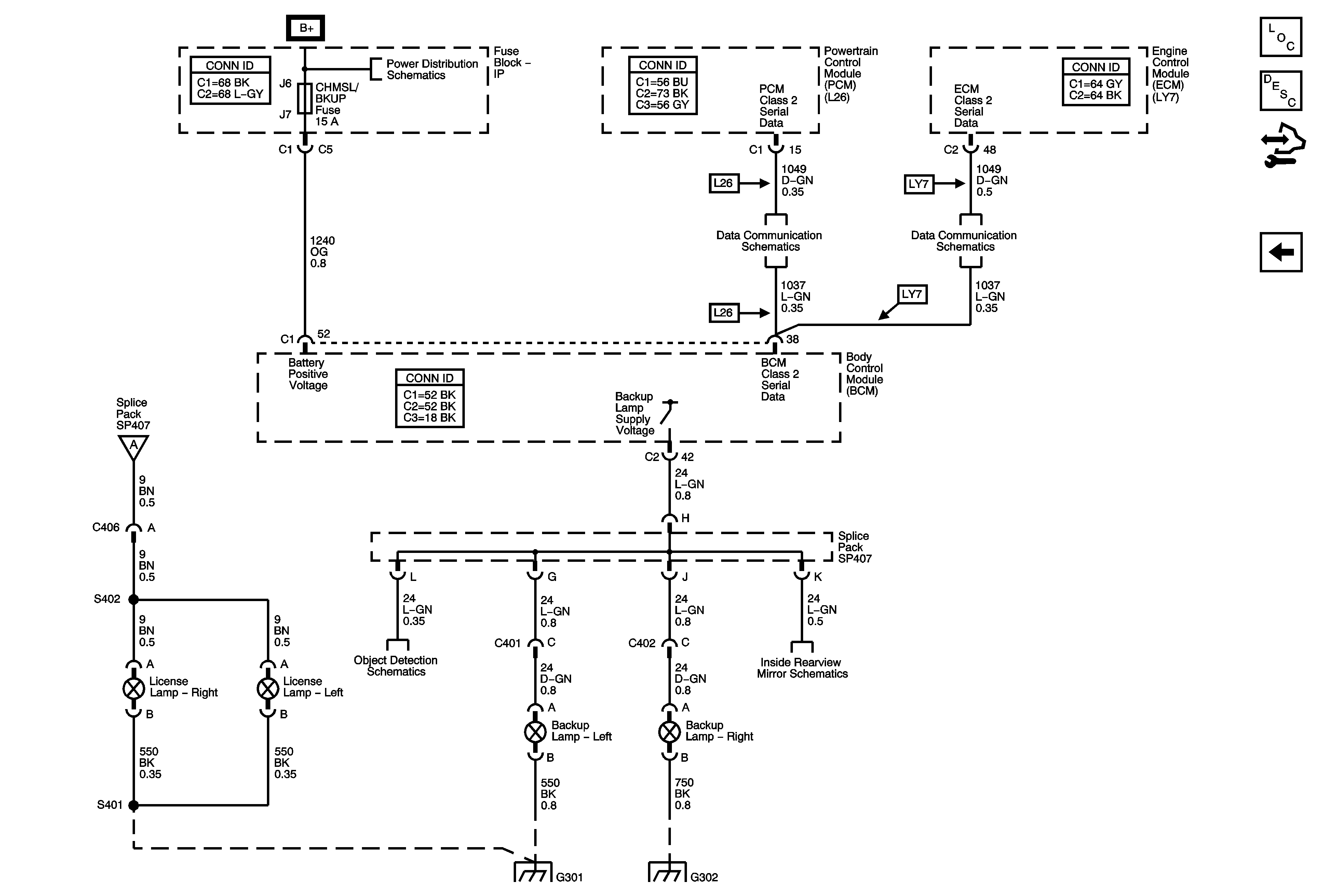
🢒 Backup and License Lamps
Backup and License Lamps
Backup and License Lamps
Master Electrical Component List
Exterior Lighting Systems Description and Operation
Control Module References
Lights Park Lamps
Fuse Block - Underhood BATT MAIN 1 Fuse
Data Link Connector Schematics L26
Data Link Connector (DLC) Schematics LY7
Lights Park Lamps
Object Detection Schematics
Inside Rearview Mirror
G301
G302