GM Service Manual Online
For 1990-2009 cars only
Makes
🢒
Buick
🢒
2007
🢒
LaCrosse
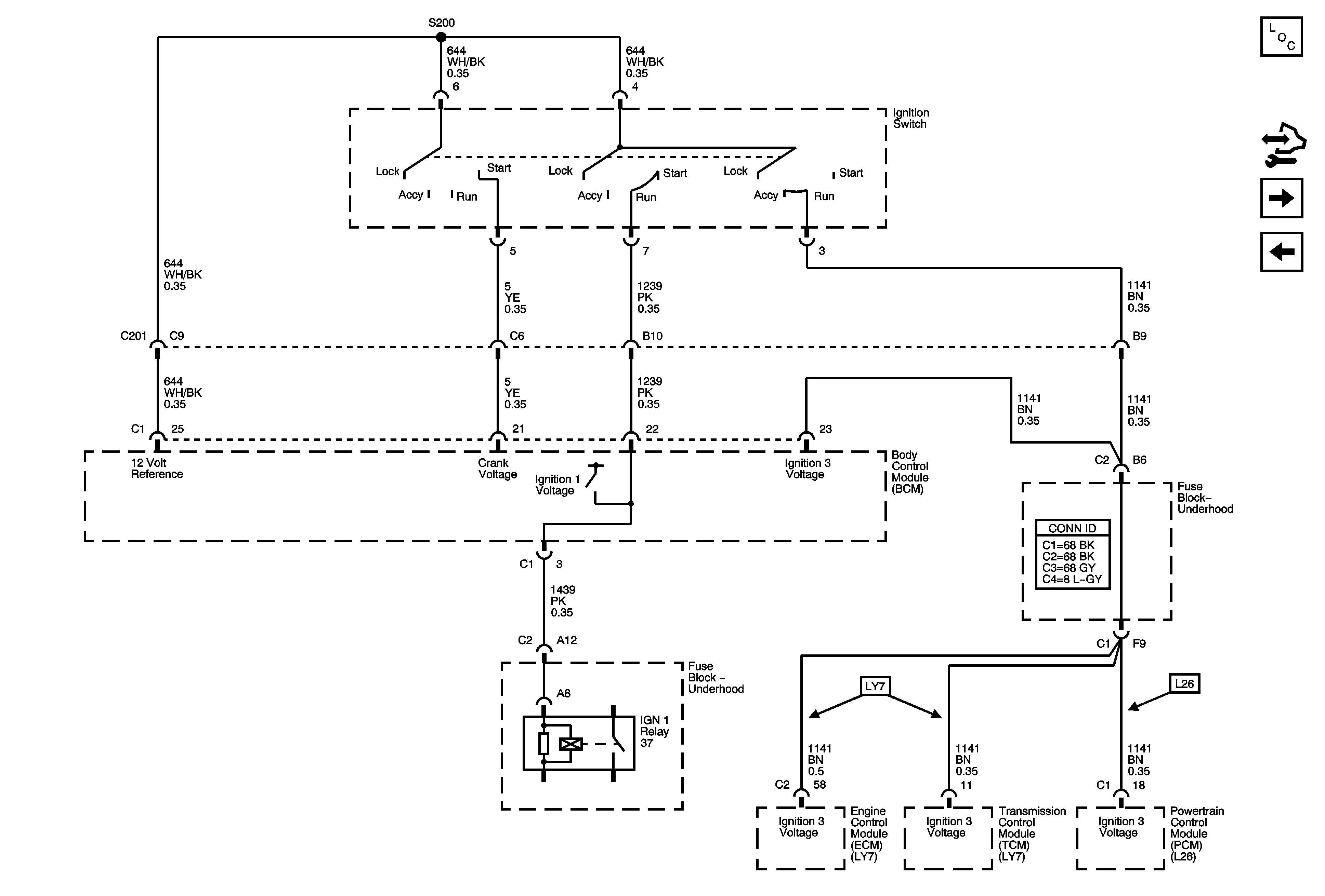
🢒 Ignition Switch
Ignition Switch
Ignition Switch
Master Electrical Component List
Control Module References
Fuse Block - Underhood BATT MAIN 1 Fuse
Fuse Block-Underhood B+ Bus