GM Service Manual Online
For 1990-2009 cars only
Makes
🢒
Buick
🢒
2007
🢒
LaCrosse
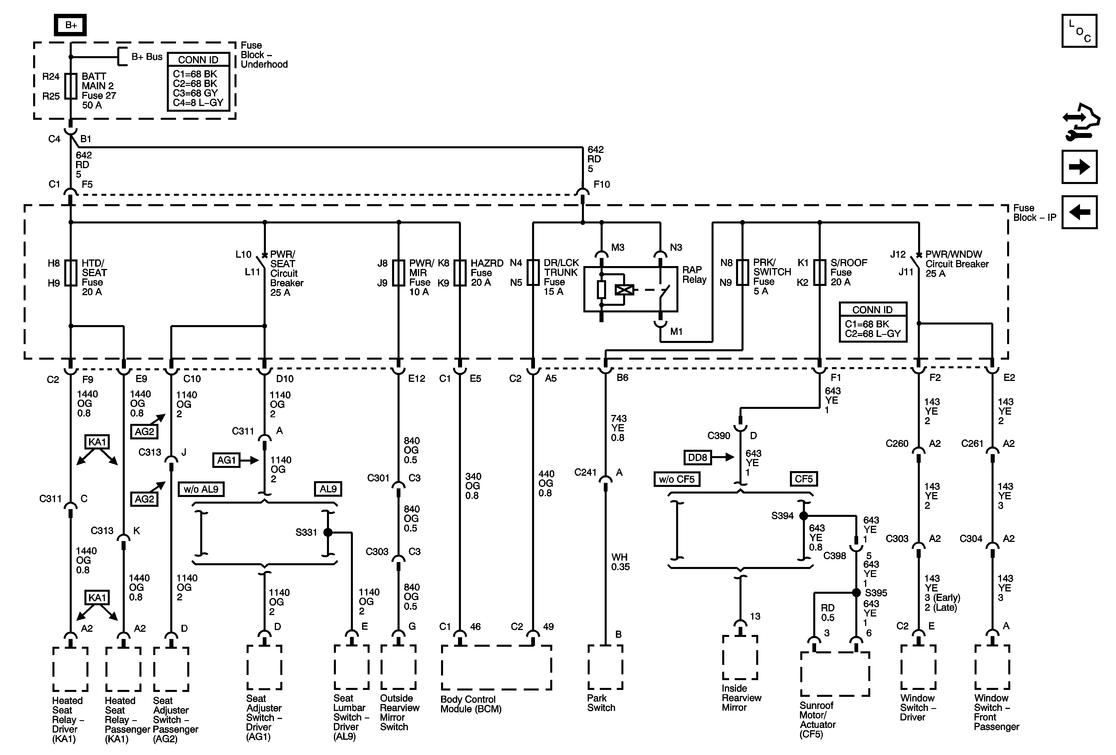
🢒 Fuse Block - Underhood BATT MAIN 2 Fuse
Fuse Block - Underhood BATT MAIN 2 Fuse
BATT MAIN 2, DR/LCK TRUNK, HAZRD, HTD/SEAT, PRK/SWITCH, PWR/MIR, S/ROOF Fuses and PWR/SEAT, PWR/WNDW Circuit Breakers
Master Electrical Component List
Control Module References
Fuse Block - Underhood BATT MAIN 3, BATT MAIN 4
Fuse Block - Underhood BATT MAIN 1 Fuse
Fuse Block-Underhood B+ Bus