GM Service Manual Online
For 1990-2009 cars only
Makes
🢒
Buick
🢒
2007
🢒
LaCrosse
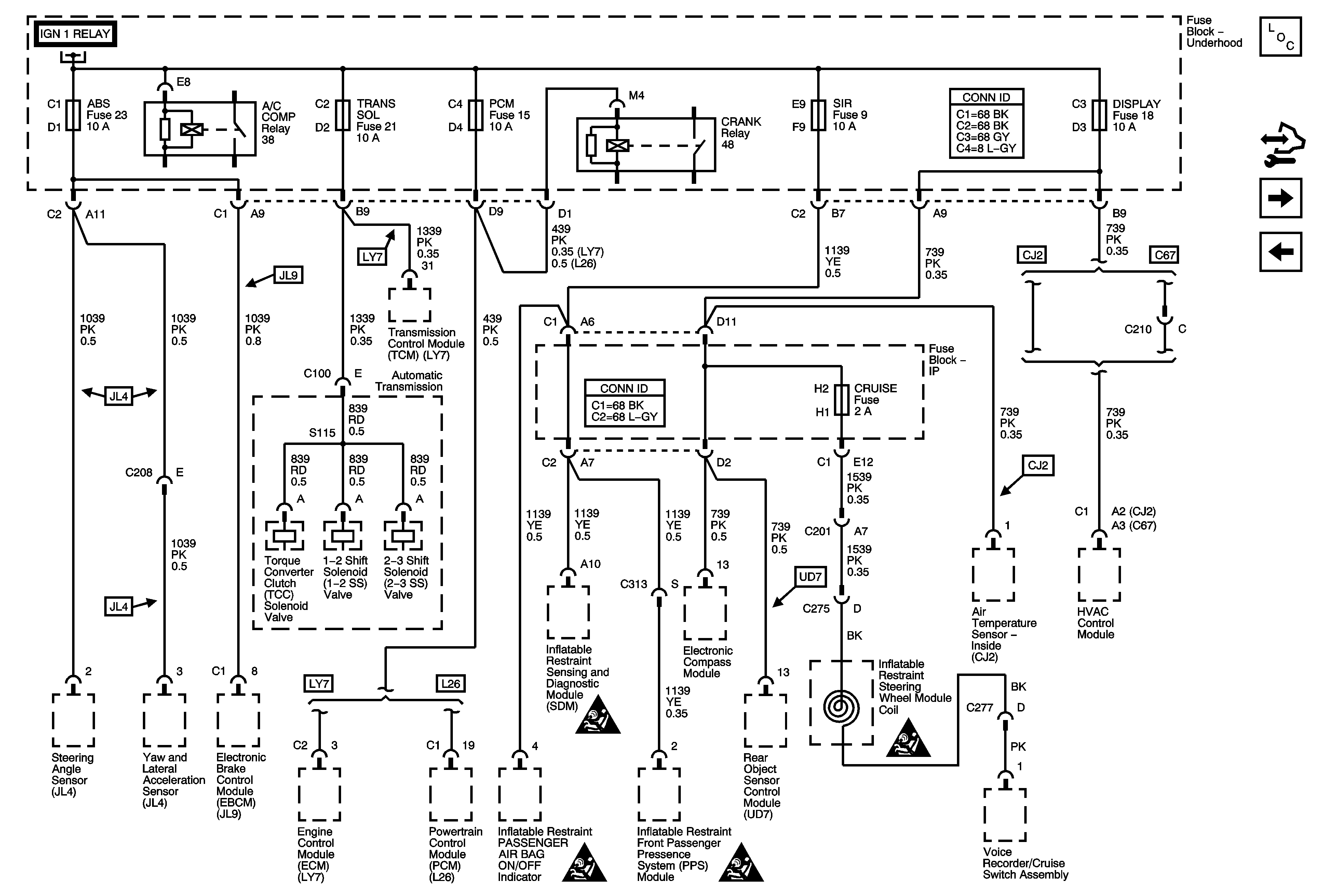
🢒 Fuse Block - Underhood ABS, TRANS SOL, PCM, SIR, and DIPSLAY Fuses, CRANK Relay, and Fuse Block - I/P CRUISE SW Fuse
Fuse Block - Underhood ABS, TRANS SOL, PCM, SIR, and DIPSLAY Fuses, CRANK Relay, and Fuse Block - I/P CRUISE SW Fuse
ABS, DISPLAY, PCM, SIR, TRANS SOL Fuses, CRUISE (FUSE BLOCK - I/P)
Master Electrical Component List
Control Module References
Fuse Block - Underhood ETC, ELEK IGN (L26), FUEL INJ (L26), 02 SSR (L26), and EMISSION Fuses
Fuse Block - Underhood BATT MAIN 3, BATT MAIN 4
Fuse Block-Underhood B+ Bus
Power and Grounding Schematic Icons
Power and Grounding Schematic Icons
Power and Grounding Schematic Icons
Power and Grounding Schematic Icons