GM Service Manual Online
For 1990-2009 cars only
Makes
🢒
Buick
🢒
2007
🢒
LaCrosse
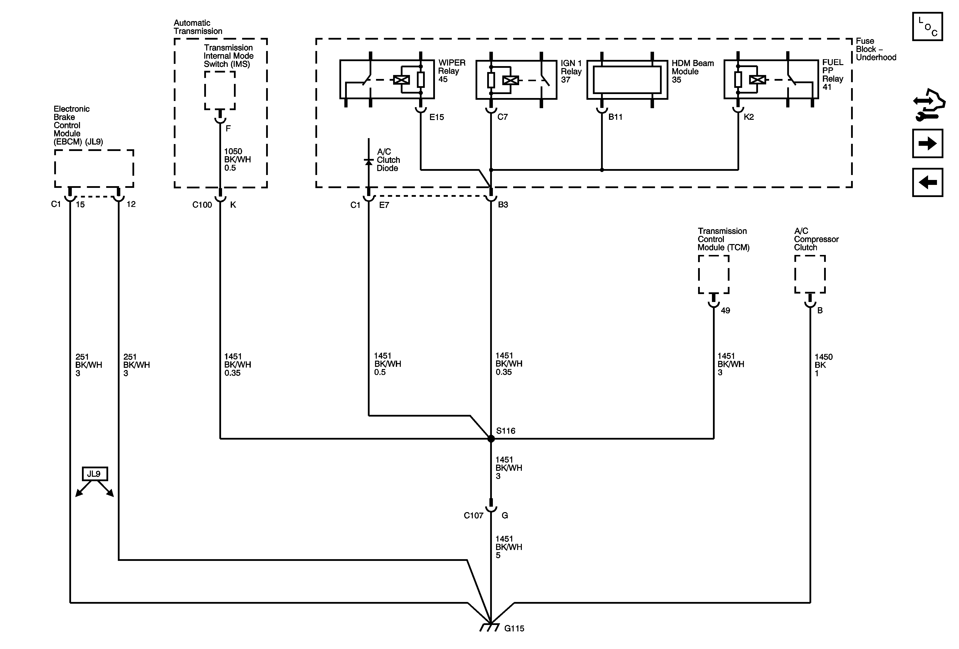
🢒 G115 (LY7)
G115 (LY7)
G115 (LY7)
Master Electrical Component List
Control Module References
G130, G131, LY7
G115 (L26)