GM Service Manual Online
For 1990-2009 cars only
Makes
🢒
Buick
🢒
2008
🢒
LaCrosse
🢒
Engine
🢒
Cruise Control
🢒 Cruise Control Schematics
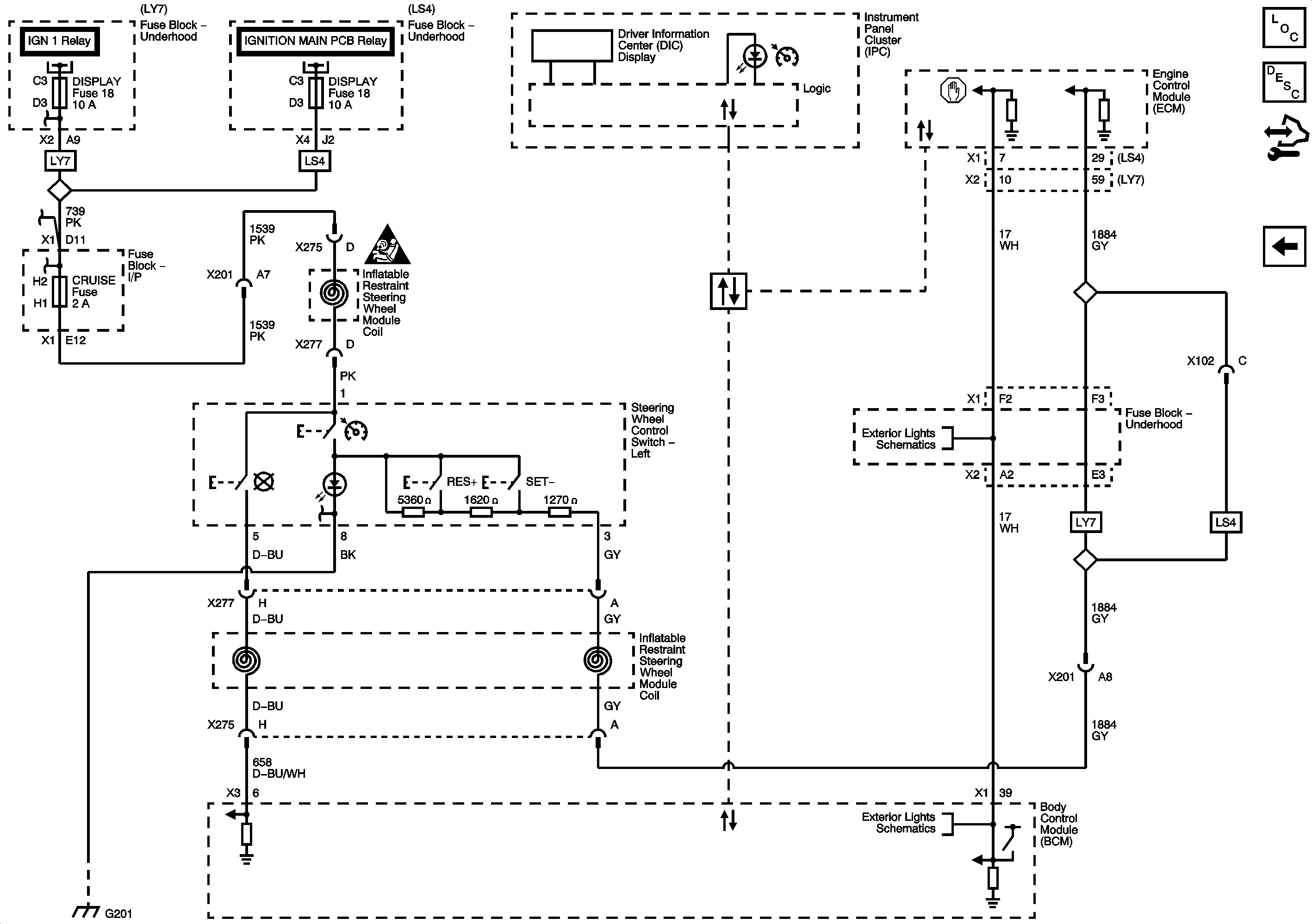
Figure
1:
L26
Master Electrical Component List
Cruise Control Description and Operation
Control Module References
LY7 or LS4
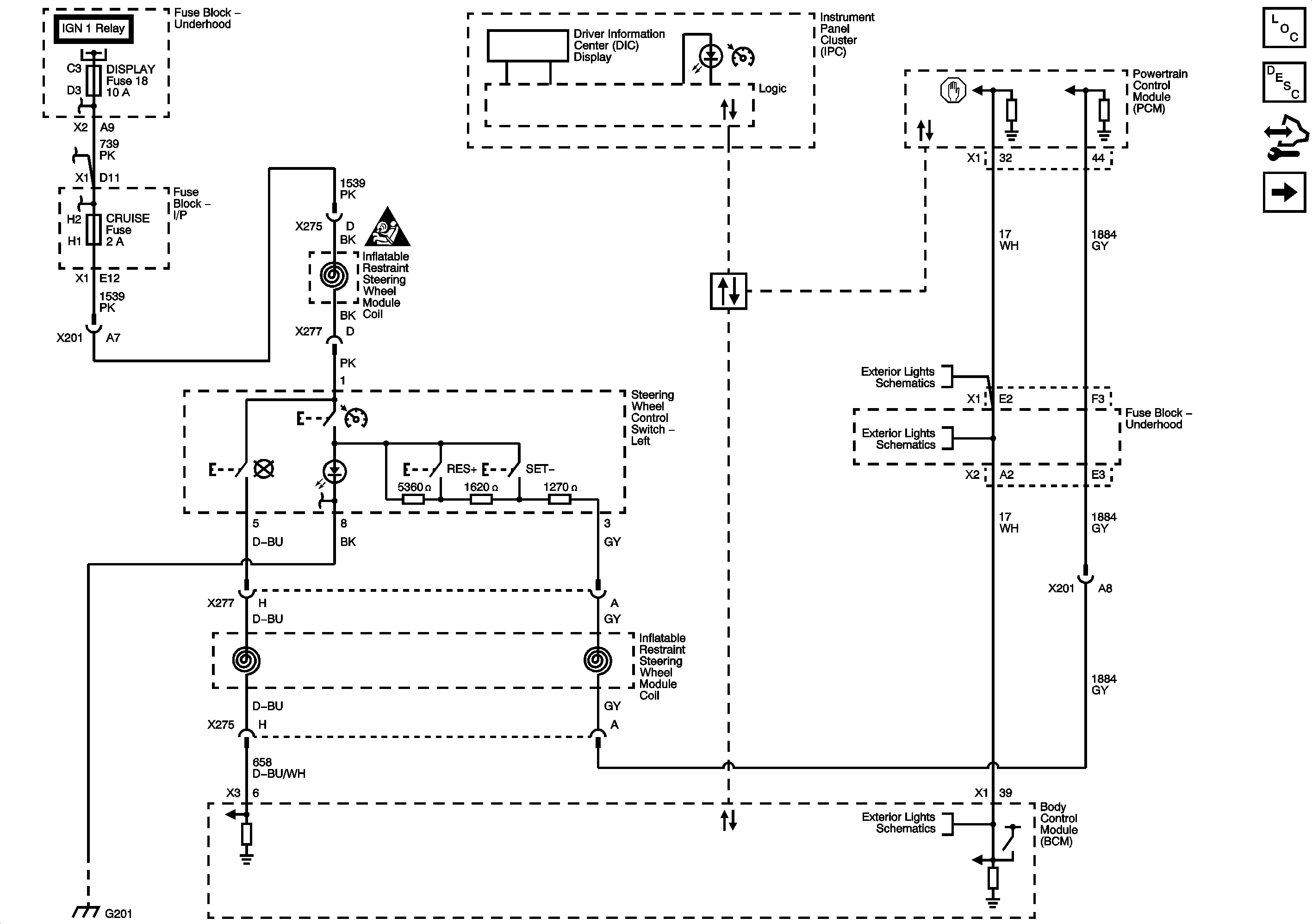
Figure
2:
LY7/LS4
Master Electrical Component List
Cruise Control Description and Operation
Control Module References
Cruise Control Schematics L26