GM Service Manual Online
For 1990-2009 cars only
Makes
🢒
Buick
🢒
2008
🢒
LaCrosse
🢒
Diagnostic Navigation
🢒
Vehicle Diagnostic Information
🢒 Data Communication Schematics
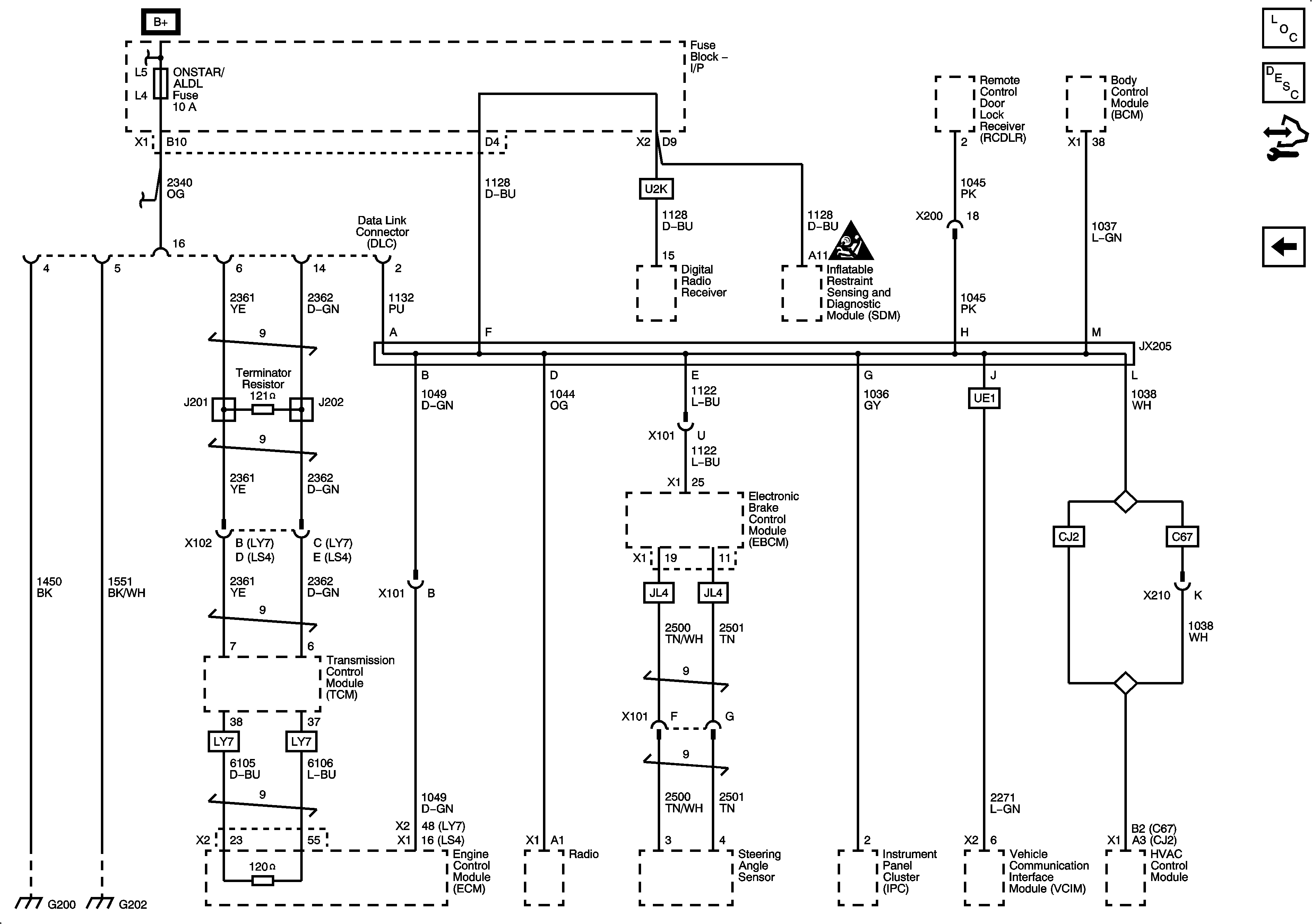
Figure
1:
L26
Master Electrical Component List
Data Link Communications Description and Operation
Control Module References
LY7 or LS4
Figure
2:
LY7
Master Electrical Component List
Data Link Communications Description and Operation
Control Module References
Data Link Connector Schematics L26