GM Service Manual Online
For 1990-2009 cars only
Makes
🢒
Buick
🢒
2008
🢒
LaCrosse
🢒
Diagnostic Navigation
🢒
Vehicle Diagnostic Information
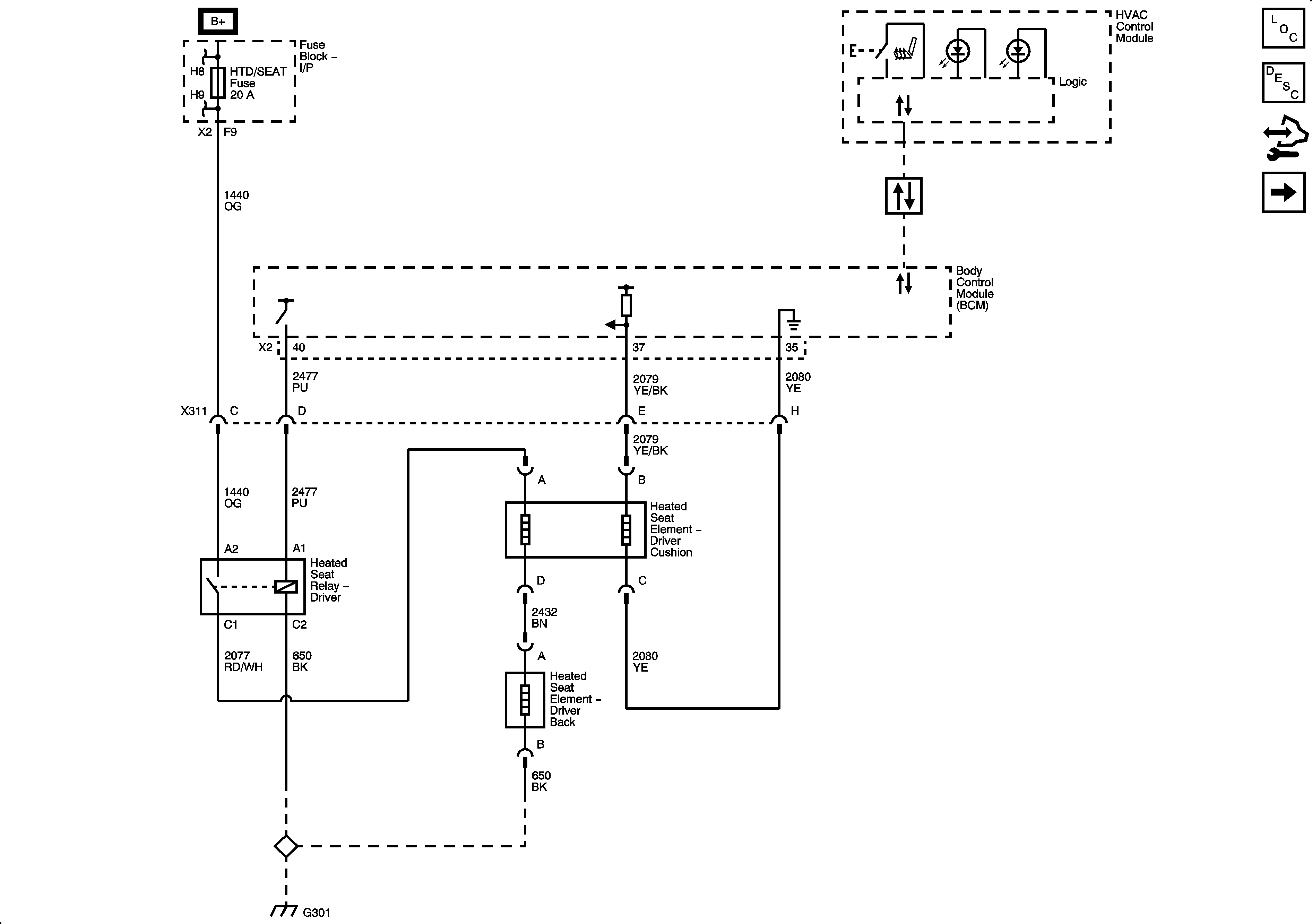
🢒 Heated/Cooled Seat Schematics
Figure
1:
Driver Seat Heat Controls
Master Electrical Component List
Heated Seats Description and Operation
Control Module References
Passenger Seat Heat Controls
Figure
2:
Passenger Seat Heat Controls
Master Electrical Component List
Heated Seats Description and Operation
Control Module References
Driver Seat Heat Controls