GM Service Manual Online
For 1990-2009 cars only
Figure 1:

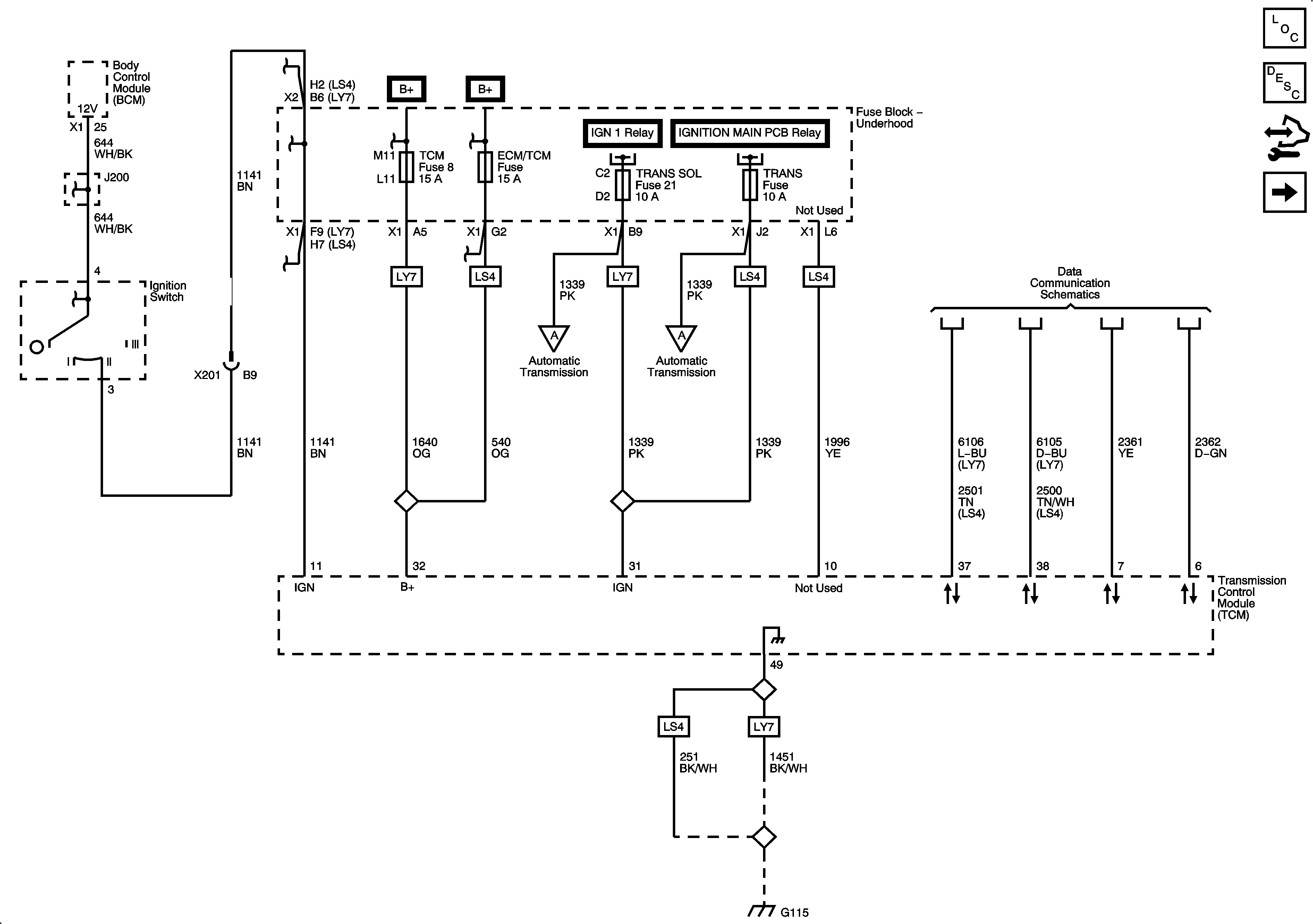
TCM Power, Ground, and Serial Data - LY7 or LS4


Object Number: 1888980  Size: FS
Master Electrical Component List
Electronic Component Description
Control Module References
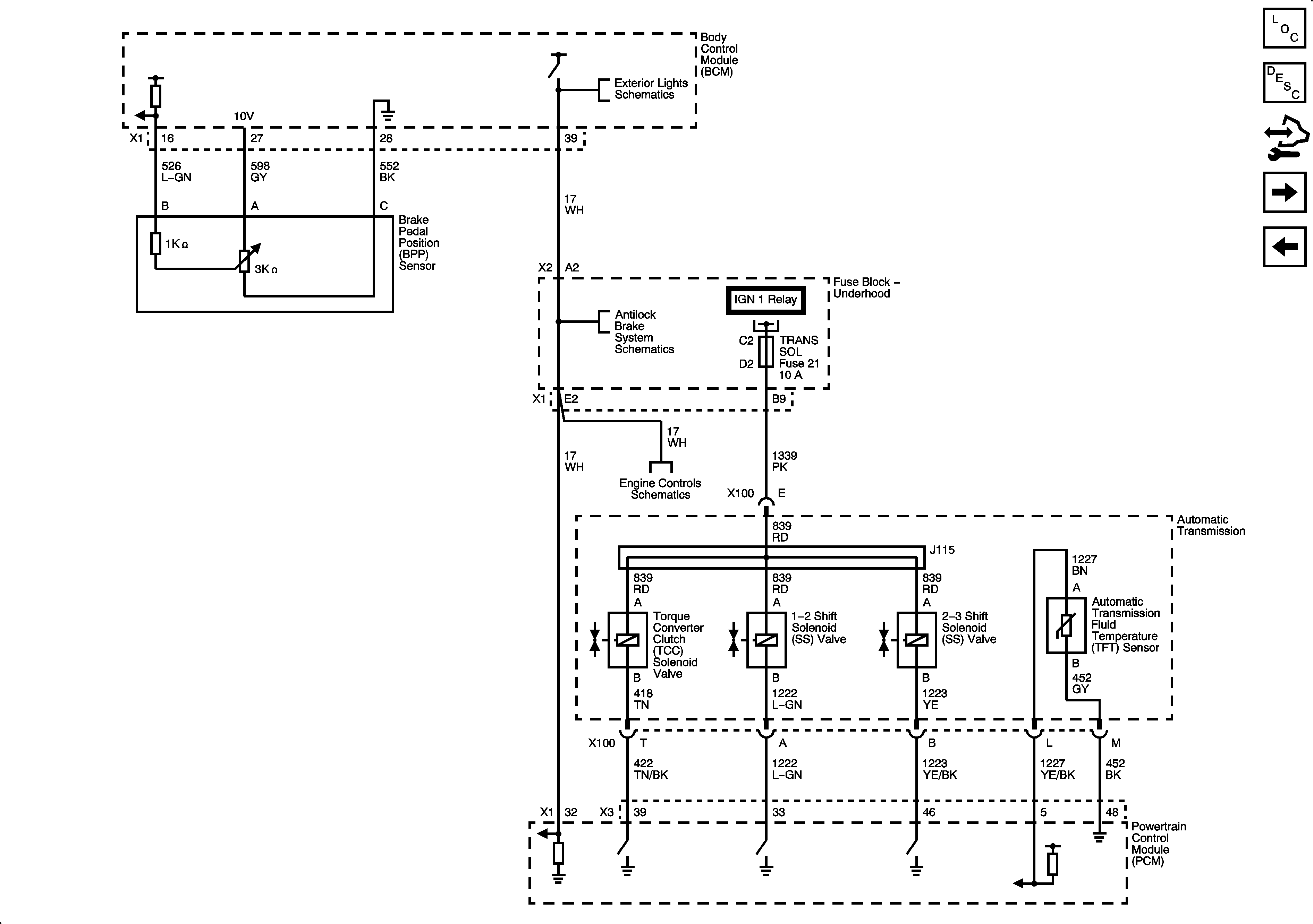
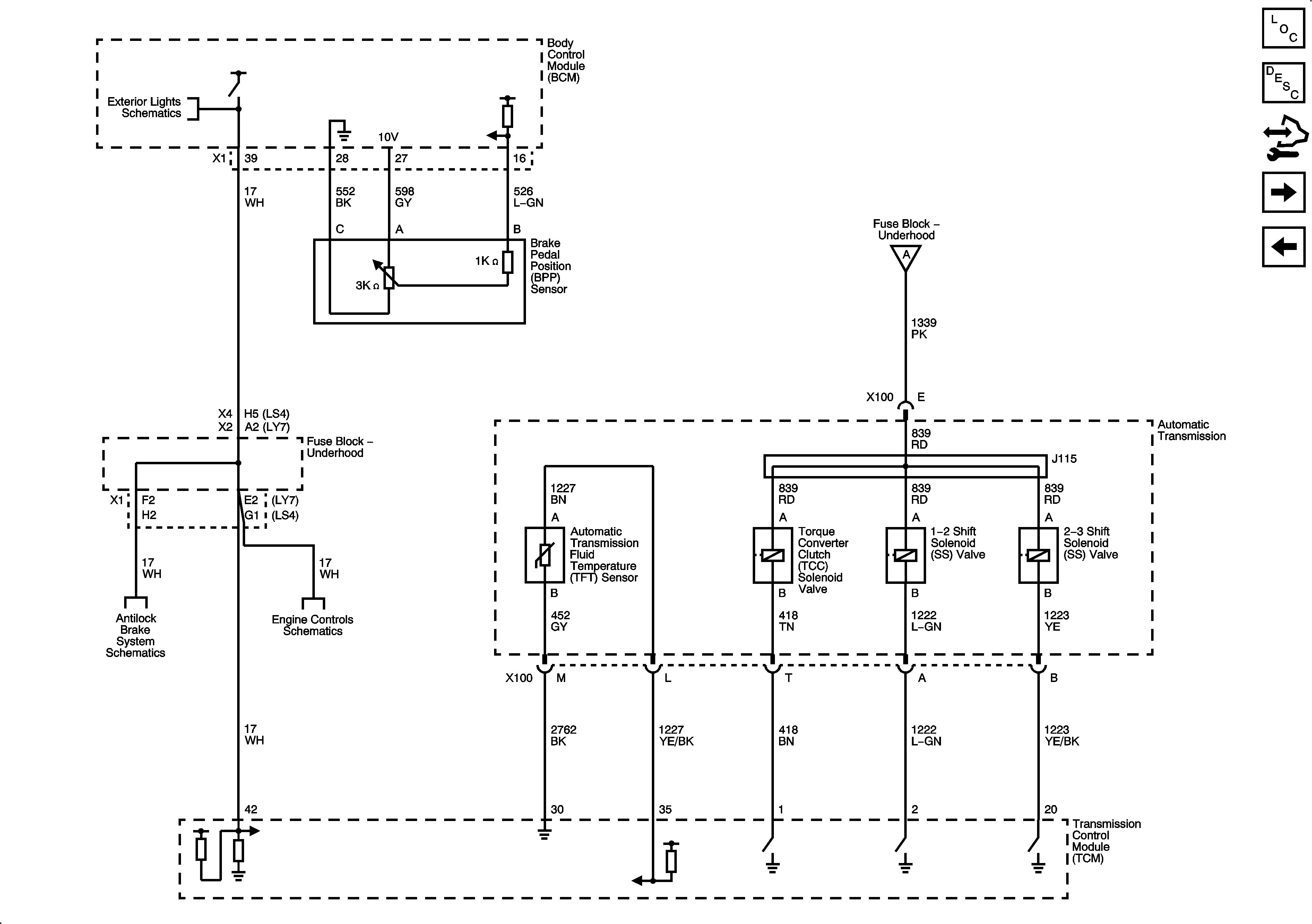
Shift and TCC Solenoid Valves, TFT Sensor, and Stop Lamp Switch - LY7 or LS4
Figure 2:

Shift and TCC Solenoid Valves, TFT Sensor, and Stop Lamp Switch - LY7 or LS4


Object Number: 1888983  Size: FS
Master Electrical Component List
Electronic Component Description
Control Module References
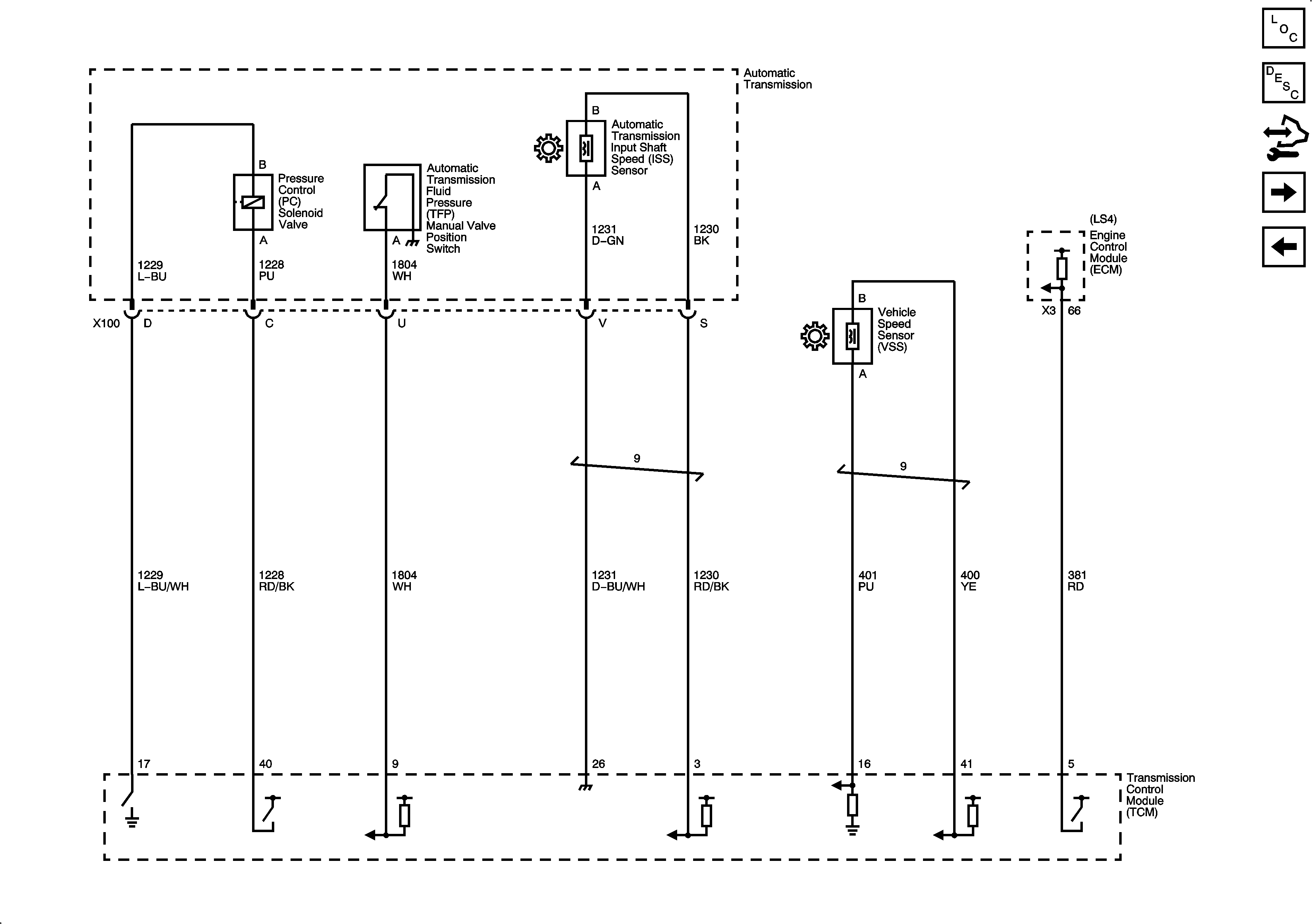
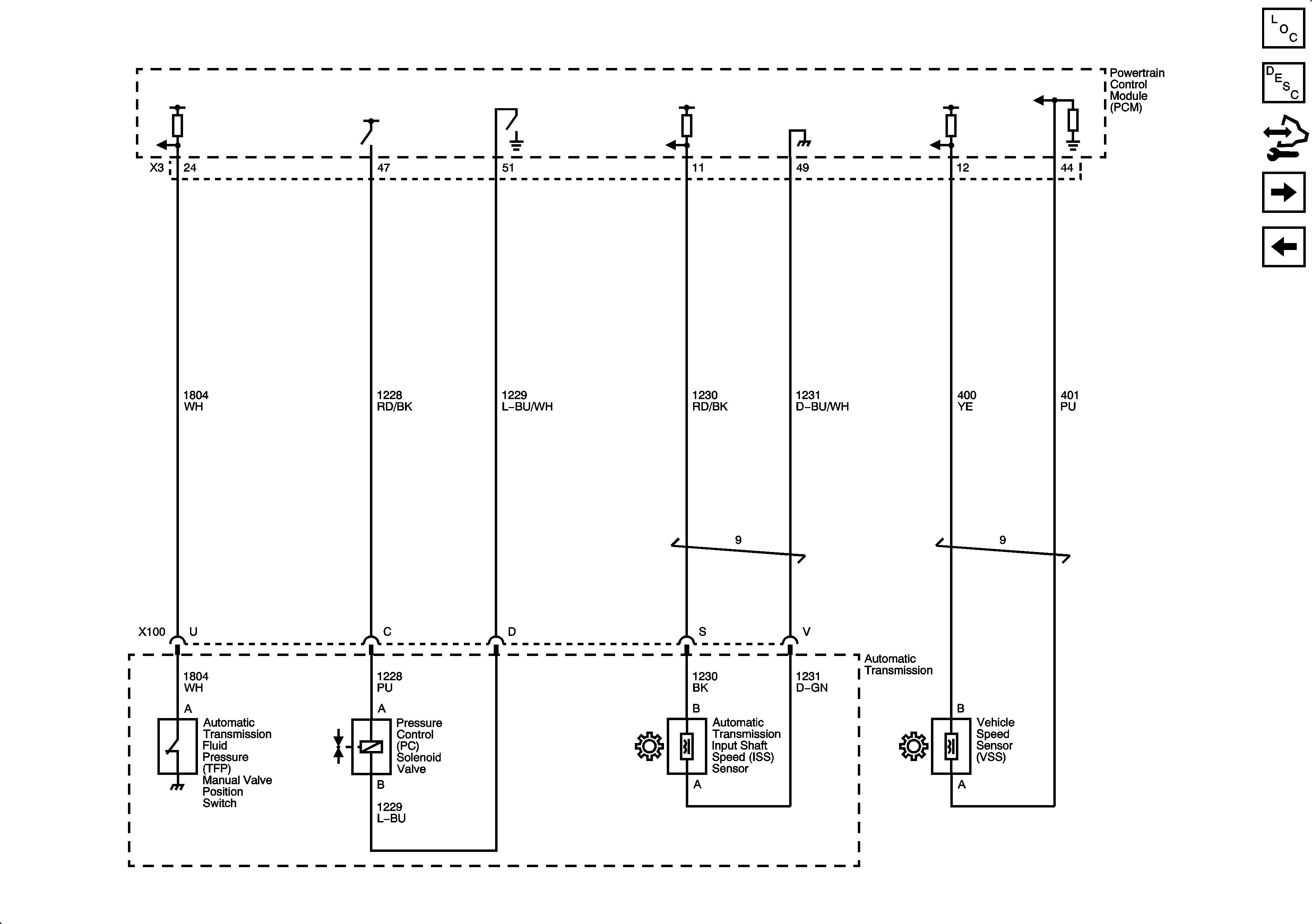
PC Solenoid Valve, Fluid Pressure Manual Valve Position Switch, ISS and VSS Sensors - LY7 or LS4
TCM Power, Ground, and Serial Data - LY7 or LS4
Figure 3:

PC Solenoid Valve, Fluid Pressure Manual Valve Position Switch, ISS and VSS Sensors - LY7 or LS4


Object Number: 1889017  Size: FS
Master Electrical Component List
Electronic Component Description
Control Module References
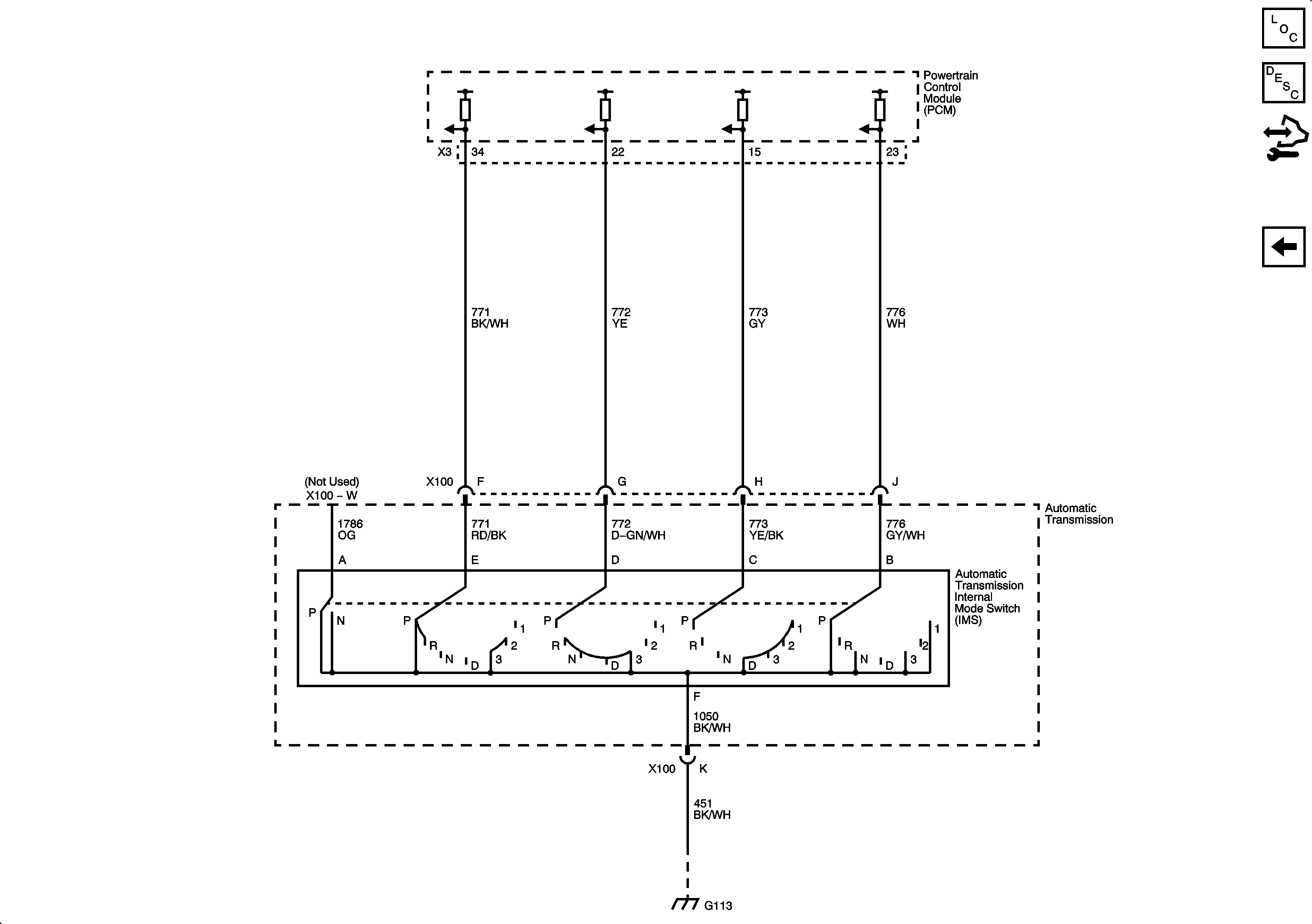
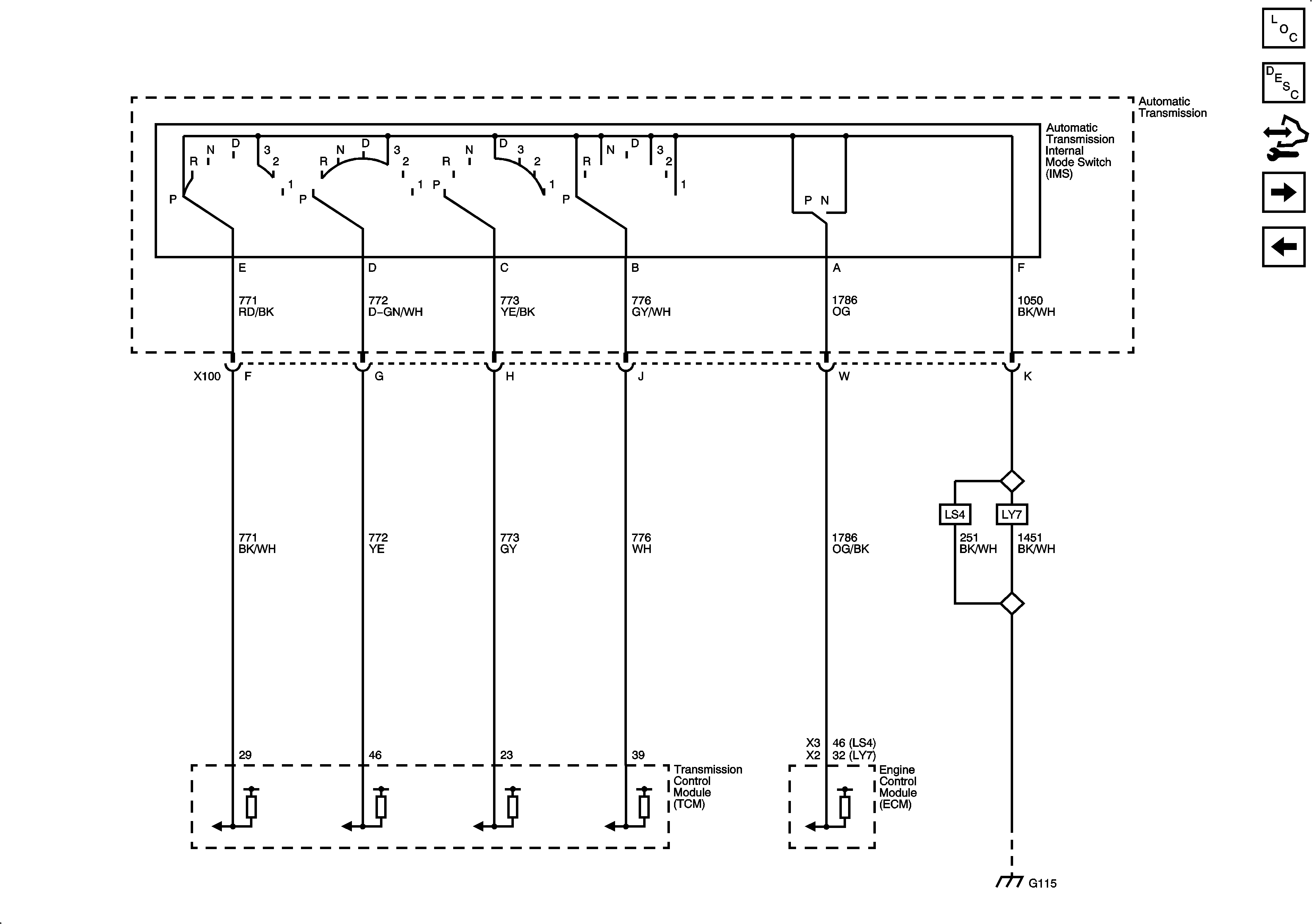
Automatic Transmission Internal Mode Switch (IMS) - LY7 or LS4
Shift and TCC Solenoid Valves, TFT Sensor, and Stop Lamp Switch - LY7 or LS4
Figure 4:

Internal Mode Switch - LY7 or LS4


Object Number: 1889021  Size: FS
Master Electrical Component List
Electronic Component Description
Control Module References
Shift and TCC Solenoid Valves, TFT Sensor, and Stop Lamp Switch - L26
PC Solenoid Valve, Fluid Pressure Manual Valve Position Switch, ISS and VSS Sensors - LY7 or LS4
Figure 5:

Shift and TCC Solenoid Valves, TFT Sensor, and Stop Lamp Switch - L26


Object Number: 1889024  Size: FS
Master Electrical Component List
Electronic Component Description
Control Module References
PC Solenoid Valve, Fluid Pressure Manual Valve Postion Switch, ISS and VSS Sensors - L26
Automatic Transmission Internal Mode Switch (IMS) - LY7 or LS4
Figure 6:

PC Solenoid Valve, Fluid Pressure Manual Valve Position Switch, ISS and VSS Sensors - L26


Object Number: 1889026  Size: FS
Master Electrical Component List
Electronic Component Description
Control Module References
Automatic Transmission Internal Mode Switch (IMS) - L26
Shift and TCC Solenoid Valves, TFT Sensor, and Stop Lamp Switch - L26
Figure 7:

Internal Mode Switch - L26


Object Number: 1889031  Size: FS
Master Electrical Component List
Electronic Component Description
Control Module References
PC Solenoid Valve, Fluid Pressure Manual Valve Postion Switch, ISS and VSS Sensors - L26