GM Service Manual Online
For 1990-2009 cars only
Makes
🢒
Buick
🢒
2008
🢒
LaCrosse
🢒
Diagnostic Navigation
🢒
Vehicle Diagnostic Information
🢒 Headlights/Daytime Running Lights (DRL) Schematics
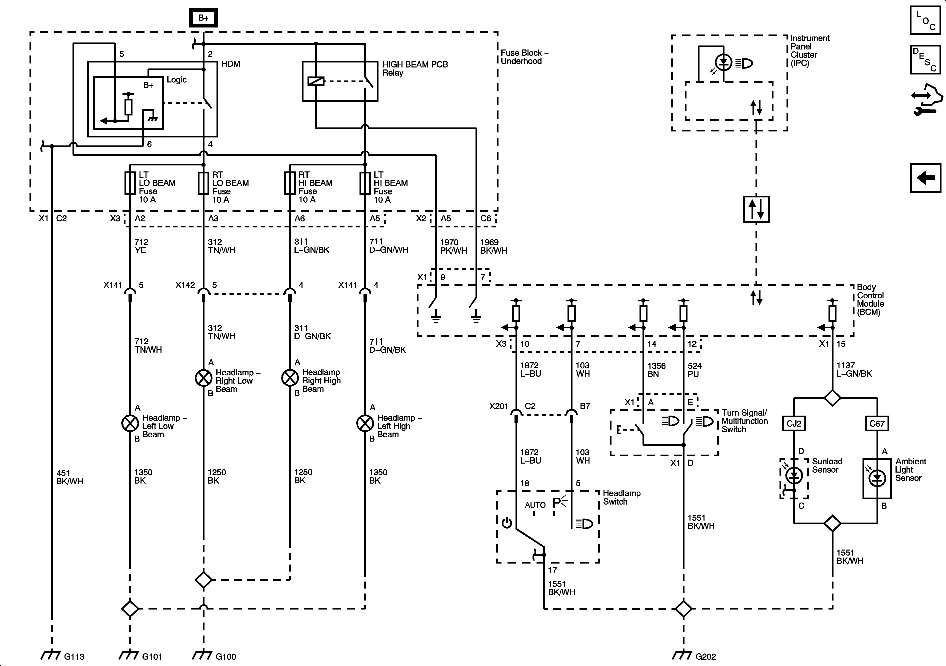
Figure
1:
L26/LY7
Master Electrical Component List
Exterior Lighting Systems Description and Operation
Control Module References
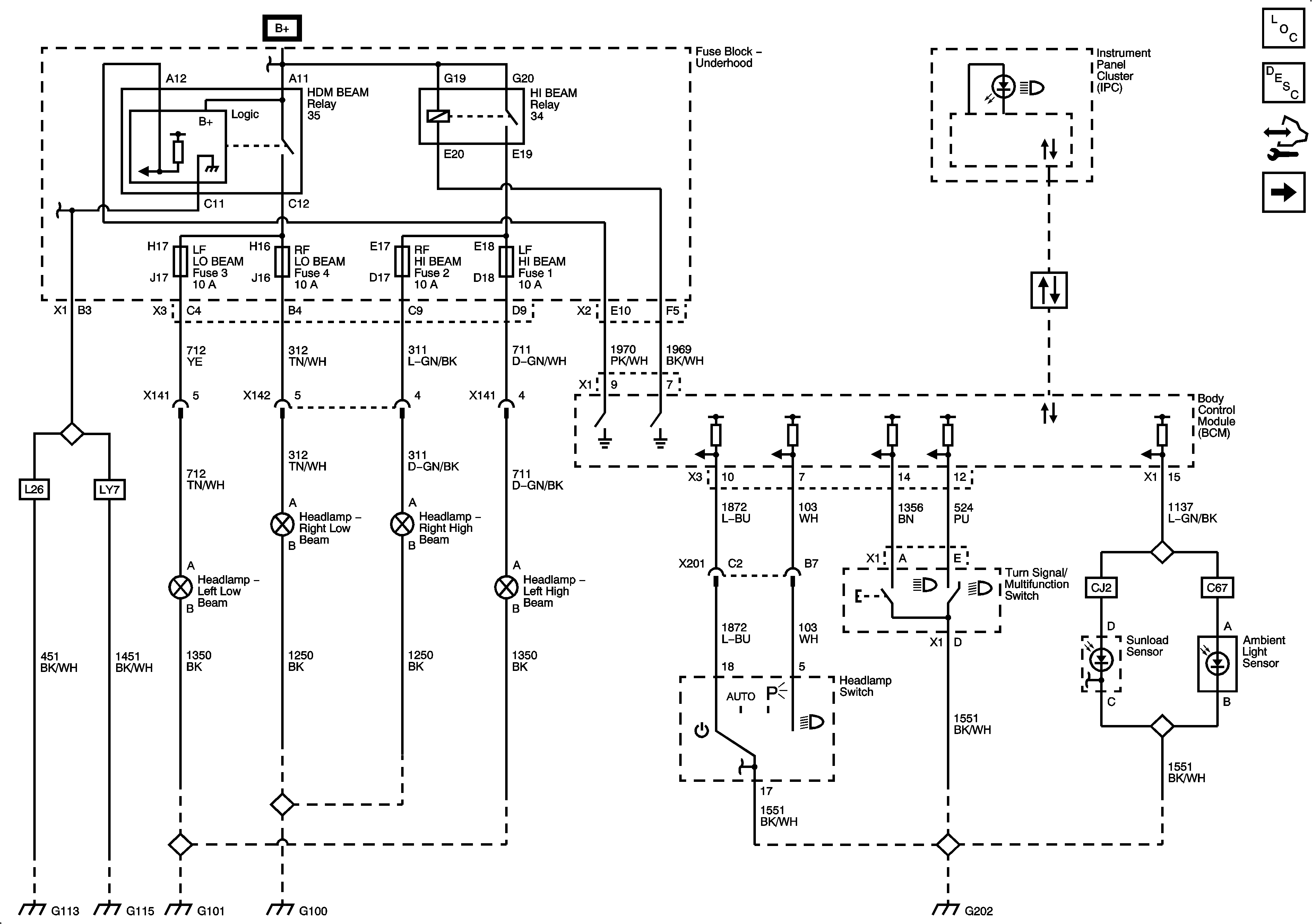
Figure
2:
LS4
Master Electrical Component List
Exterior Lighting Systems Description and Operation
Control Module References