GM Service Manual Online
For 1990-2009 cars only
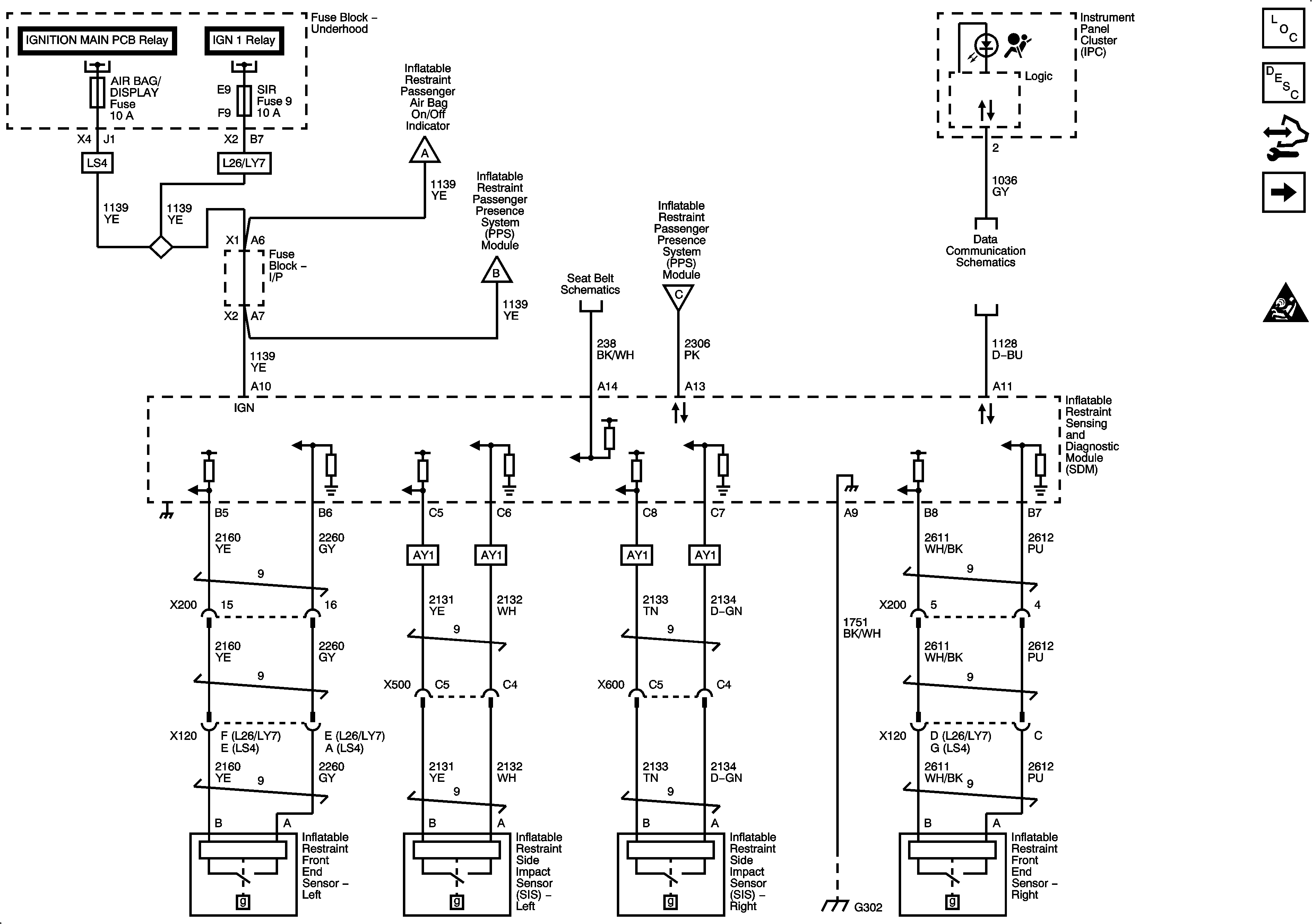
Figure 1:

Power Ground, Serial Data, Indicators, Sensors, and References


Object Number: 1888803  Size: FS
Master Electrical Component List
SIR System Description and Operation
Control Module References
Air Bag Modules and Seat Belt Pretensioners
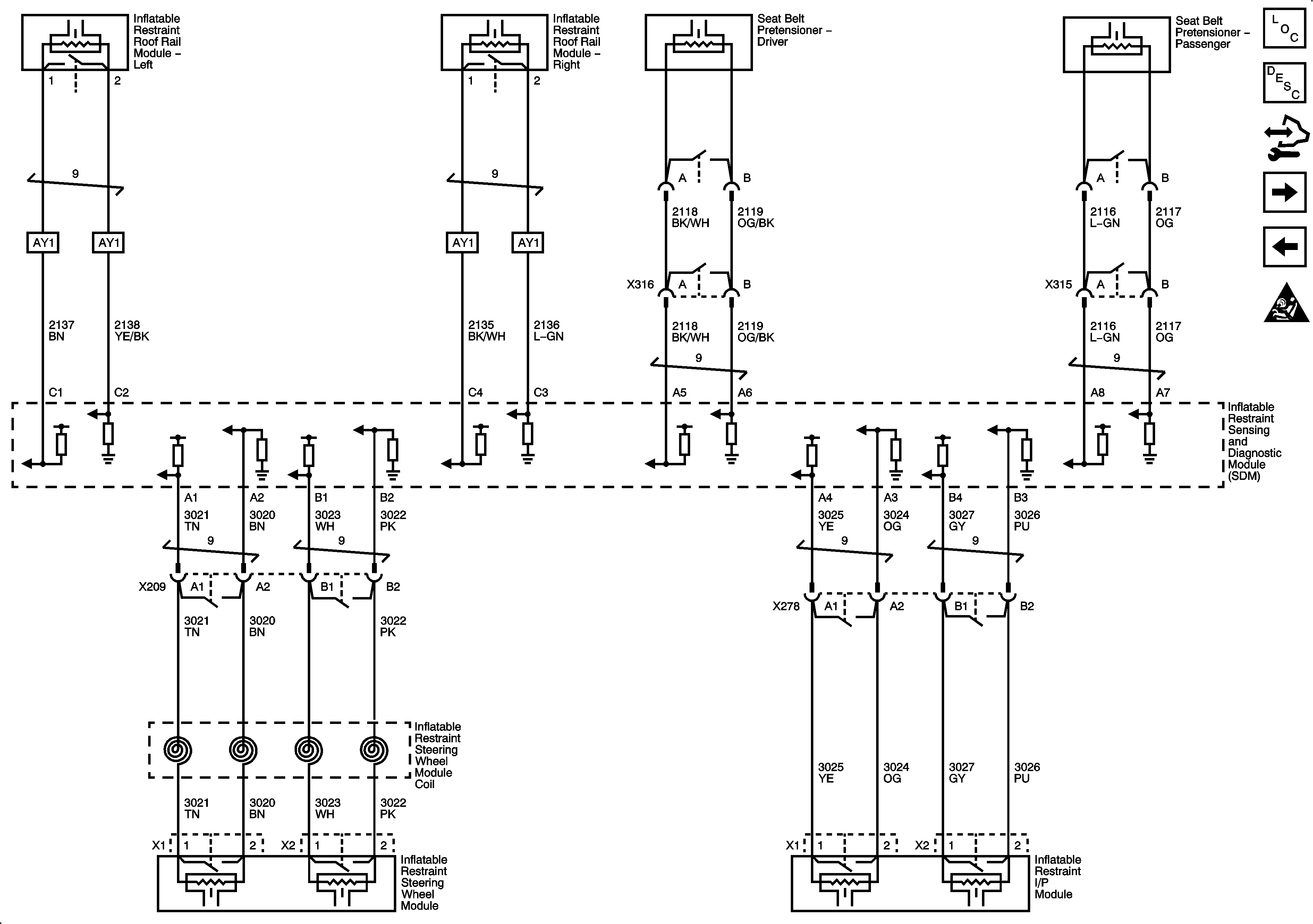
Figure 2:

Air Bag Modules and Seat Belt Pretensioners


Object Number: 1888808  Size: FS
Master Electrical Component List
SIR System Description and Operation
Control Module References
Passenger Presence System
Power Ground, DLC Indicators, Sensors, and References
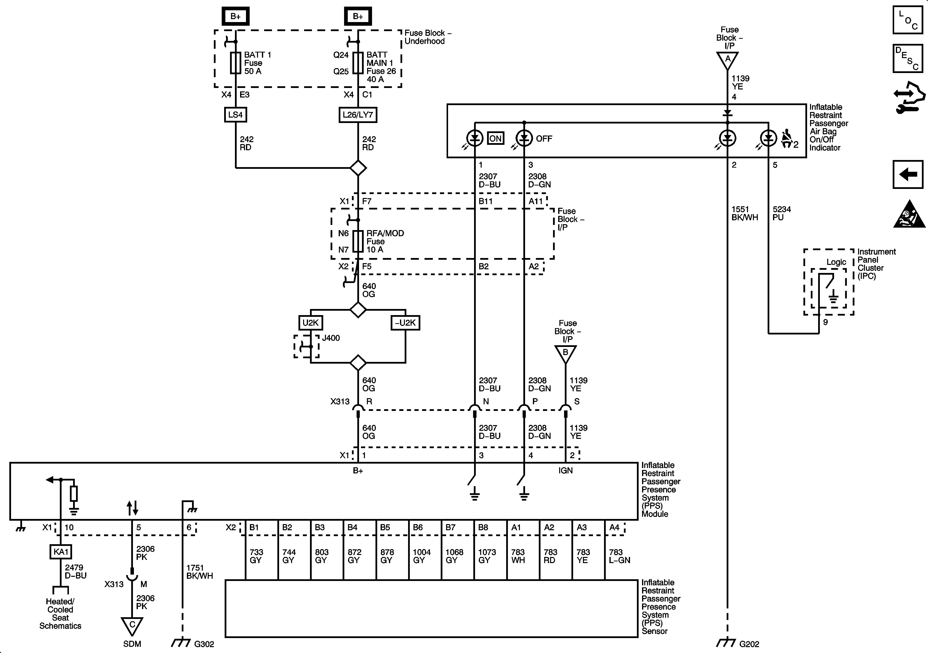
Figure 3:

Passenger Presence System


Object Number: 1888817  Size: FS
Master Electrical Component List
SIR System Description and Operation
Control Module References
Air Bag Modules and Seat Belt Pretensioners