GM Service Manual Online
For 1990-2009 cars only
Makes
🢒
Buick
🢒
2008
🢒
LaCrosse
🢒
Diagnostic Navigation
🢒
Vehicle Diagnostic Information
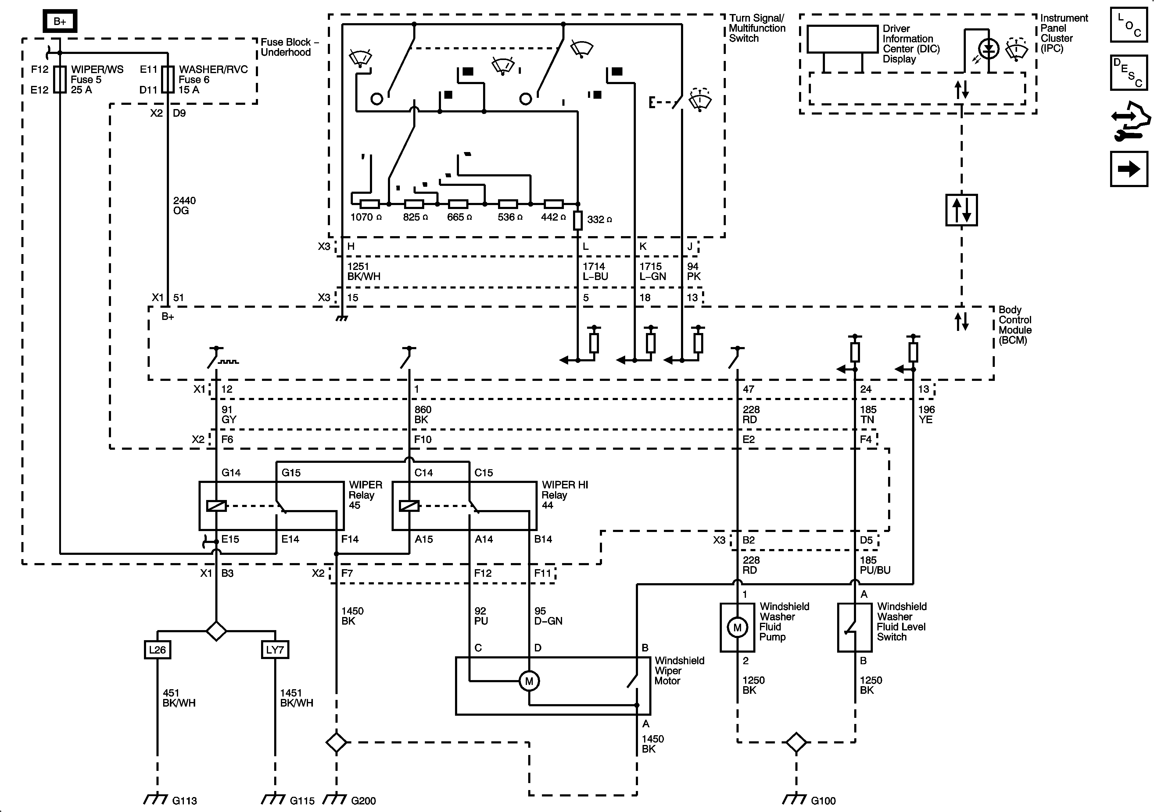
🢒 Wiper/Washer Schematics
Figure
1:
Wiper/Washer
Master Electrical Component List
Wiper/Washer System Description and Operation
Control Module References
Figure
2:
LS4
Master Electrical Component List
Wiper/Washer System Description and Operation
Control Module References
L26 or LY7