GM Service Manual Online
For 1990-2009 cars only
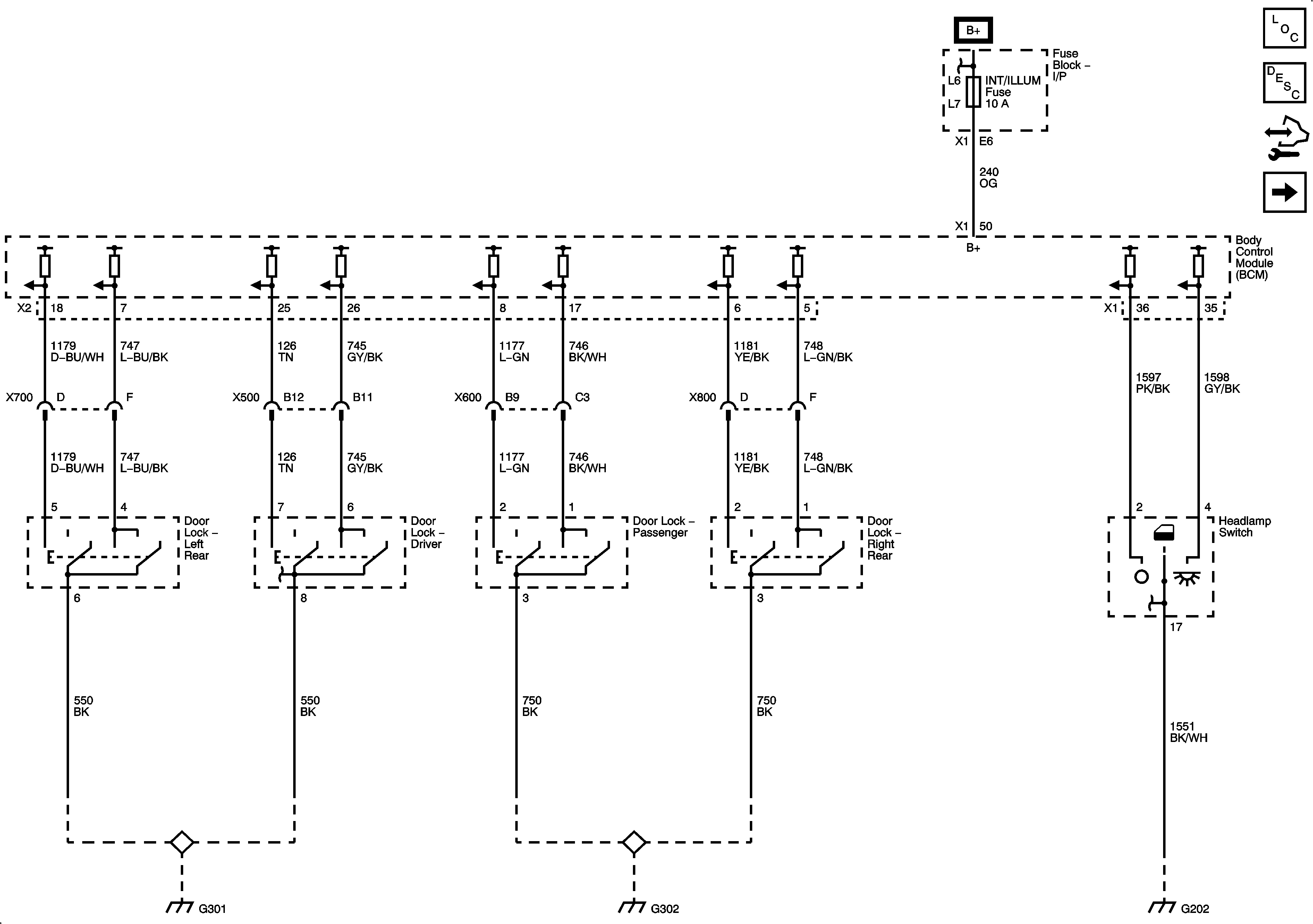
Figure 1:

Lamp Controls


Object Number: 1888960  Size: FS
Master Electrical Component List
Interior Lighting Systems Description and Operation
Control Module References
Courtesy Lamps
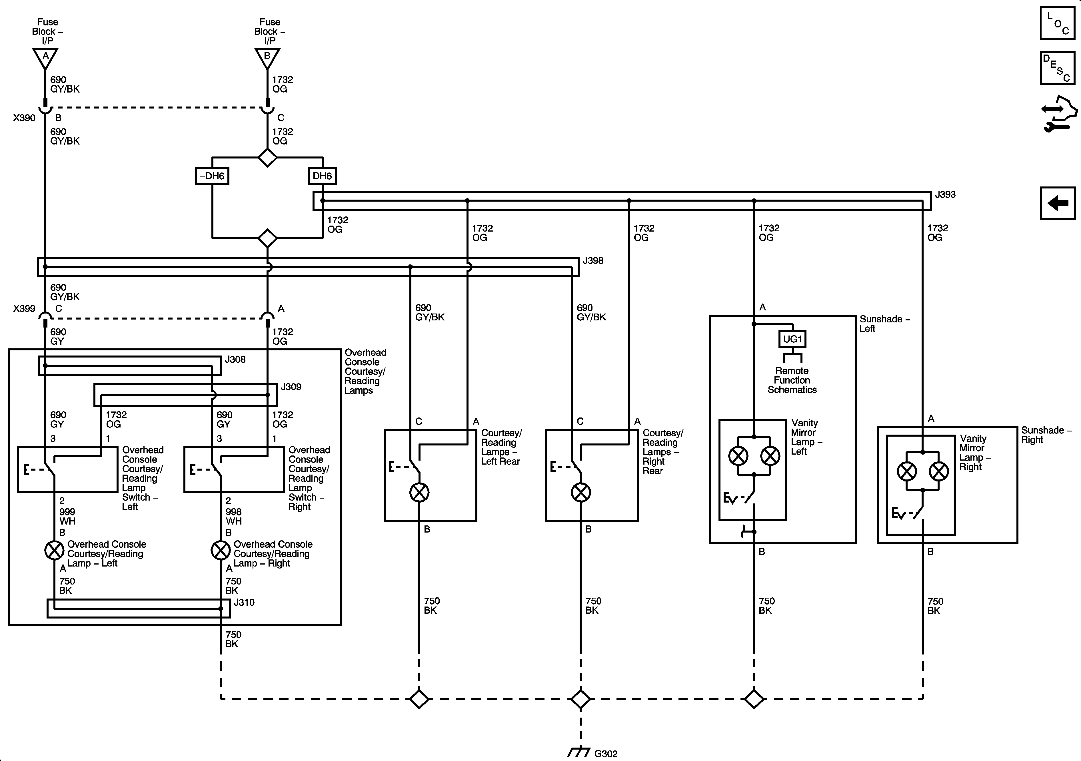
Figure 2:

Courtesy Lamps


Object Number: 1888961  Size: FS
Master Electrical Component List
Interior Lighting Systems Description and Operation
Control Module References
Overhead Lighting
Lights Lamp Controls
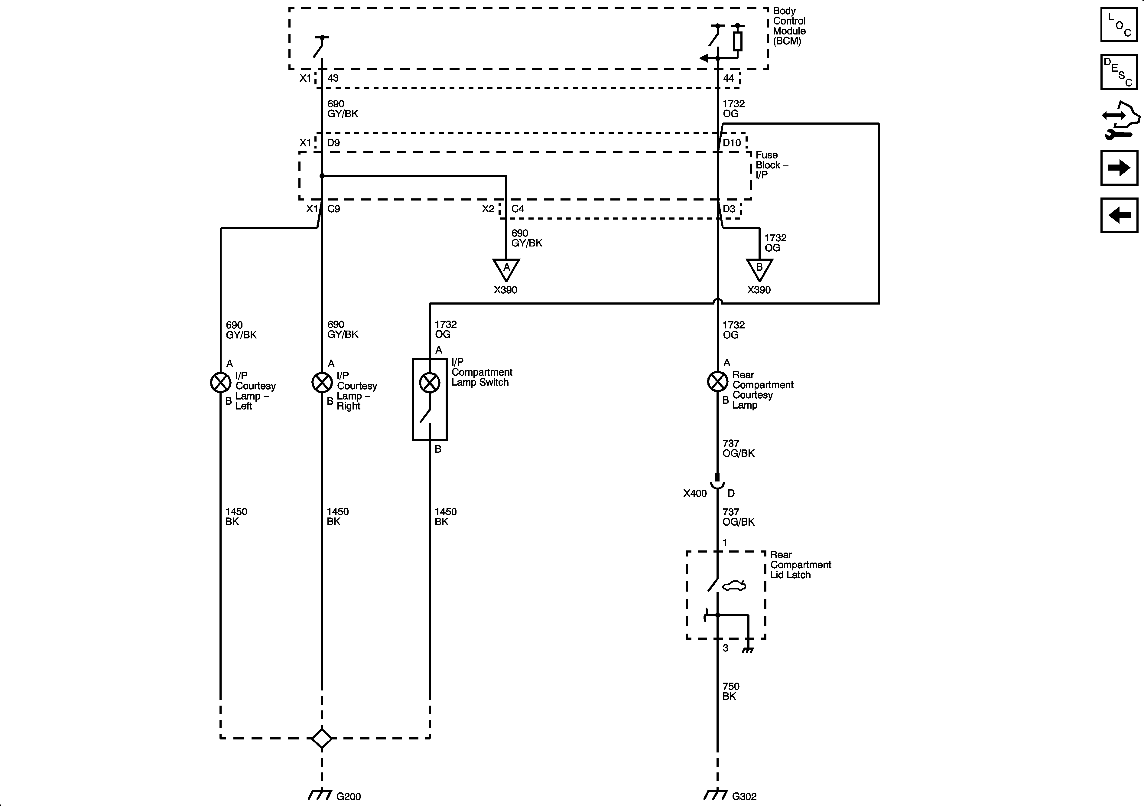
Figure 3:

Overhead Lighting


Object Number: 1888962  Size: FS
Master Electrical Component List
Interior Lighting Systems Description and Operation
Control Module References
Courtesy Lamps