GM Service Manual Online
For 1990-2009 cars only
Makes
🢒
Buick
🢒
2008
🢒
LaCrosse
🢒
Body Systems
🢒
Lighting
🢒 Interior Lights Dimming Schematics
Figure
1:
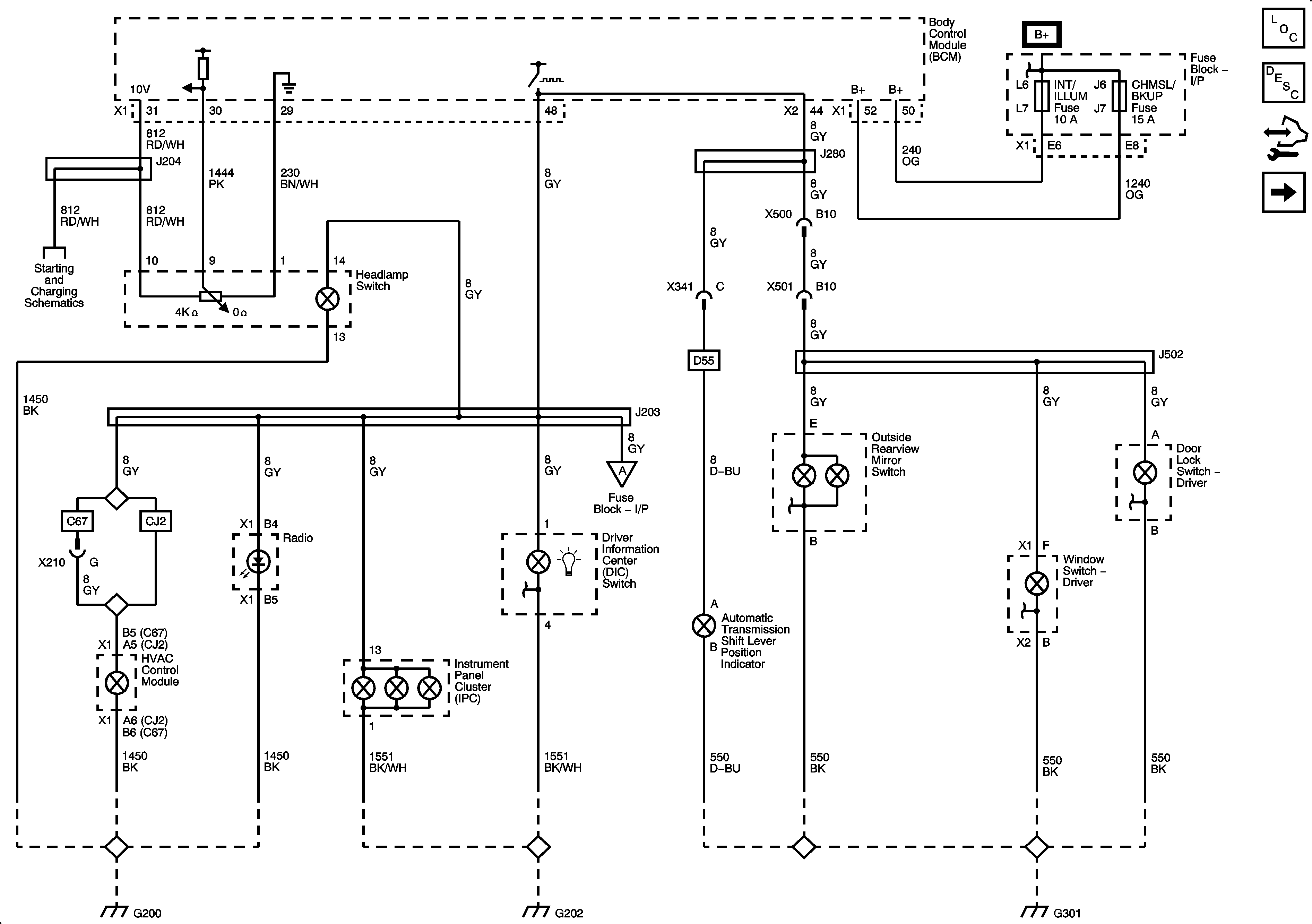
Instrument Panel, Console, and Driver Door Lighting
Master Electrical Component List
Interior Lighting Systems Description and Operation
Control Module References
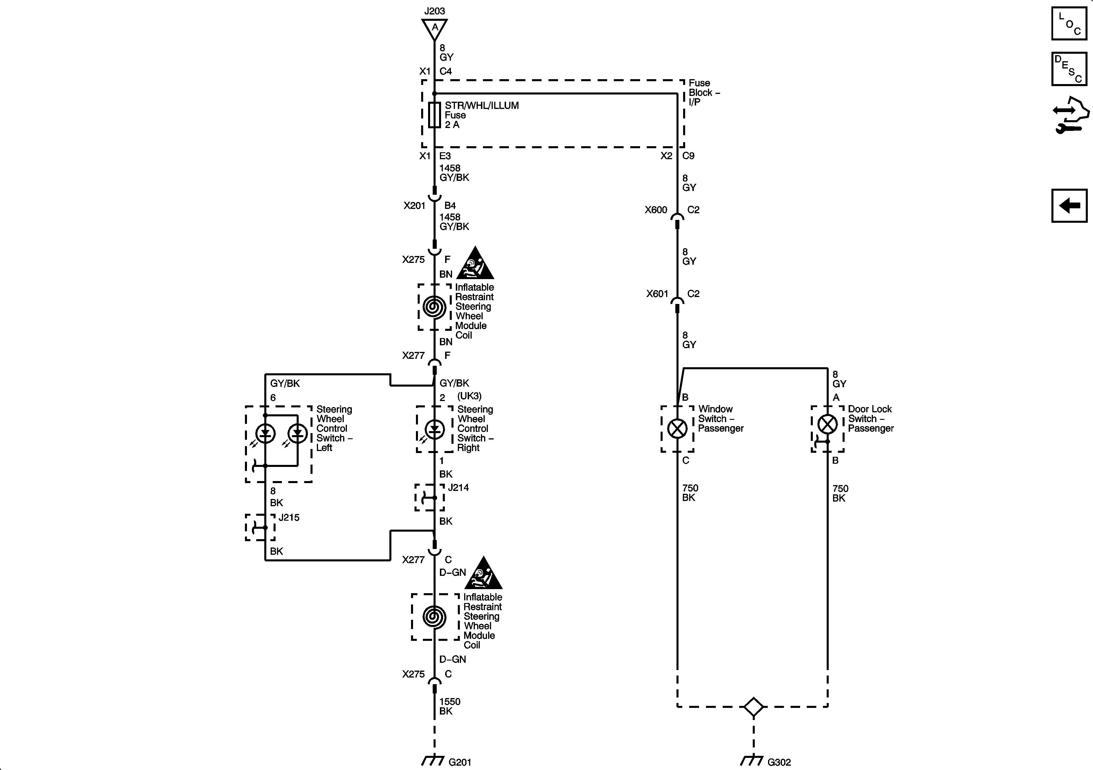
Steering Wheel and Front Passenger Door Lighting
Figure
2:
Steering Wheel and Front Passenger Door Lighting
Master Electrical Component List
Interior Lighting Systems Description and Operation
Control Module References
I/P, Console, and Driver Door Lighting