GM Service Manual Online
For 1990-2009 cars only
Makes
🢒
Buick
🢒
2008
🢒
LaCrosse
🢒
Body Systems
🢒
Lighting
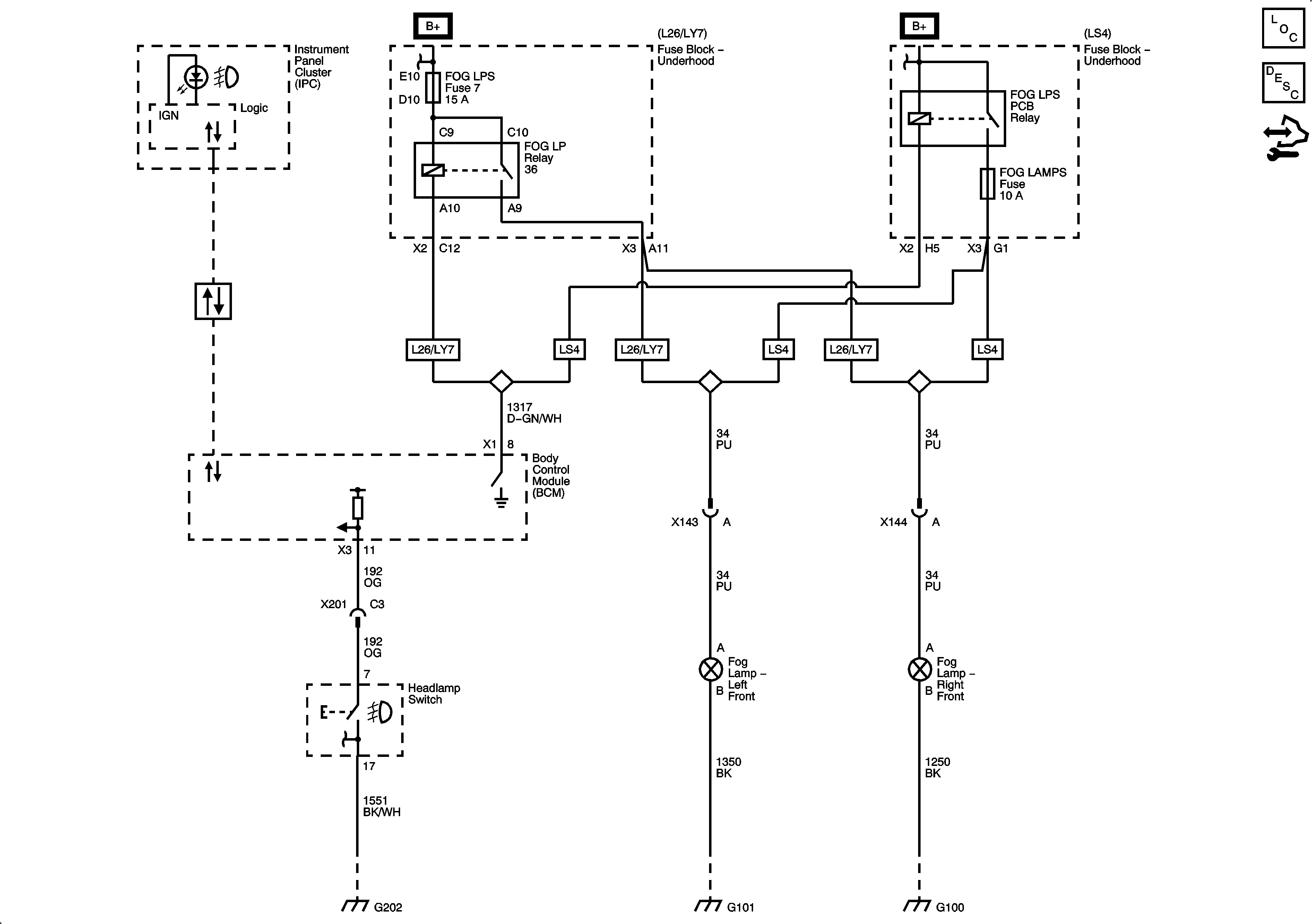
🢒 Fog Lights Schematics
Master Electrical Component List
Exterior Lighting Systems Description and Operation
Control Module References